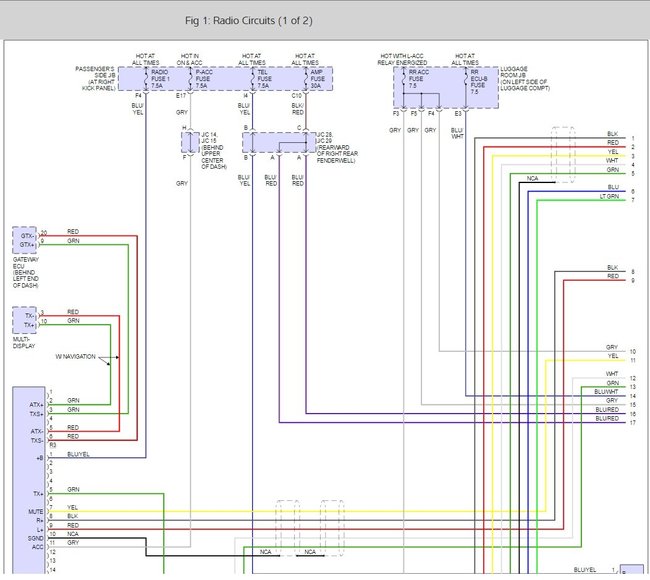
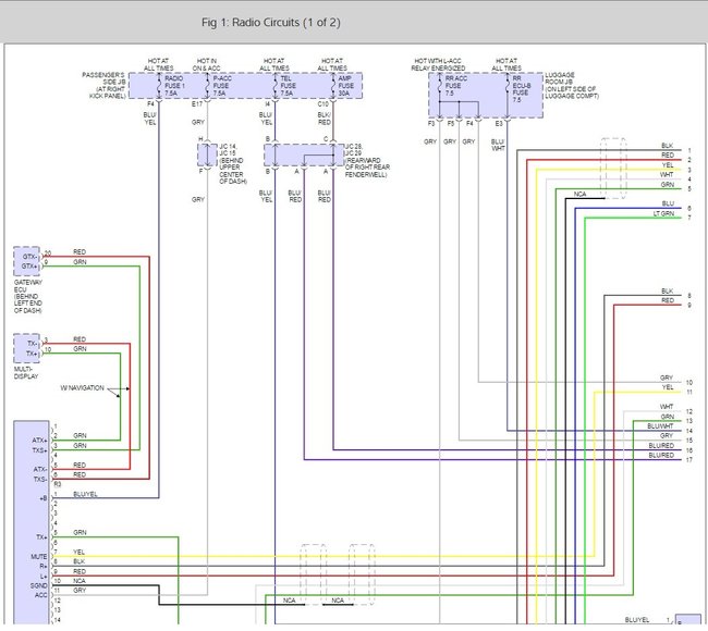
Key out door open radio has sound. no controls operate on radio. If you turn key in ignition back/forth a few times it will stop playing. ignition switch has been replaced. Same results. Drains the battery as well. Alternator is charging. Could the ignition cylinder be the issue since back/forth stops the sounds?
YouTube link:
https://youtu.be/tk4-_14eZGA
YouTube link:
https://youtu.be/tk4-_14eZGA
Mar 1, 2017 at 12:40 PM

