Radio harness diagram help 2006 elantra?

2006 HYUNDAI ELANTRA
169,000 MILES • 4 CYL • 2WD • AUTOMATIC
Avatar
GAILEY2006
  • MEMBER
  • 8 POSTS
I'm in need of a correct dash radio harness diagram for a 2006 Hyundai Elantra. I'm installing a aftermarket Kenwood Radio DDX367BT and a Metra 99-07 connecter Harness. I have the wiring diagram for the radio and the Metra but every form i find has mismatched info. My drivers side front speaker isn't working. The passenger side front is predominantly louder then the other 3. I just need the correct color coded wiring diagram for the dash car harness please
2006 Hyundai Elantra.
Thank you
Jan 28, 2023 at 8:42 PM
Advertisement
Avatar
STRAILER
  • CERTIFIED EXPERT
  • 53,855 POSTS
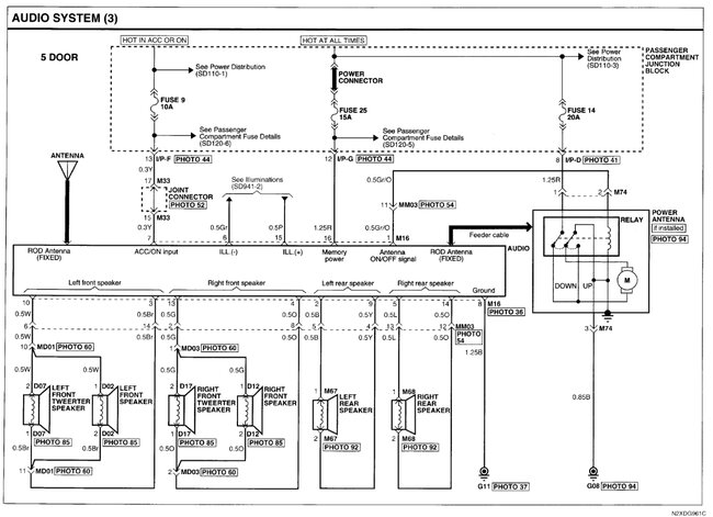
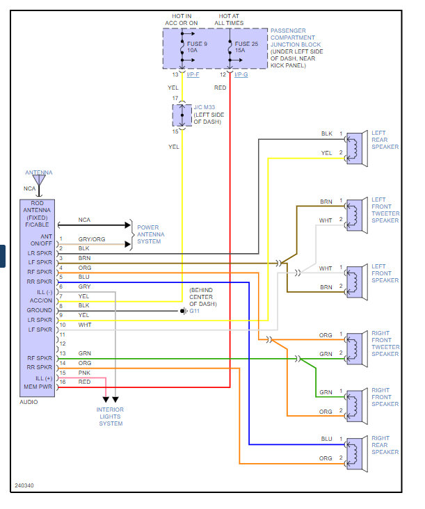
Sure, here is the radio wiring for the 4 and 5 door systems, I have also included a guide on how to test the wiring connections.

https://www.2carpros.com/articles/how-to-check-wiring

Check out the images (below). Please let us know if you need anything else to get the problem fixed.
Jan 30, 2023 at 4:28 PM
Avatar
GAILEY2006
  • MEMBER
  • 8 POSTS
The wiring guide I have for a 2006 Elantra is completely wrong on my end. I have a 16-pin connector. Pin 1 is Yellow, pin 2 grey/bc blk, 3 blue, 4 orange/blk, 5 brown, 6 black (thin wire) pin 7 grey/orange
I only have power on the first pin and grounded pins on the radio side “1,2,5,8,9,14,16” weak ground on 14. This is radio harness car off, car on-12v only to pin 1. How does that pave a positive reading and a negative one when cars off? This is the thin yellow wire.

The radio is a ddx276bt. Sorry, I mistyped it the first time.
Jun 19, 2023 at 1:12 PM
Advertisement
Avatar
STRAILER
  • CERTIFIED EXPERT
  • 53,855 POSTS
Can you please explain "How does that pave a positive reading and a negative one when cars off?" Also here are other wiring diagrams that might work better, also is this a euro car? This wiring diagram has 16 pins. Check out the images (below). Please let us know what happens.
Jun 20, 2023 at 3:26 PM
Avatar
GAILEY2006
  • MEMBER
  • 8 POSTS
Yea, it helped a ton. Thank you!
I got that part figured out, but I now have another problem related to the issue. The yellow ACC wire caught fire. I’m trying to trace it to replace it but I’m trying to figure out where the other end of the wire is. If you look in the last image. There’s a photo 52 where the Acc leads. Is that the fuse within the interior fuse box or is what I’m looking for located behind the dash boards requiring removal?
Jul 2, 2023 at 5:07 PM
Avatar
STRAILER
  • CERTIFIED EXPERT
  • 53,855 POSTS
Sorry we only handle one problem per thread, please post your new question here, you must be logged in.

https://www.2carpros.com/questions/new

Cheers, Ken
Jul 3, 2023 at 1:32 PM