I cannot find the radio fuse in my car the radio is not working.
Jun 8, 2016 at 6:22 PM
Advertisement
KASEKENNY
CERTIFIED EXPERT
18,907 POSTS
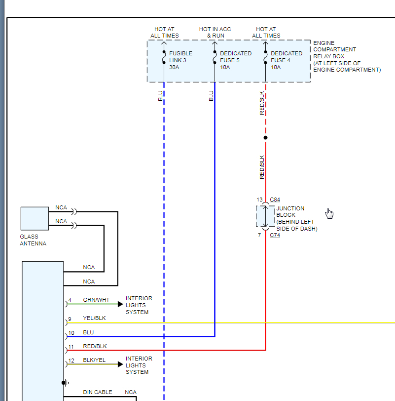
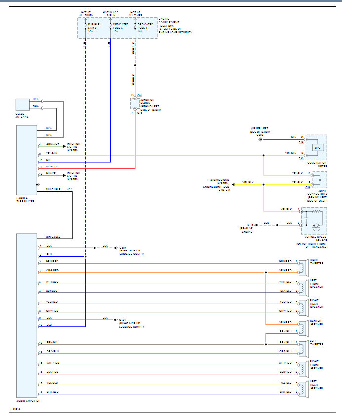
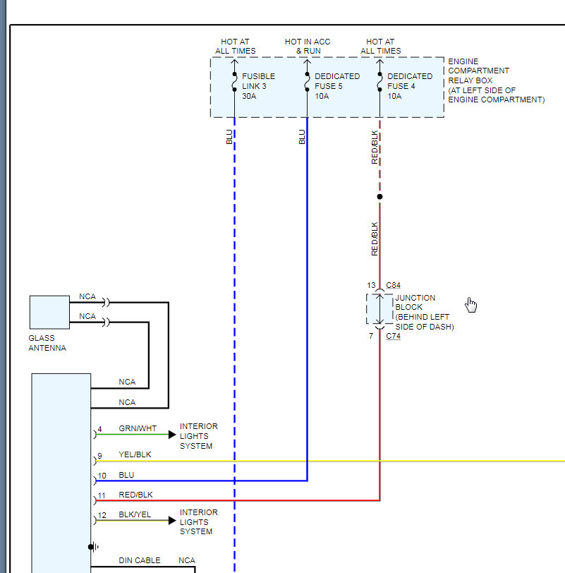
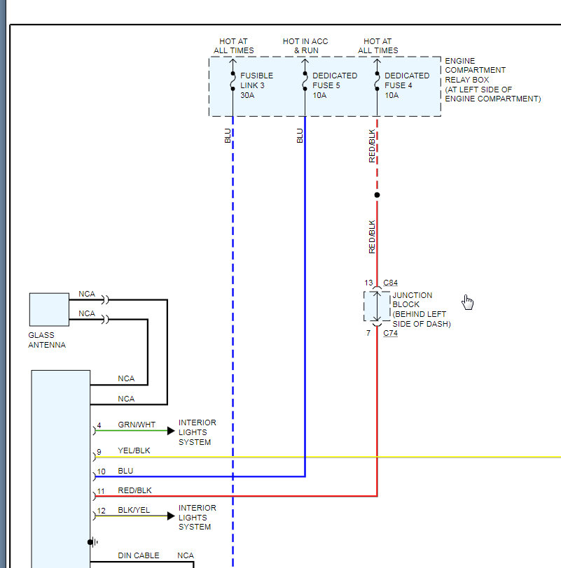
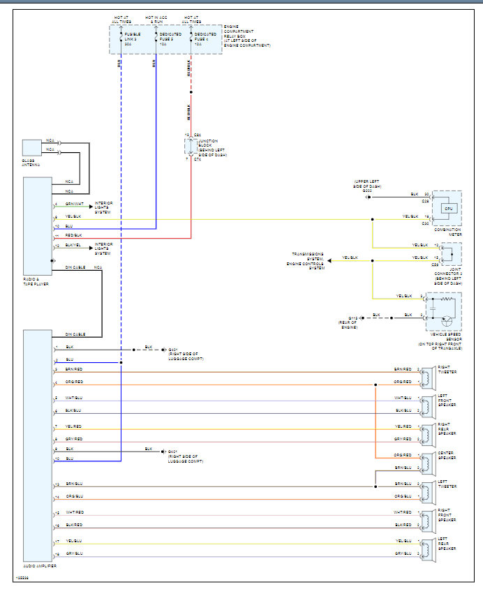
I am attaching the fuse panels and wiring diagrams that shows the fuses for the radio. There are a couple that are dedicated to the radio so those need to be checked. Here is a guide on how to test fuses: