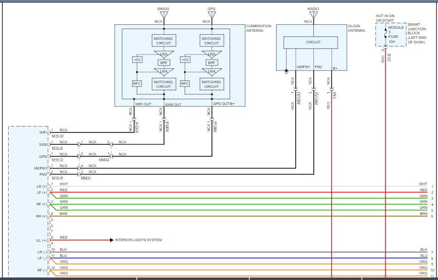
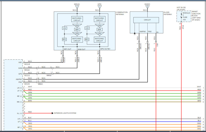
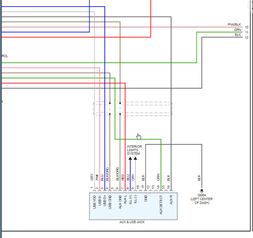
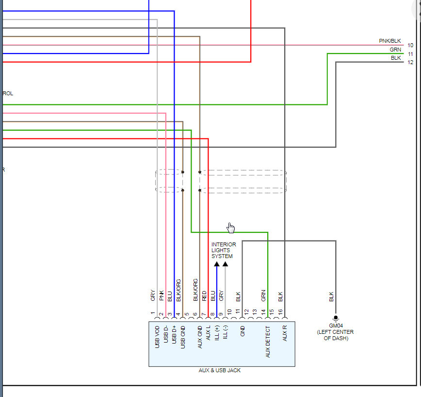
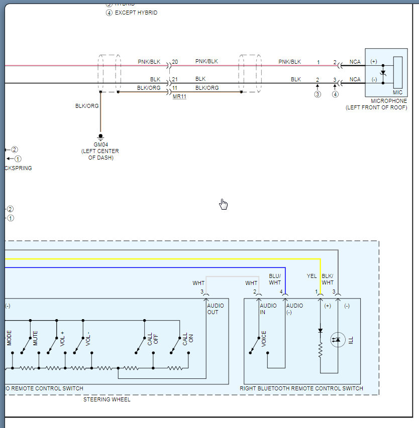
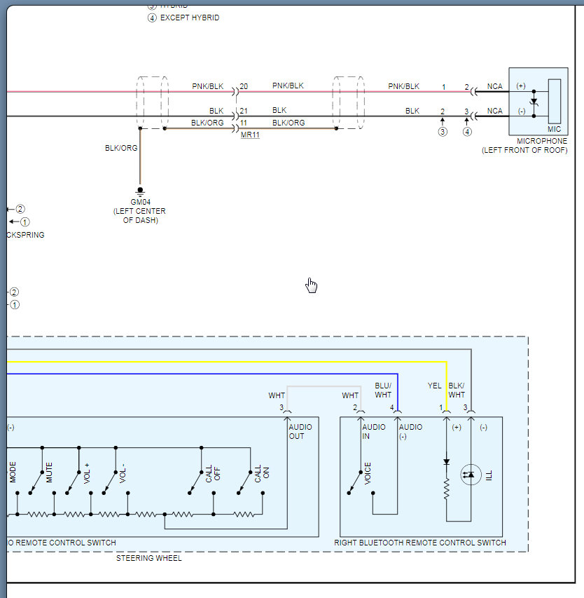
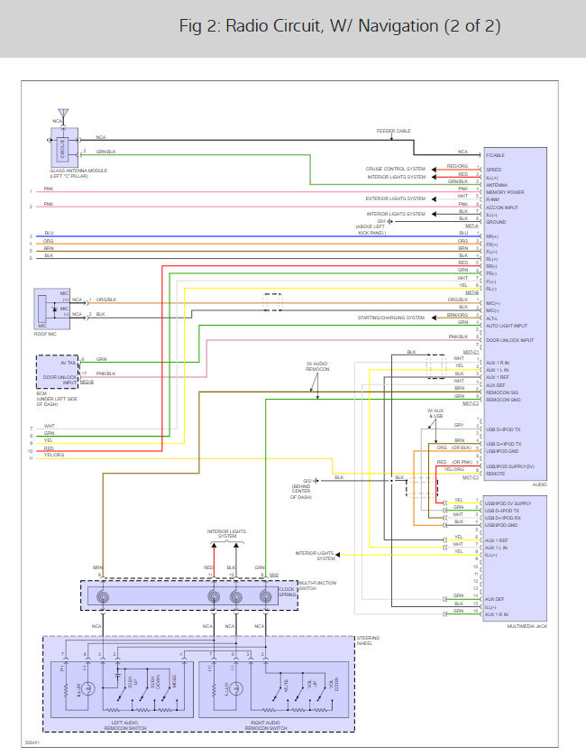
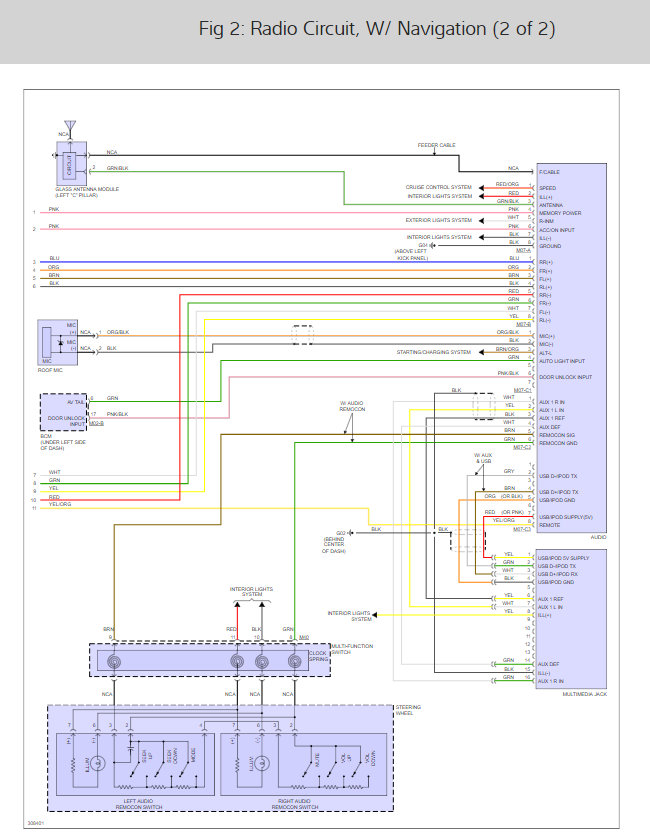
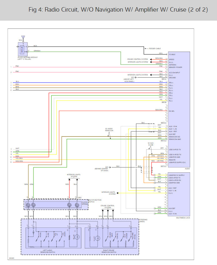
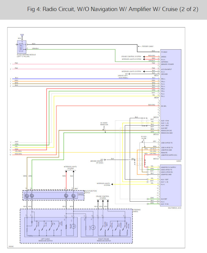
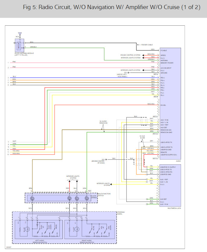
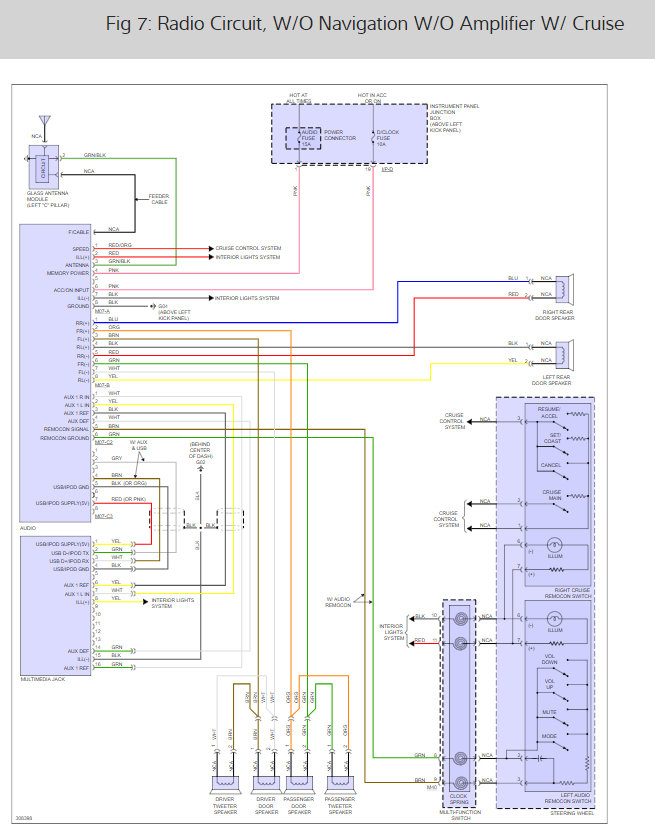
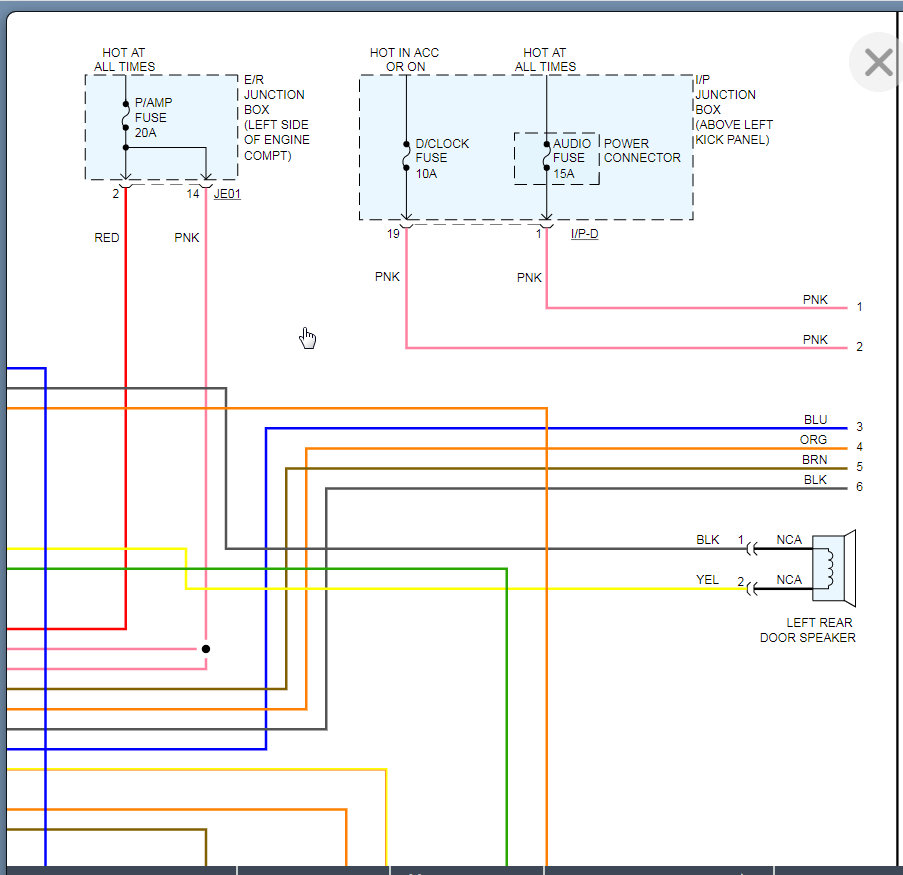
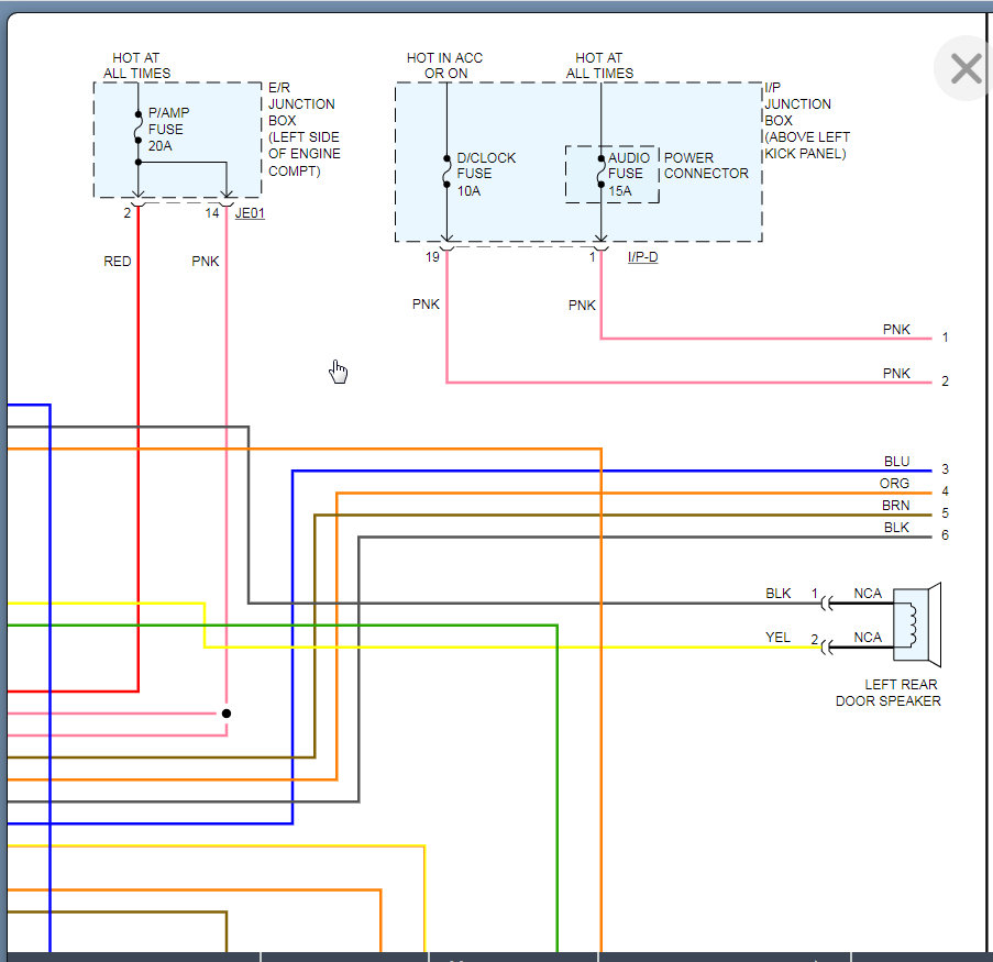
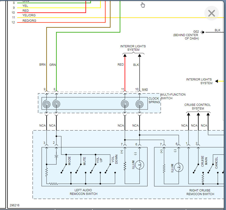
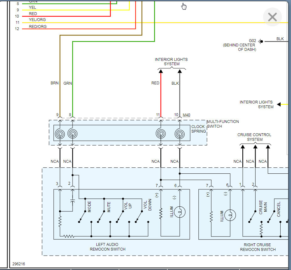
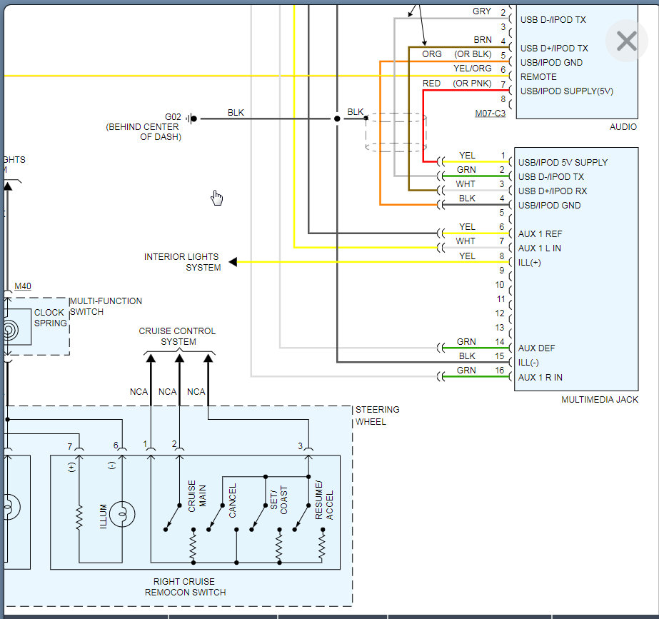
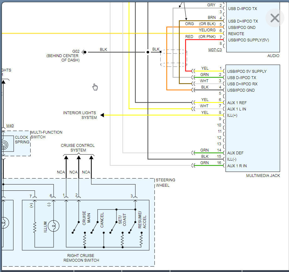
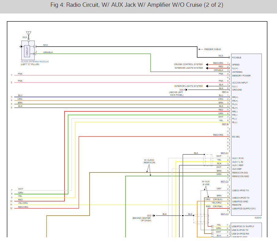
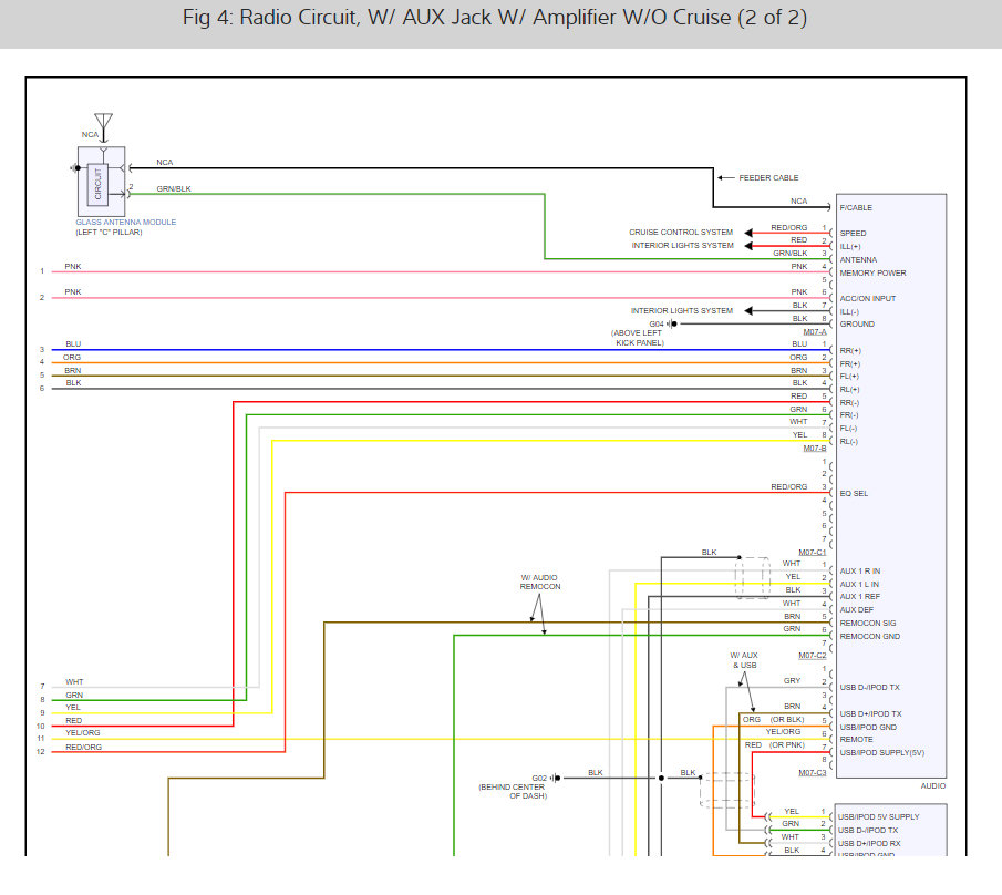
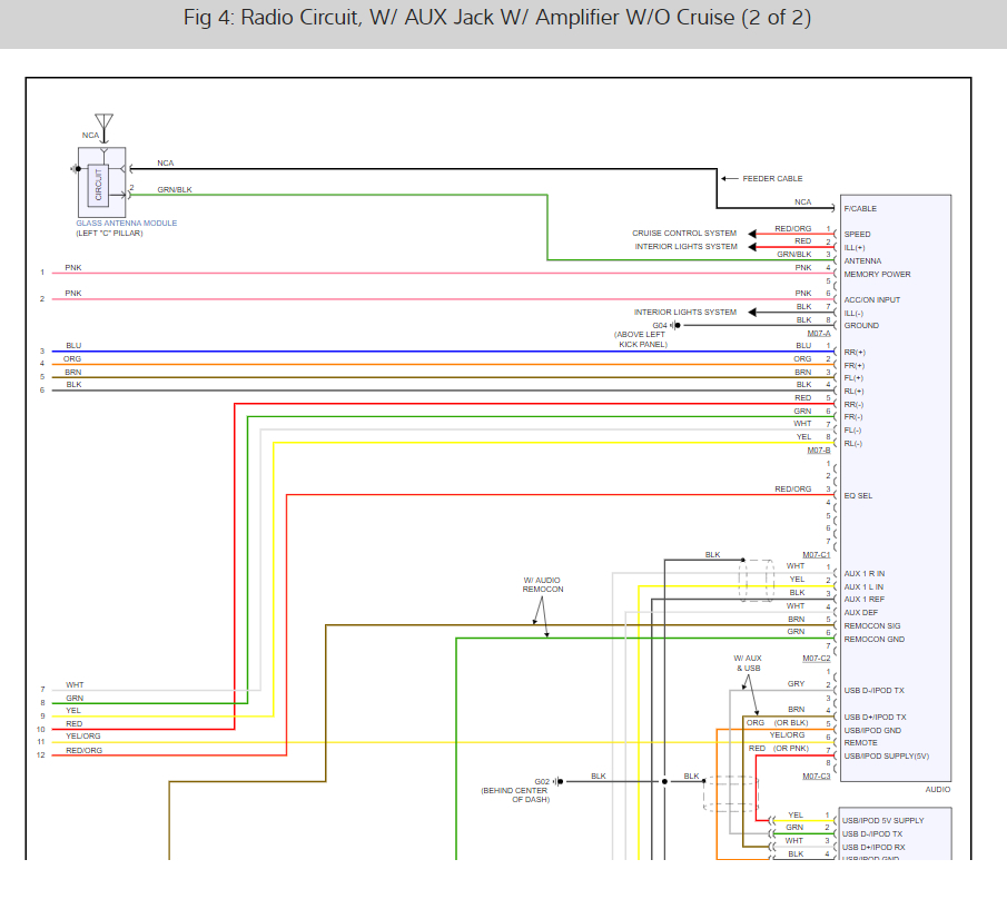
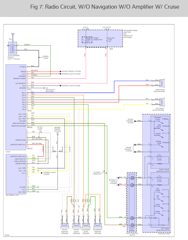
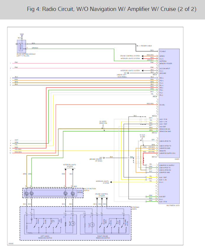
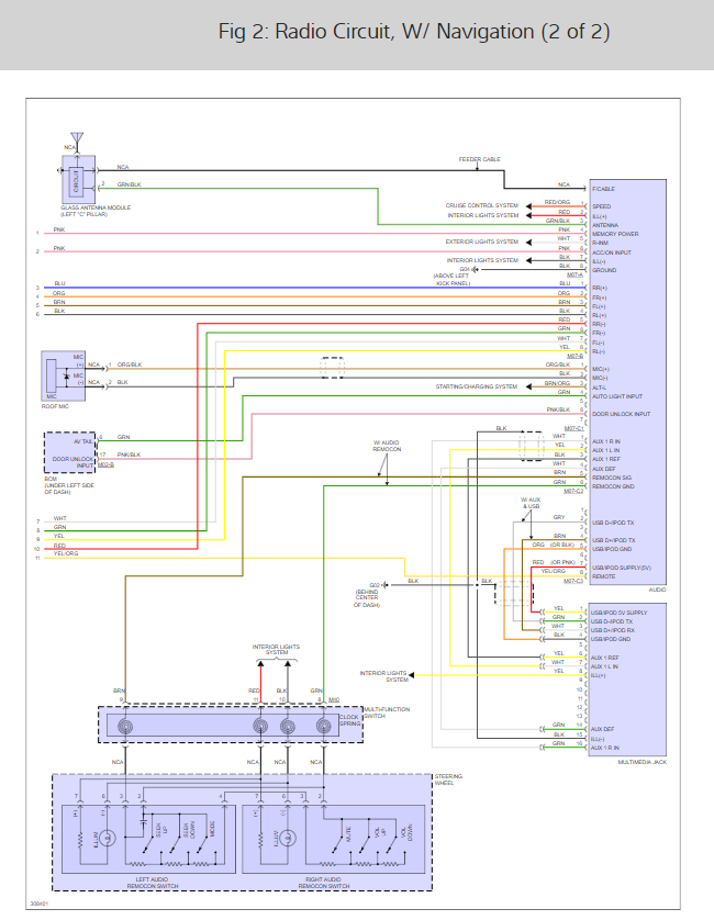
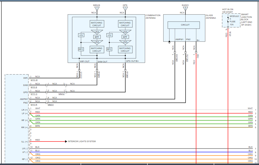
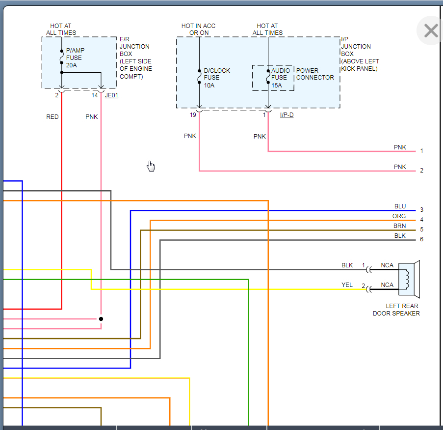
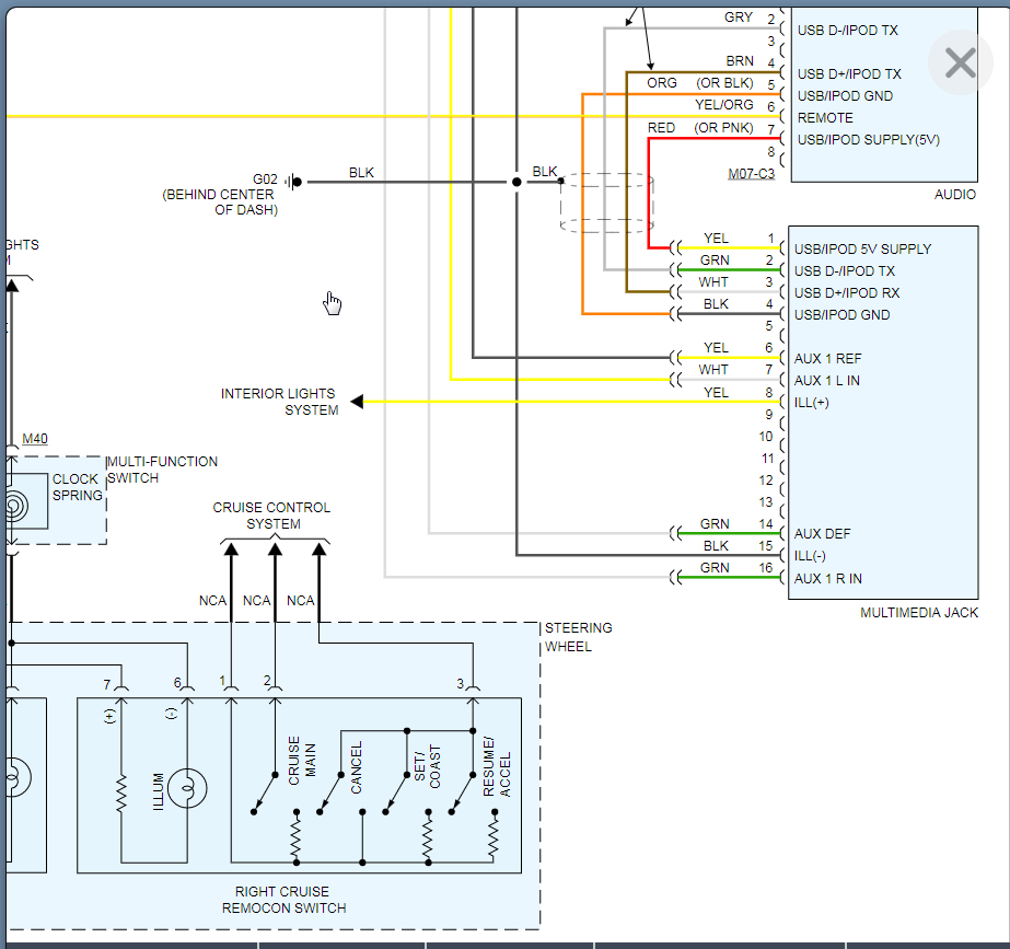
Car listed above is an SX with Harman/Kardon and sub woofer. Just looking to add subwoofers using a full range speaker.. I need the rear speakers wire colors.
Dec 28, 2020 at 1:57 PM






























































