radio cut power

2007 VOLVO S80
12,000 MILES • 3.2L • 6 CYL • AUTOMATIC
Avatar
MR MAVAS
  • MEMBER
  • 1 POST
My radio switch off after work for thirty seconds. If I switch off and switch on again the engine the power back and the radio play again. After thirty seconds he switch off again. But he only switch off the radio not the display all. I see the fuses box and are all good. Some help please.
Mar 19, 2017 at 5:15 AM
Advertisement
Avatar
STRAILER
  • CERTIFIED EXPERT
  • 53,854 POSTS
Hello,

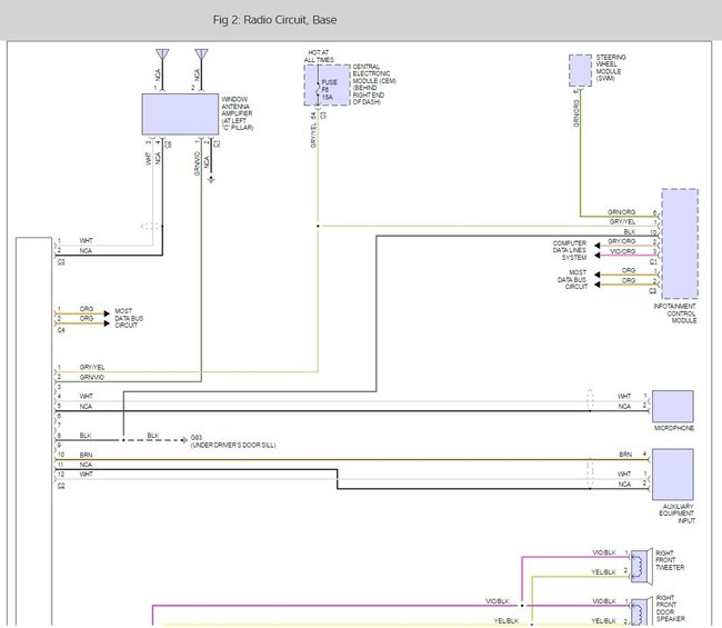
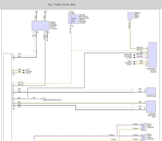
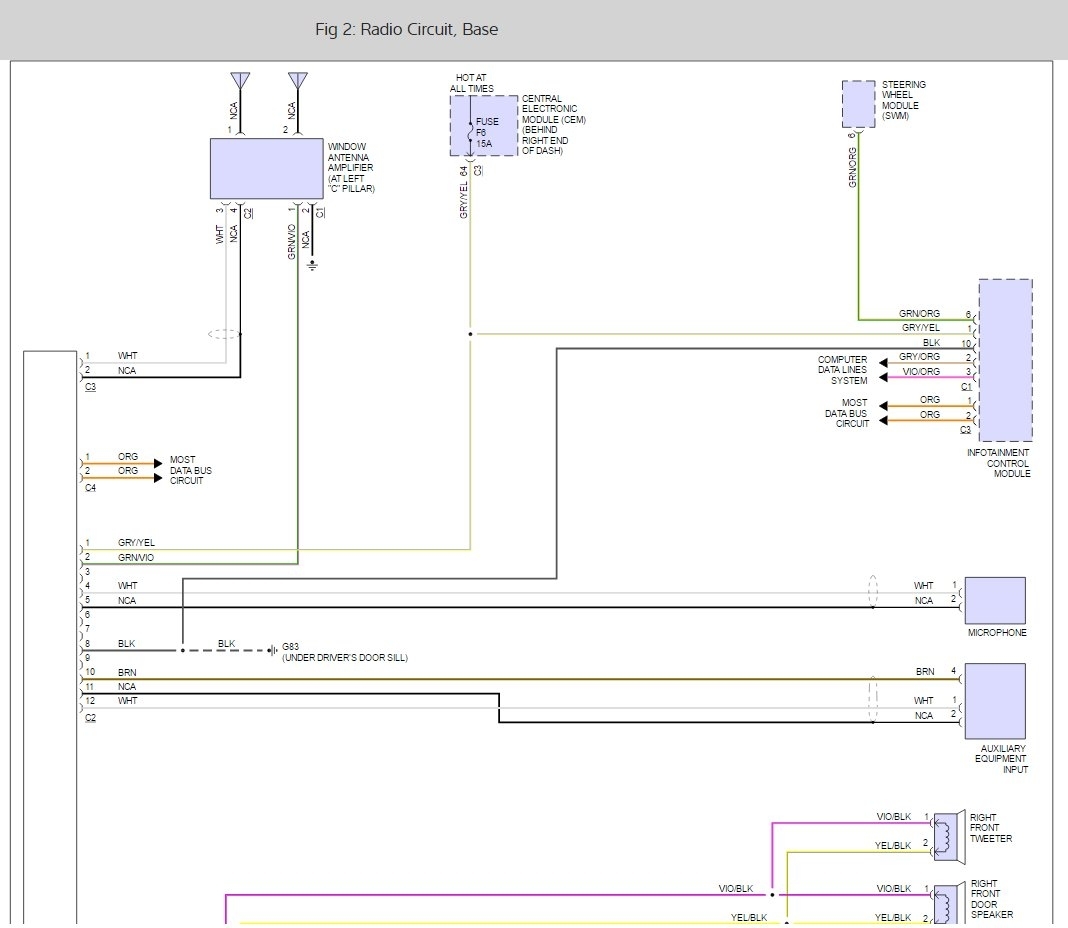
Is sounds like the amplifier is shorting out when it gets hot, but to be sure please check the fuse, here is a wiring diagram to help you do some testing.

Please let us know what happens.

Best, Ken
Mar 22, 2017 at 4:31 PM