climate control is not working?

2015 FORD TAURUS
114,020 MILES
Avatar
JACKIE73
  • MEMBER
  • 1 POST
My heated seats don't work and my remote start is not working, but the back up camera sensor still beeps. all other electrical stuff works on the car could these problems be the result of a bad control module? When a diagnostic check was completed it stated no power to the fuses in the center console area.
Jul 2, 2019 at 10:53 AM
Advertisement
Avatar
STRAILER
  • CERTIFIED EXPERT
  • 53,854 POSTS
The CAN scan did not pick up any codes? Here is a video of the job being done:

https://youtu.be/InIlnsjOVFA

We need to check for fuses and accessory delay relays first which these guides will help with and the fuse diagrams and power relays are below the guides:

https://www.2carpros.com/articles/how-to-check-a-car-fuse

and

https://www.2carpros.com/articles/how-to-check-an-electrical-relay-and-wiring-control-circuit

Check out the diagrams (below). Please let us know what you find. We are interested to see what it is.
Jul 3, 2019 at 2:12 PM
Avatar
VSOHMEN
  • MEMBER
  • 2 POSTS
The HVAC system is not turning on?
Jul 28, 2021 at 11:21 AM (Merged)
Advertisement
Avatar
ASEMASTER6371
  • CERTIFIED EXPERT
  • 52,796 POSTS
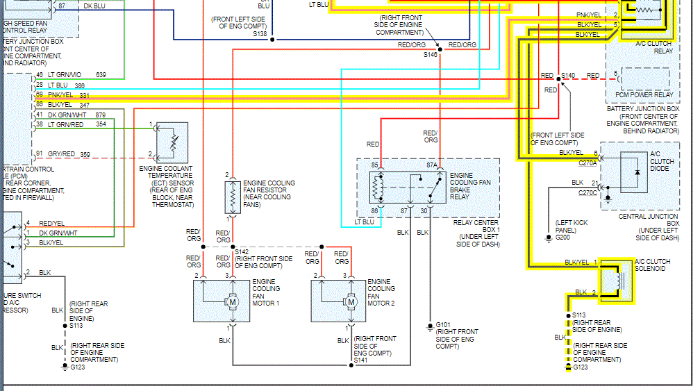
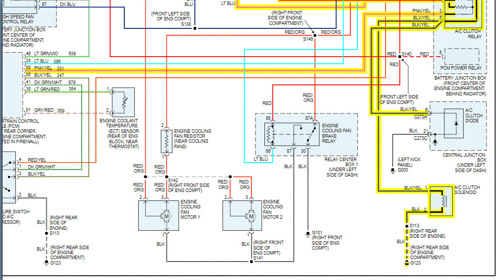
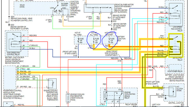
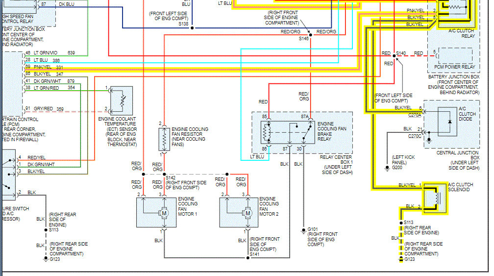
Does the control head light up? I attached the wiring diagram for the clutch. Check the 2 fuses I circled for power on both sides.

https://www.2carpros.com/articles/how-to-check-a-car-fuse

and

https://www.2carpros.com/articles/how-to-check-an-electrical-relay-and-wiring-control-circuit

Check out the diagrams (Below). Let us know what happens and please upload pictures or videos of the problem.
Jul 28, 2021 at 11:21 AM (Merged)
Avatar
VSOHMEN
  • MEMBER
  • 2 POSTS
Please let me know:
1. The location of fuses for the HVAC system for car listed above SES.
2. The milliamperes for the above fuses.
3. The color code (orange/red/blue?) for the above fuses.
Thank you!
--vsohmen
Jul 28, 2021 at 11:21 AM (Merged)
Avatar
ASEMASTER6371
  • CERTIFIED EXPERT
  • 52,796 POSTS
Okay,

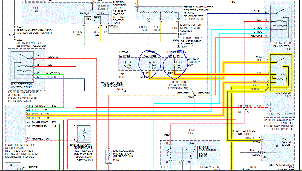
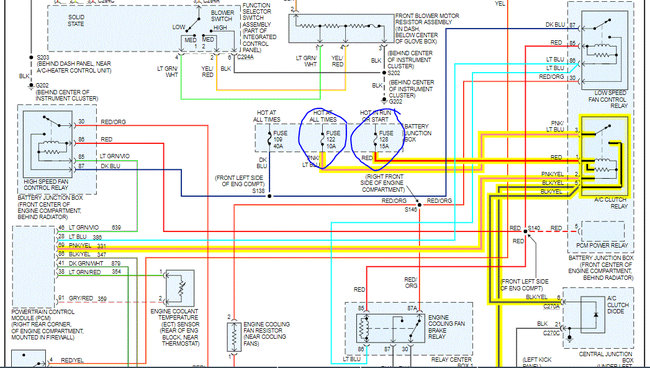
1. Under the hood in the fuse block. I attached a picture and the fuse locations by number.

2. The fuses are marked in the diagram I posted previously with the amp. they are both 10 amps. Fuse numbers 122 and 128.

3. Red is the color of 10 amp fuses. You can get them at any parts store.

Roy
Jul 28, 2021 at 11:21 AM (Merged)