Radio, cigarette charger, digital clock not working

1991 MAZDA PROTEGE
55,000 MILES • 1.8L • 4 CYL • 2WD • MANUAL
Avatar
MCHADWICK05
  • MEMBER
  • 2 POSTS
Just purchased this car with minor electrical issues. Radio, cig, and clock have no power at all. Could this all be attributed to fuses, or could a larger problem be the cause?
Oct 1, 2019 at 6:49 PM
Advertisement
Avatar
JIS001
  • CERTIFIED EXPERT
  • 3,412 POSTS
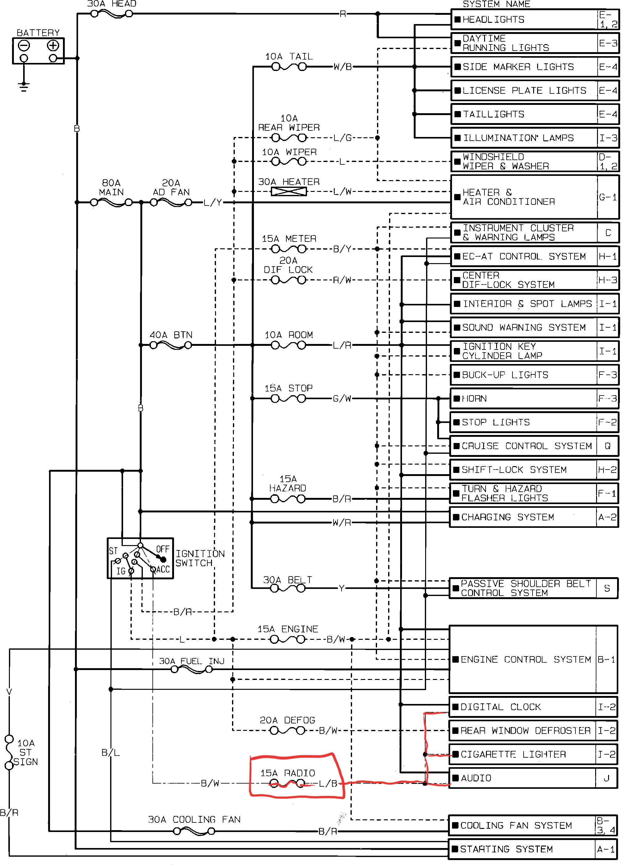
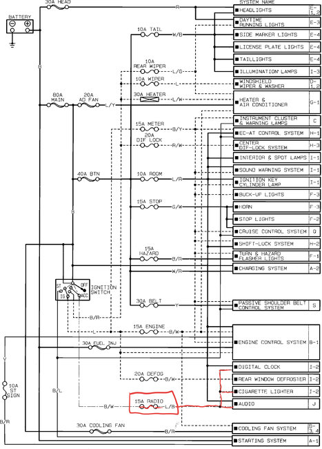
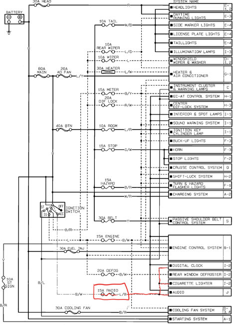
Hello and welcome to 2CarPros. The answer looks to be yes. Check the 15A fuse (radio) on the driver side. The fuse powers all 3. Replace that fuse first. Check out the diagrams (Below). Please let us know if you need anything else to get the problem fixed.
Oct 1, 2019 at 10:22 PM