Radio antenna base (mount)

1983 GMC S15
140,740 MILES • 2.8L • V6 • 2WD • AUTOMATIC
Avatar
PILOTBILL
  • MEMBER
  • 86 POSTS
Hello, I have a question for you. I have a small pickup listed above. The pickup’s radio antenna broke off from the antenna base. I need to replace the antenna cable wire and base, but none of my repair manuals show how to get to the antenna mount. The radio antenna and mount and cable wire is built into right front fender (back end of fender). I cannot find any way to get to the antenna base and cable. I have looked under the hood and open the right side door and I still cannot find a way to get to where the base and cable are. I need your help. If you have any pictures of how to do this repair, plus step by step instructions.

Thank you,
Bill Hewitt
Oct 13, 2018 at 9:28 AM
Advertisement
Avatar
JACOBANDNICKOLAS
  • CERTIFIED EXPERT
  • 110,175 POSTS
Hi and thanks for using 2CarPros.com.

I was unable to find anything that lists step by step. However, I will do my best to explain.

First, there are three parts to this assembly, the mast, top mount (exterior of the fender) and under that (cannot be seen is a threaded mount which is not welded to the fender).

What you need to do is remove the inner fender to access the threaded mount while you turn the top mount to loosen. The two parts will come apart for removal. Once apart, remove both items. New ones should be included with the new antenna.

I wish I could do better for you. If you look on line for universal replacements, you will see how the two parts bolt together. The worst part is you cannot get to it until the inner fender is removed.

Let me know if this helps.

Joe
Oct 13, 2018 at 8:37 PM
Avatar
PILOTBILL
  • MEMBER
  • 86 POSTS
Thank you very much. When you say inner fender, do you mean the metal cover that you see up under the fender when you take a tire off that runs from under the front of the fender to the back of the fender?
Oct 14, 2018 at 6:32 AM
Advertisement
Avatar
JACOBANDNICKOLAS
  • CERTIFIED EXPERT
  • 110,175 POSTS
Hi again:

That is the only way I was ever able to do it. If I recall on the early year trucks, there are two (approximately 8mm) bolts you will find under the hood in line with the antenna. On some of these trucks, that is what held the mount in place, so check for that too.

Let me know what you find.

Joe
Oct 14, 2018 at 4:39 PM
Avatar
PILOTBILL
  • MEMBER
  • 86 POSTS
Can you tell me how to remove the inner fender on my pickup (step by step please)? Just a couple of days ago I asked how do I remove a broken radio antenna base. The person that answered my question, tell me that I would have to remove my inner fender (front right) in order to be able to replace the broken radio antenna base. My repair manual that I have for the pickup does not even show how to remove a fender. Please help, thank you.
Oct 14, 2018 at 6:22 PM (Merged)
Avatar
PATENTED_REPAIR_PRO
  • CERTIFIED EXPERT
  • 1,853 POSTS
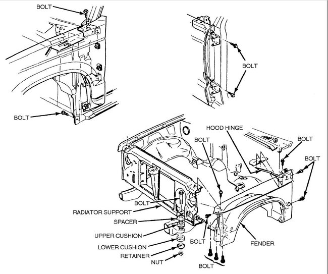
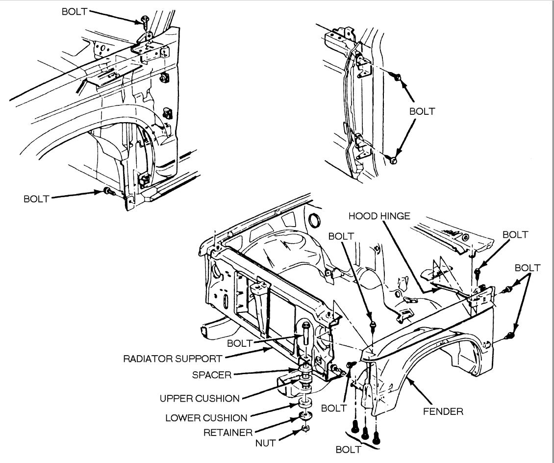
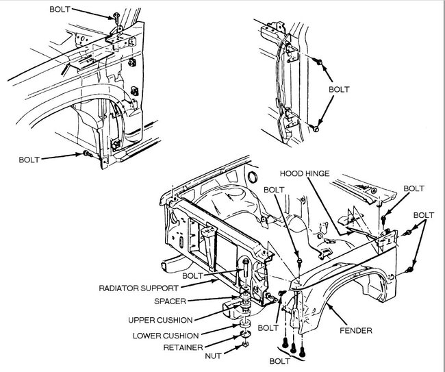
I have instructions for the entire fender it appears.
Oct 14, 2018 at 6:22 PM (Merged)