☰
Login
Join
×
Home
Answered Questions
Repair Topics
Repair & Service Guides
Popular Questions
Warning Lights
Trouble Codes
How It Works
Testing / Diagnostics
Symptoms
Videos
Login
Become a Member
Home
Subaru
Outback
Interior
Radio
Not Working
Radio and wipers sometimes do not work
2002 SUBARU OUTBACK
170,000 MILES • 2.5L • 4 CYL • 4WD • AUTOMATIC
ADLEONORI
MEMBER
1 POST
FOLLOW
When I start the car it may take a while for the radio and wipers to work, sometimes a long while. What could be the problem?
Nov 29, 2018 at 8:11 AM
Advertisement
STRAILER
CERTIFIED EXPERT
53,854 POSTS
Hello,
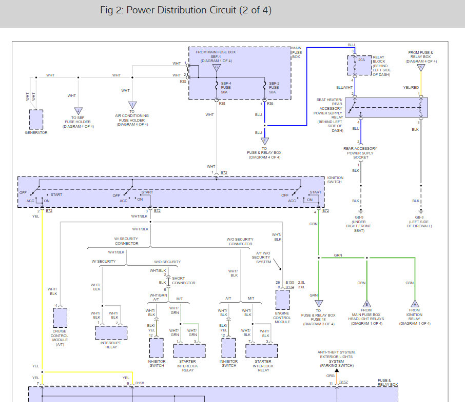
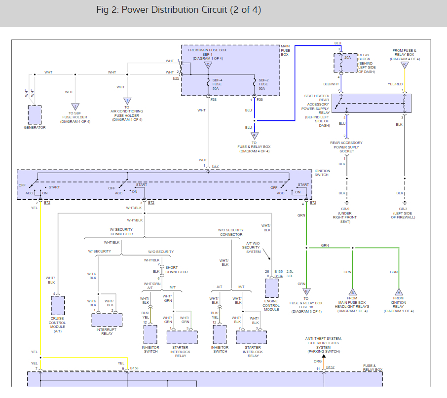
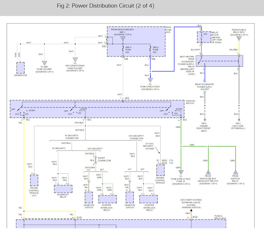
It sounds like the ignition switch is going bad. To be sure here is a guide and the wiring diagrams to help us confirm the fault:
https://www.2carpros.com/articles/how-to-check-wiring
Check the yellow wire for power with the key on. Check out the diagrams (below). Please let us know what you find. We are interested to see what it is.
Cheers, Ken
Images (Click to enlarge)
Nov 30, 2018 at 2:53 PM