Radio and touchscreen not working?

2017 VOLKSWAGEN PASSAT
100,000 MILES • 1.8L • 4 CYL • TURBO • 2WD • AUTOMATIC
Avatar
ALEX2004789
  • MEMBER
  • 1 POST
My radio doesn’t work, I can’t hear music, just a black screen, it turns on and off to the welcome screen but that’s it. Do you think it could be a blown fuse and if it is which fuse is it? Thanks
Jun 12, 2023 at 2:23 PM
Advertisement
Avatar
STRAILER
  • CERTIFIED EXPERT
  • 53,854 POSTS
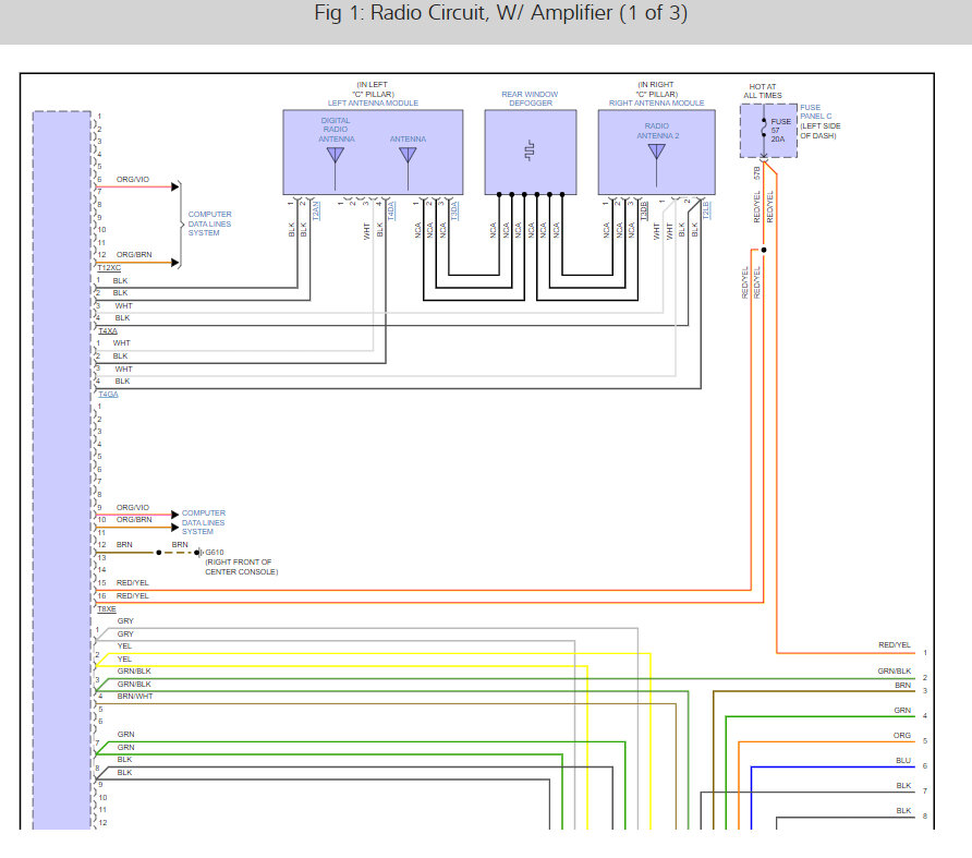
Yes, I would check the fuses #4 and #57 in the fuse panel C which is on the left side of the dash and fuse #31 in the fuse panel B which is under the hood.

Here is a guide to help:


https://www.2carpros.com/articles/how-to-check-a-car-fuse

Check out the images (below). Please let us know what happens. Here are the radio wiring diagrams so you can see how the system works.
Jun 13, 2023 at 6:27 PM