Radio and speaker colors wiring diagram needed

2008 DODGE NITRO
200,000 MILES • 3.7L • 6 CYL • 2WD • AUTOMATIC
Avatar
JOHN STOKES SR.
  • MEMBER
  • 1 POST
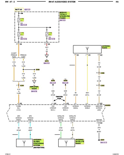
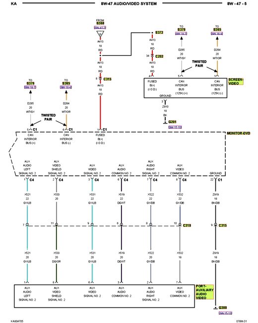
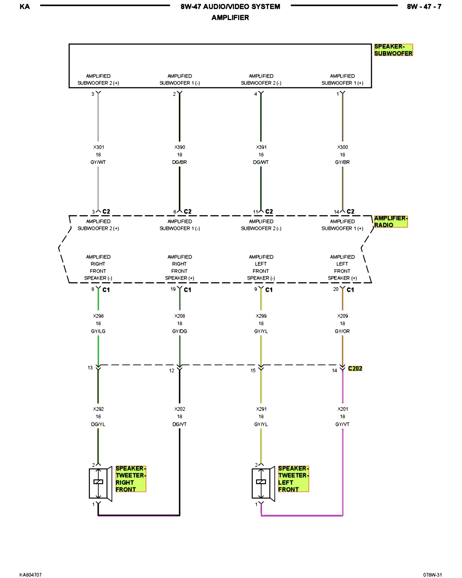
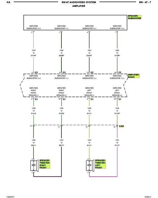
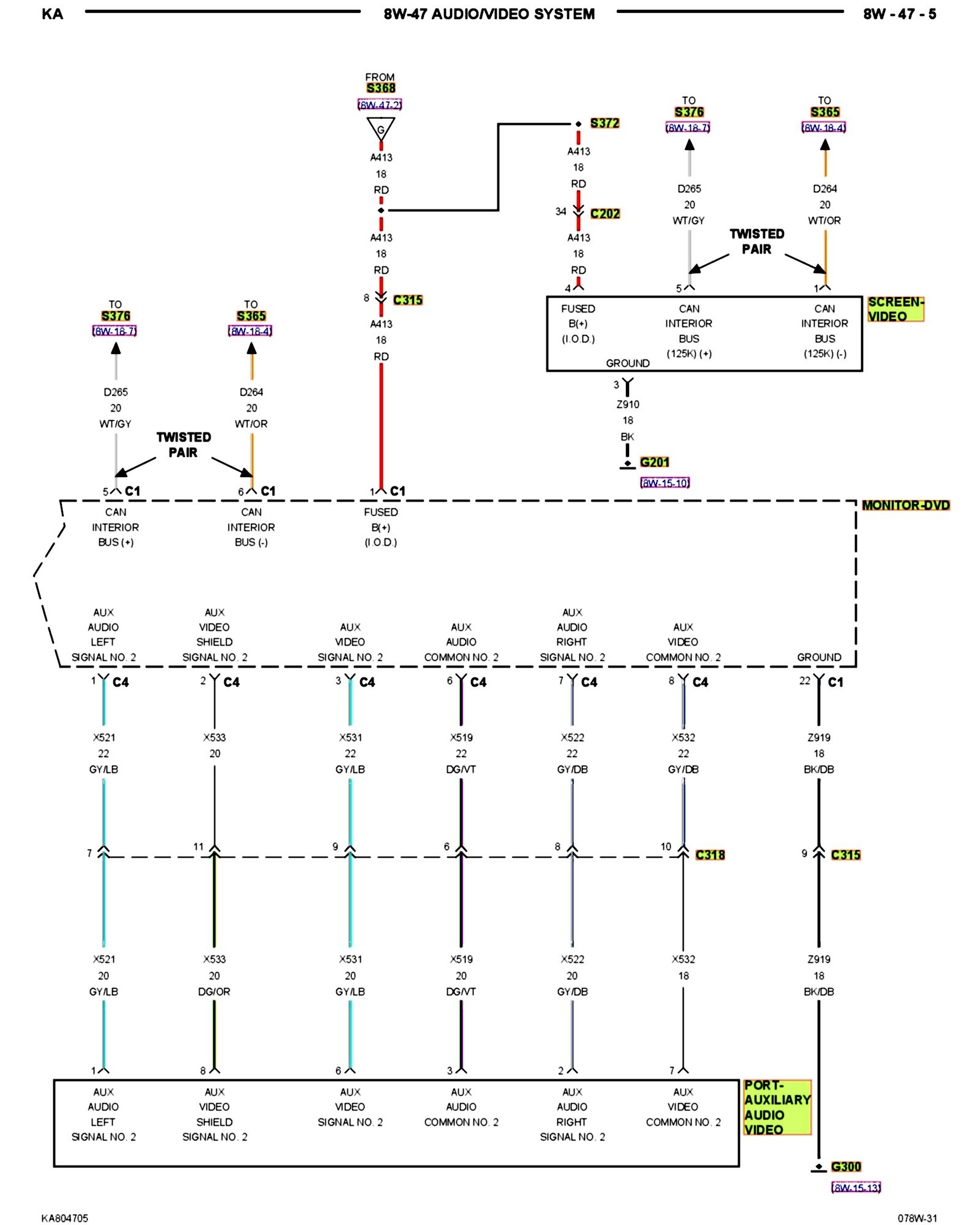
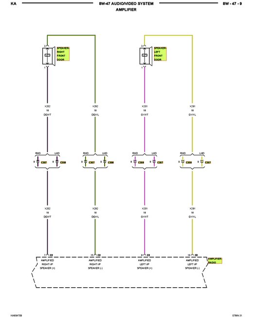
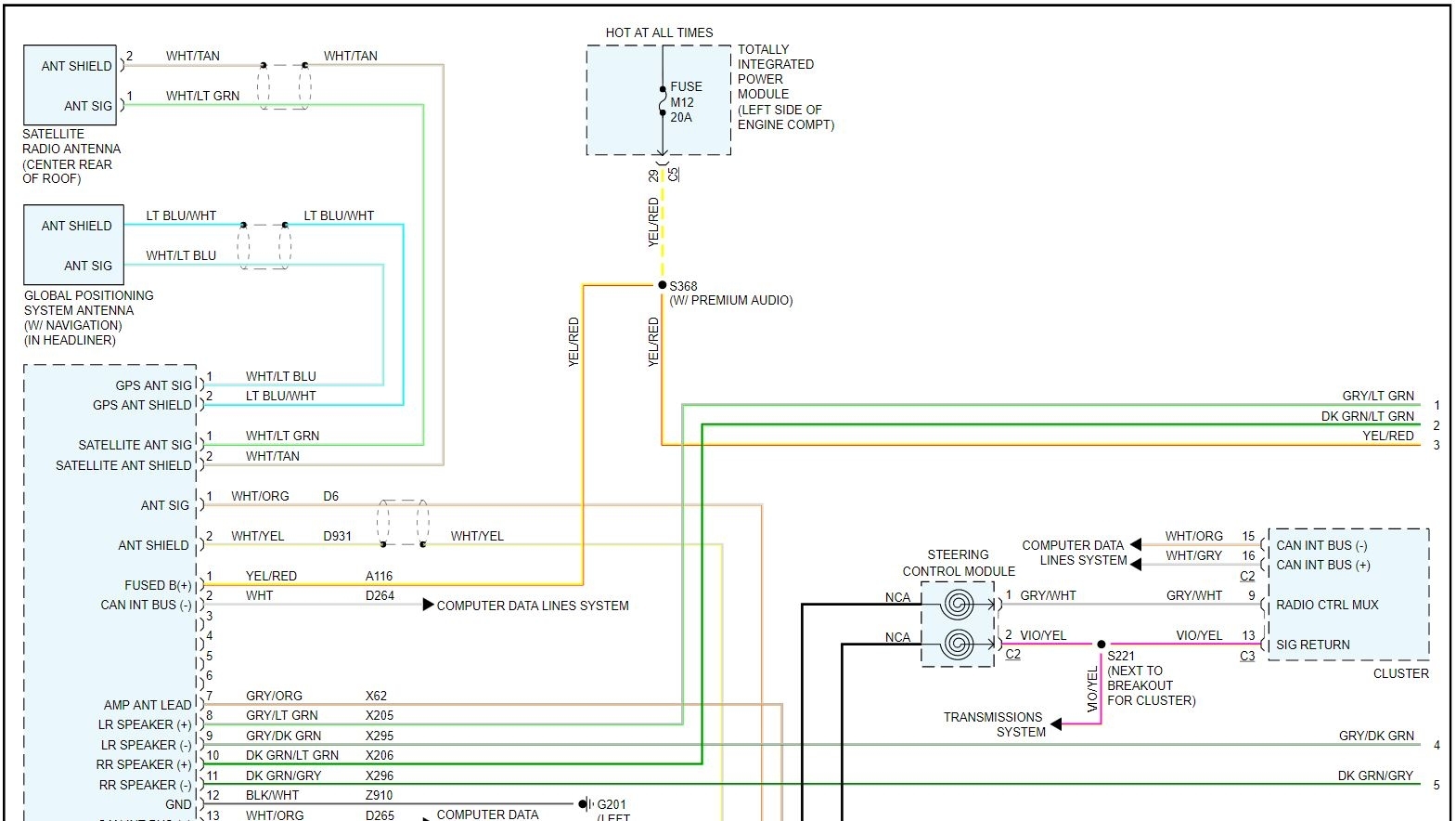
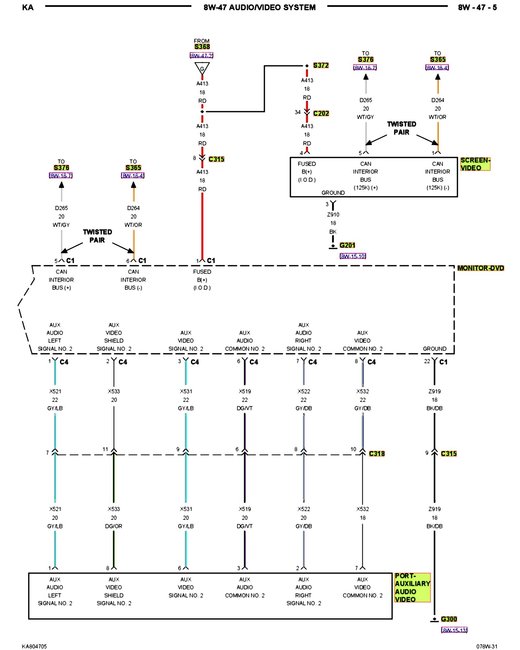
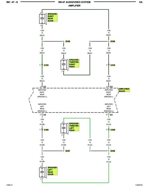
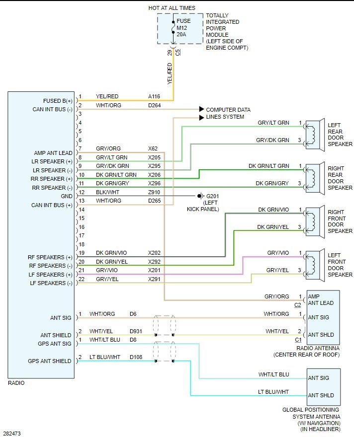
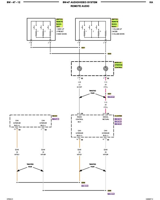
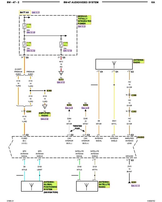
My radio was stolen and they cut my harness. I would like to hardwire it all in but cannot figure color code out. please help!!
May 7, 2021 at 2:59 AM
Advertisement
Avatar
STEVE W.
  • CERTIFIED EXPERT
  • 15,113 POSTS
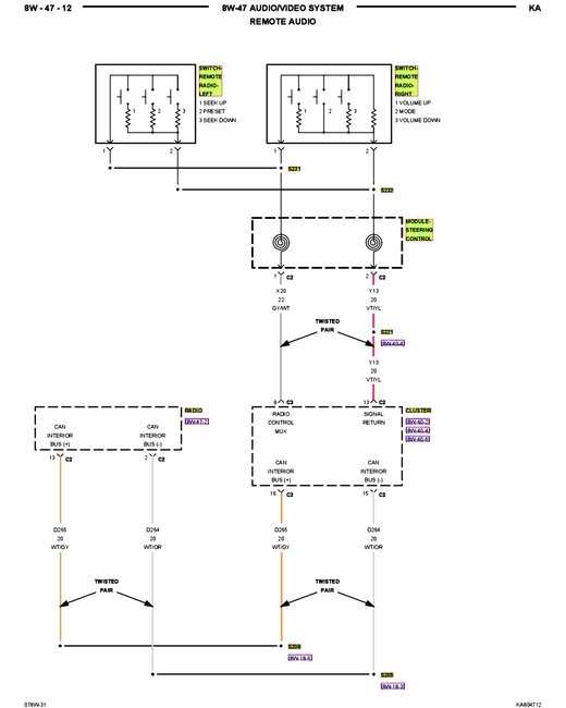
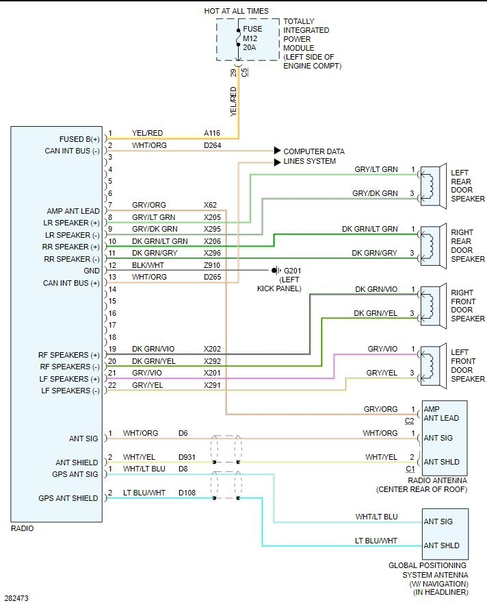
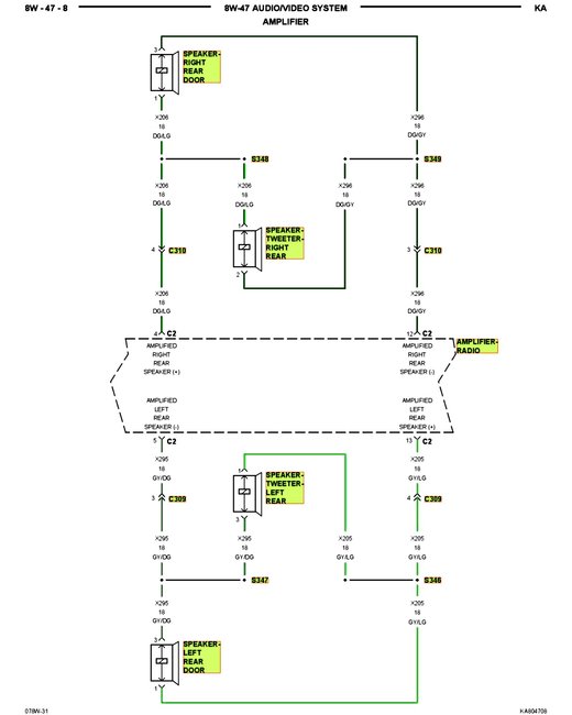
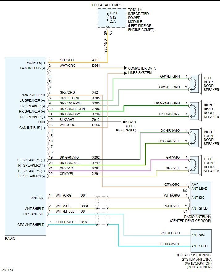
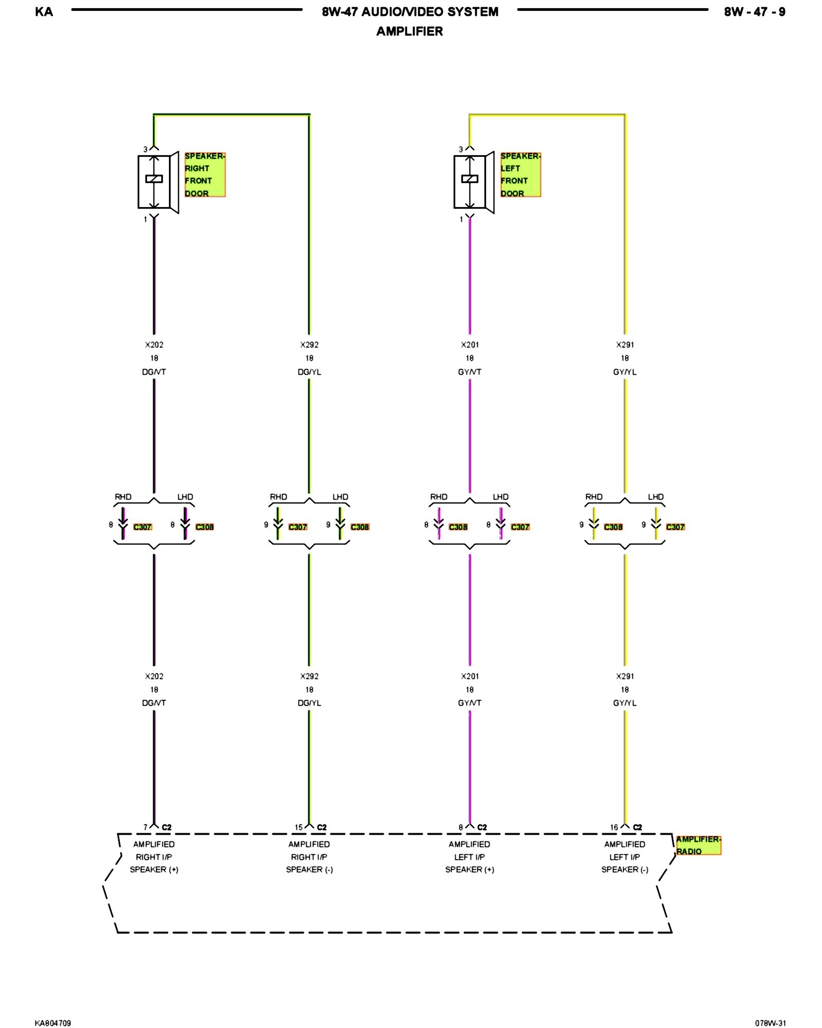
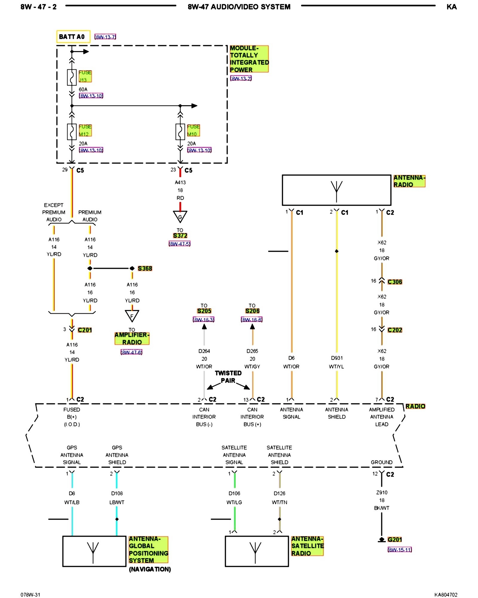
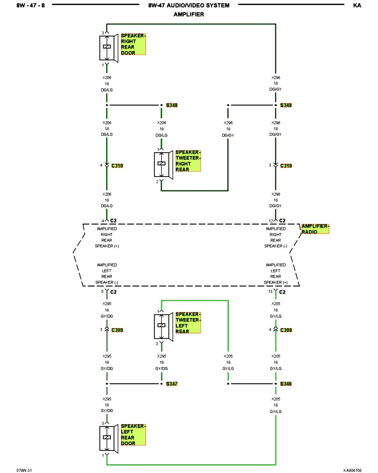
I attached the base radio (first image) and the up level version last 6. Depending on what you are replacing it with you may or may not use all of the OE wiring. I would probably say the better idea would be to visit a salvage yard and get the OE style plugs and some of the harness and repair the harness that way. That way all the factory items work if you use an OE unit, and if you use an aftermarket one the adapter harness would be a plug in item instead of needing to track all the wires.
May 7, 2021 at 3:23 AM
Avatar
HARRY P
  • CERTIFIED EXPERT
  • 2,292 POSTS
Hello. I think these are what you're looking for. Looks like you're in for a job. Hope it helps. Let us know if you need anything else.

Edit: I would have to agree with Steve. The easiest way to do this would be to get the OE pigtail and wire it up. Simply match colors and you'll be golden. Then if you want to add an aftermarket radio, just get the adapter from Amazon or wherever else and plug and play.
May 7, 2021 at 3:38 AM
Advertisement