Radio and seat belt chime do not work?

2004 ISUZU ASCENDER
134,000 MILES • 6 CYL • 2WD • AUTOMATIC
Avatar
LAS116
  • MEMBER
  • 4 POSTS
Hi,

The radio on my vehicle doesn't work. For a while it would work intermittently, some days it would be fine, others it wouldn't work. And now for a few weeks it hasn't worked at all. Along with the radio the seat belt chime doesn't work, as well as the chime that should come on when the driver's side door is opened with the key still in the ignition. I've checked the radio fuse and it's still good, and when I put the fuse back in a chime sounded, so I also know the speakers work.
I do have an aftermarket radio, however, because it doesn't light up or anything I suspect there is no power to the unit, and the unit itself isn't the issue.
Any help or ideas would be appreciated, thanks!
Apr 13, 2024 at 5:17 PM
Advertisement
Avatar
STEVE W.
  • CERTIFIED EXPERT
  • 15,113 POSTS
The chimes come through the radio unit so if it isn't working you won't have the chimes. From the description it sounds like there is a failure in the radio itself. Not uncommon with equipment that isn't OE in an import. Hearing the chime when the fuse goes in sounds like the failure is in the radio itself as the power works long enough to charge a capacitor or activate a chip and then it stops again. Testing it would be to remove the unit and power it up on a bench and see if it works that way. The problem is that you need to look up the wiring for the aftermarket unit, that way you can see if the unit has 2 fuses or not. Many aftermarket units have one for main power and one for battery back-up. You would need to figure out how yours was installed and go from there as installers tend to use less than OE lever methods.
Apr 13, 2024 at 6:07 PM
Avatar
LAS116
  • MEMBER
  • 4 POSTS
Thanks for your reply Steve.
So you suspect that everything with the car is fine?
The radio is one of those that just clips right off when you push the release tab in the corner. I'm not sure I have what I'd need to be able to power it up outside of my car. But maybe I'll look into what a new one would cost and if I could buy one to test it out.
Apr 13, 2024 at 6:20 PM
Advertisement
Avatar
STEVE W.
  • CERTIFIED EXPERT
  • 15,113 POSTS
That would be the faceplate. The radio itself would be a box mounted behind it. The idea was that you could pop the faceplate off the radio and thieves would leave it alone. Didn't really work as most people didn't take the face with them when they got out.
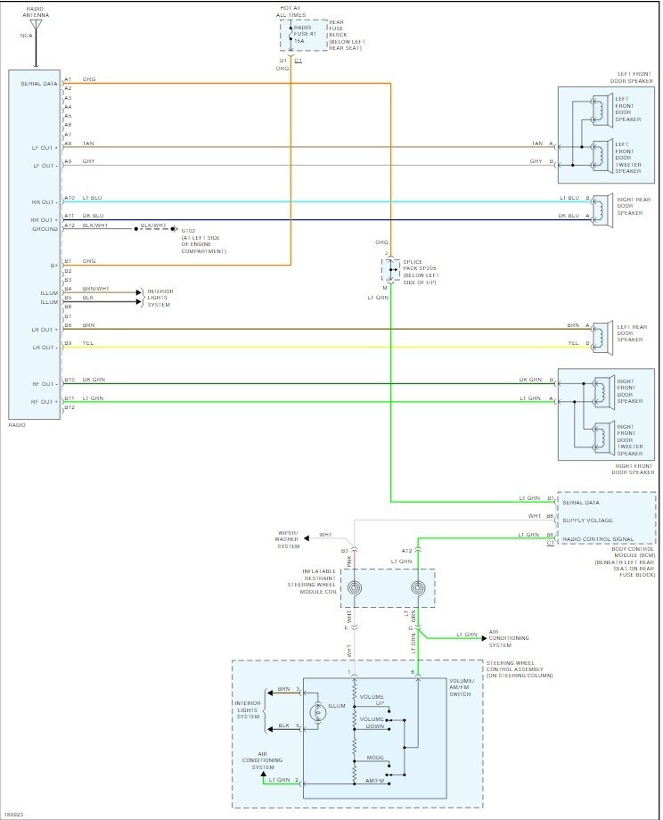
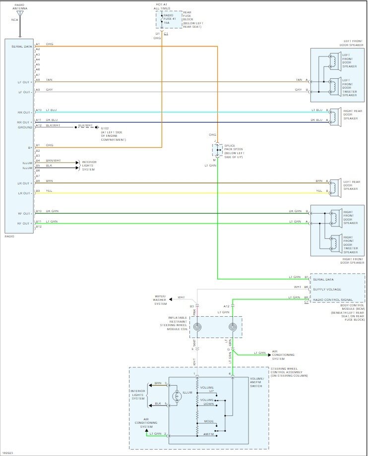
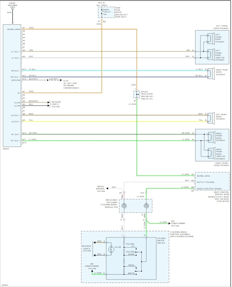
I would start by looking up the model of the radio, might have it printed on the faceplate. Then see if you can find the install instructions and wiring for that unit. That would tell you if it has more than one power feed as I suspect it does. If you really want to dig around go to crutchfield.com and enter your vehicle info and they will show you all the bits needed to install a replacement unit. You could have all the modern things in there with a newer unit. Attached is the wiring for the base radio.
Apr 13, 2024 at 6:37 PM
Avatar
LAS116
  • MEMBER
  • 4 POSTS
Okay, I see. I'll look into that then. Thanks for your help.
Apr 13, 2024 at 7:13 PM
Avatar
STEVE W.
  • CERTIFIED EXPERT
  • 15,113 POSTS
Once you determine the model you have you could post the make/model and I could see if I can find anything that might help.
Apr 13, 2024 at 9:01 PM
Avatar
LAS116
  • MEMBER
  • 4 POSTS
The model is a Kenwood KDC-X598. I found a manual for it online. I'll look into how to take it out and take a look at the wires behind it in the next few days.
Here's the link to where I found the manual:
https://www.manua.ls/kenwood/kdc-x598/manual
Apr 13, 2024 at 9:10 PM
Avatar
STEVE W.
  • CERTIFIED EXPERT
  • 15,113 POSTS
Okay, it looks like there is a fuse in the back of the unit and that it does have 2 power feeds. (Yellow to a constant power and red to a switched power) Hopefully the issue is that one of those or the ground are the problem.
Apr 13, 2024 at 9:55 PM