Radio and Navigation functionality lost

2012 ACURA MDX
115,500 MILES • 3.7L • V6 • 4WD • AUTOMATIC
Avatar
HENZ08
  • MEMBER
  • 1 POST
Radio and Navigation suddenly stopped working. Navigation screen only works when put in reverse, camera view. Checked radio fuse, was okay, still replaced. This did not resolve. Aux connection in center console also not working. No additional electronic/electrical issue that I am aware of.

Thanks in advance.
Oct 8, 2019 at 6:14 PM
Advertisement
Avatar
KASEKENNY
  • CERTIFIED EXPERT
  • 18,907 POSTS
Hi,

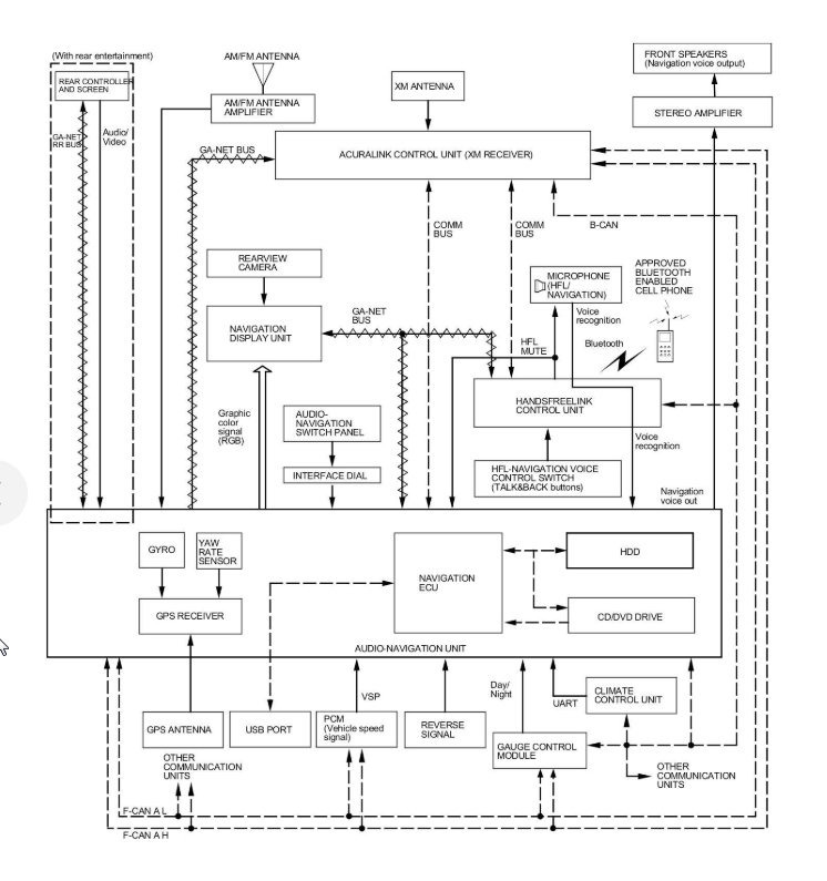
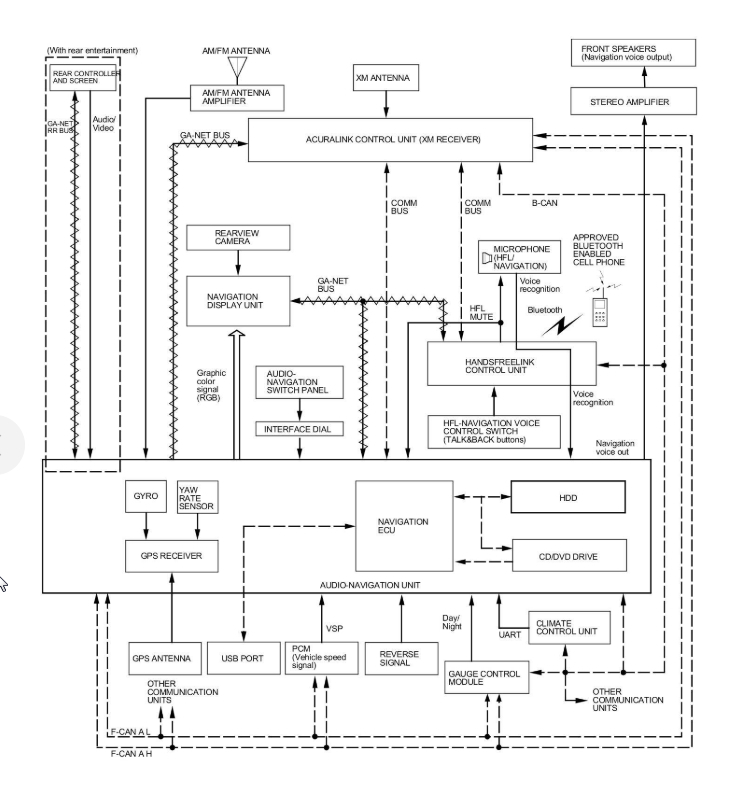
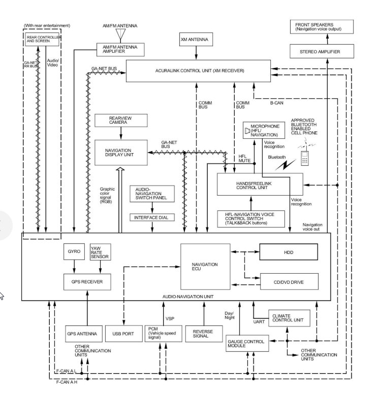
Unfortunately, the systems that you are describing are all contained within the Audio/Navigation Unit. I included the wiring diagram but unless the dealer has a software update that will repair this, I don't see any other way to repair it other than replacing the unit.

Let me know if you have questions and we can go from there. Thanks
Oct 9, 2019 at 5:12 PM