Radio and clock stopped working

2002 TOYOTA 4RUNNER
194,000 MILES • 6 CYL • 2WD • AUTOMATIC
Avatar
BUMP219
  • MEMBER
  • 5 POSTS
Hello! Both the radio and clock stopped working at the same time. When I went to start it up one day, neither would turn on.

I have checked all the fuses (including the 15A ACC on the inside) and they are in working order. Any other ideas?

Thank you in advance!
Aug 15, 2019 at 1:50 PM
Advertisement
Avatar
BMDOUBLE
  • CERTIFIED EXPERT
  • 1,139 POSTS
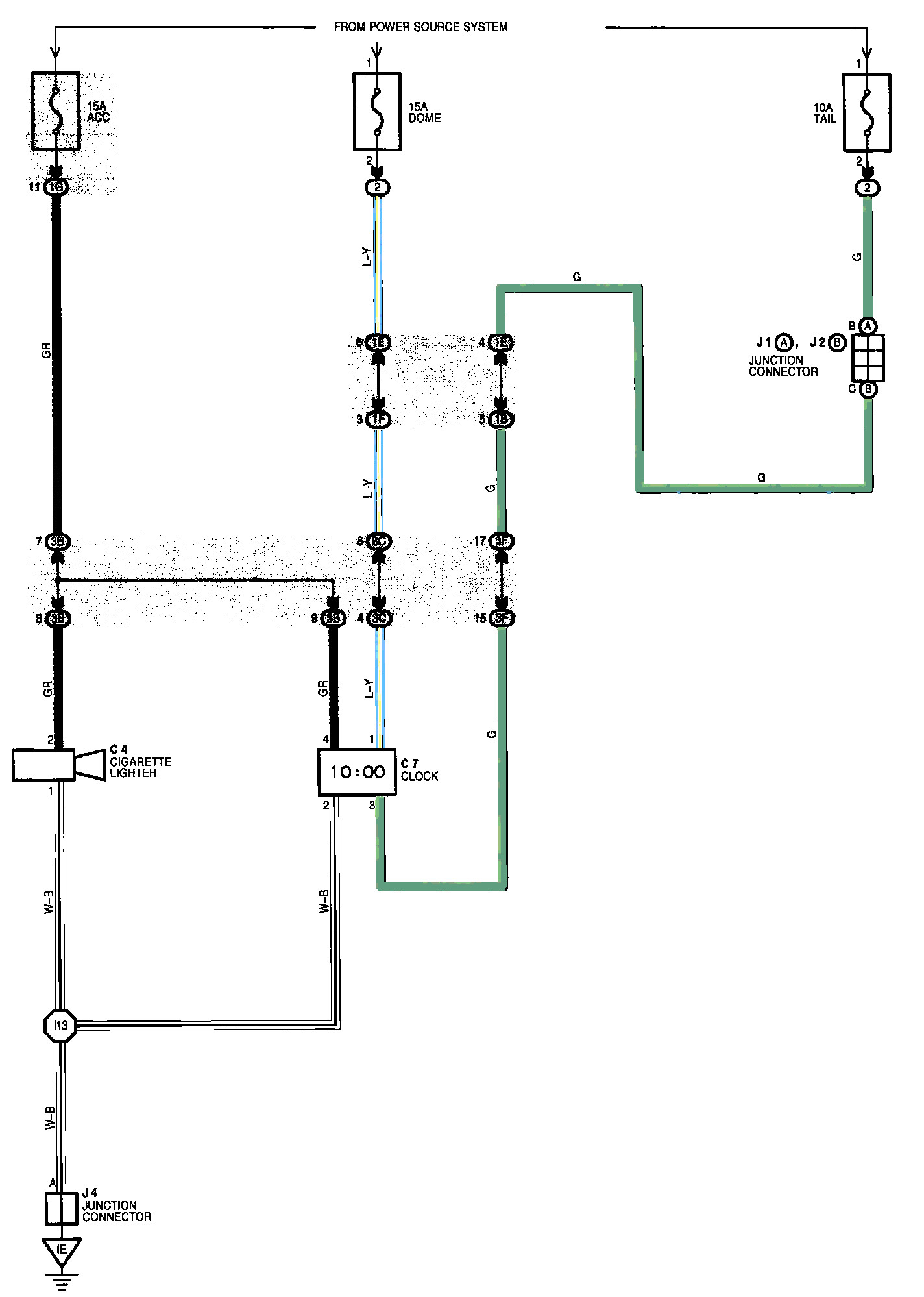
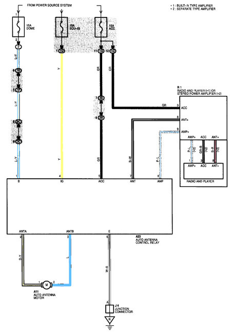
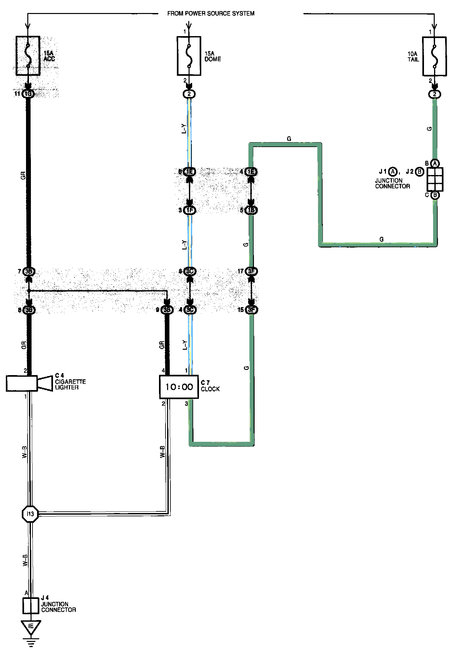
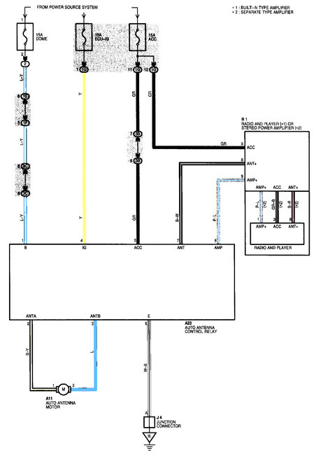
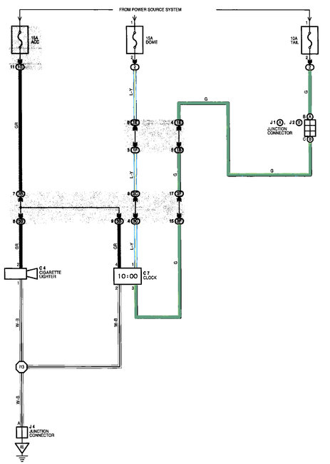
Does your cigarette lighter work? The lighter, clock, and radio have this fuse in common and usually the cigarette lighter is what blow the fuse from time to time. If the cigarette lighter does operate or if you have 12 volts available there then you will have to start digging deeper and check for power at the radio and clock. I'll include a diagram to help with that.
Aug 15, 2019 at 2:18 PM
Avatar
BUMP219
  • MEMBER
  • 5 POSTS
Thank you for the quick response!

The lighter does not work. Do I need to remove the radio to reach the fuse (that hopefully is blown causing all the parts to go out). Which of the diagrams is my best reference to find this fuse?
Aug 15, 2019 at 2:44 PM
Advertisement
Avatar
BMDOUBLE
  • CERTIFIED EXPERT
  • 1,139 POSTS
Here are the engine compartment and interior fuse box pictures. Just verify that you have 12 volts across them and replace if they are at all questionable.
Aug 15, 2019 at 3:39 PM
Avatar
BUMP219
  • MEMBER
  • 5 POSTS
I am ordering a current tester and will get back to you. Thanks!
Aug 15, 2019 at 3:49 PM
Avatar
BMDOUBLE
  • CERTIFIED EXPERT
  • 1,139 POSTS
Awesome! you're welcome!
Aug 15, 2019 at 5:11 PM
Avatar
BUMP219
  • MEMBER
  • 5 POSTS
Tester showed a blown 15A Dome fuse. Replaced with a new one and it immediately blew again (without radio or clock coming on). Tried twice. Noticed a little spark when I was putting them in and had not even turned the car on. Why would it keep blowing?

Also, the vehicle has no aftermarket stereo or speakers.
Aug 16, 2019 at 3:41 PM
Avatar
BUMP219
  • MEMBER
  • 5 POSTS
After some research about dome fuses, I found video that showed me which wire was the cause (blue with yellow stripe). I snipped that wire and it works!!

You helped me so much. I appreciate you!

Kim (44 year old Asian female)
Aug 16, 2019 at 4:59 PM
Avatar
BMDOUBLE
  • CERTIFIED EXPERT
  • 1,139 POSTS
Awesome! Good job! Your very welcome!
Aug 16, 2019 at 8:49 PM