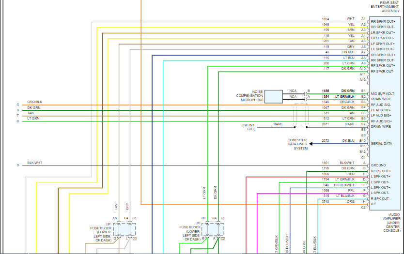
Hi, I have the vehicle listed above that has a parasitic draw. When I pull my stereo/amp fuse the draw goes away. I am wanting to know what all is involved in the wiring in this system. I had changed my amp already and it didn't make a difference.
Nov 5, 2020 at 2:52 PM







