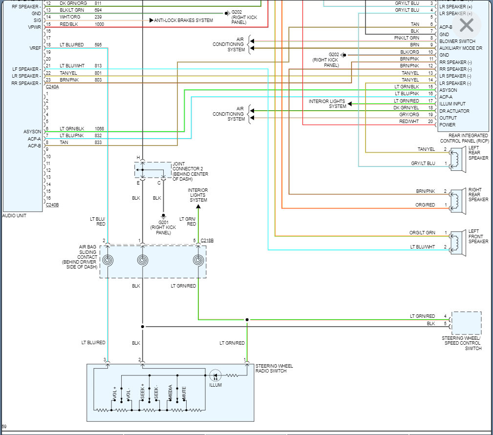
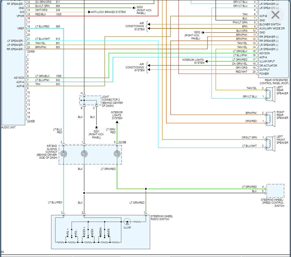
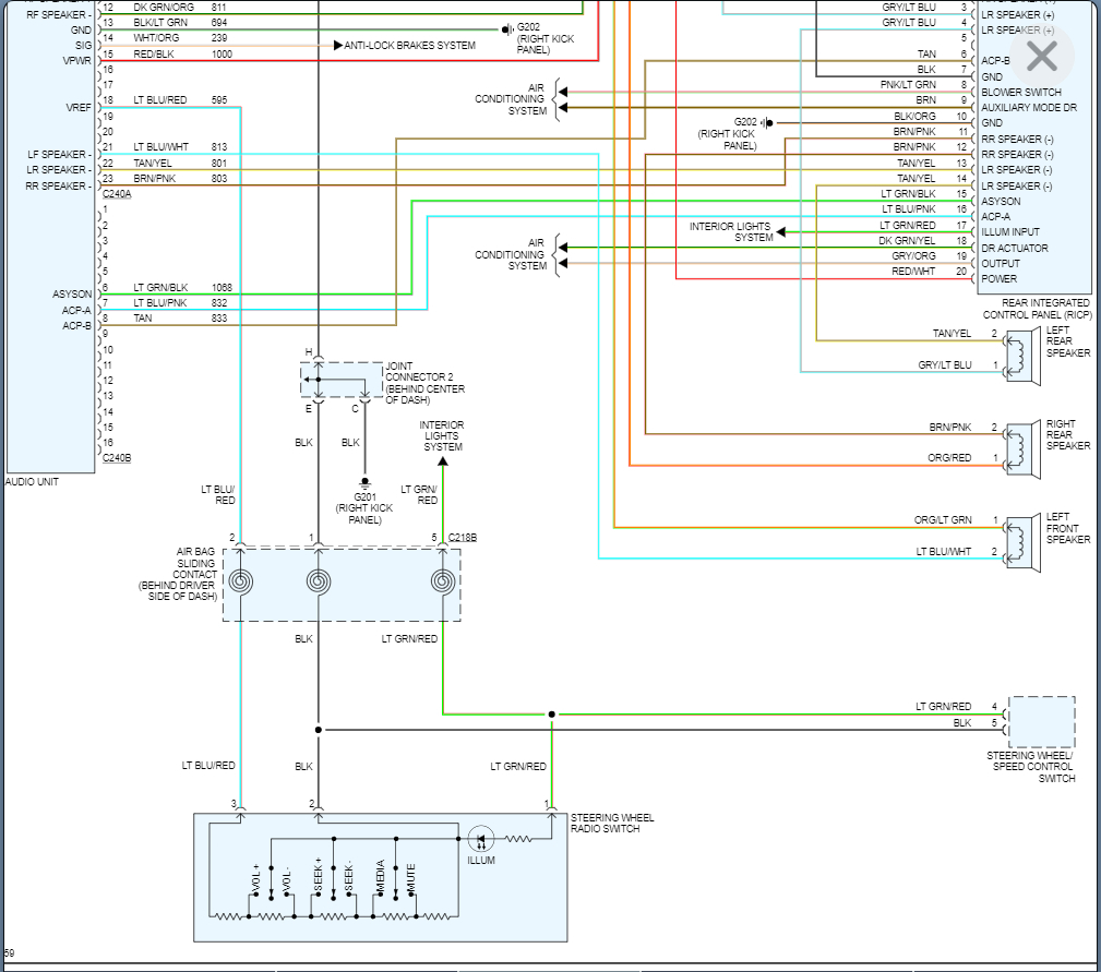
I cannot find a link or picture of the normal color diagram for the radio wire color van. I have found something different each time I have looked. I would like a picture of the normal color diagram for the radio.
Jun 9, 2018 at 5:58 AM

