Radio wiring diagram needed

2007 DODGE RAM
239,906 MILES • 4.7L • V8 • 4WD • AUTOMATIC
Avatar
LAMAR GIBSON
  • MEMBER
  • 1 POST
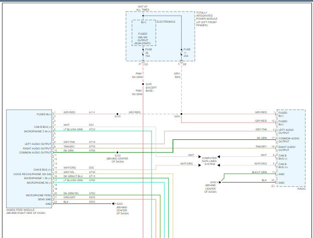
I need factory radio wiring diagram with colors.
Dec 20, 2020 at 11:39 AM
Advertisement
Avatar
DANNY L
  • CERTIFIED EXPERT
  • 5,648 POSTS
Hello, I'm Danny.

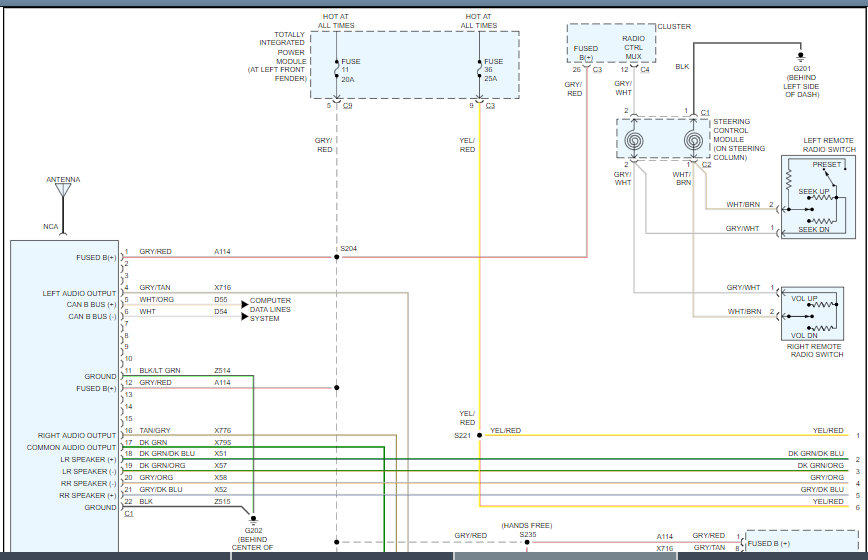
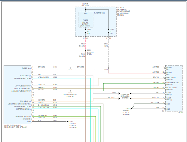
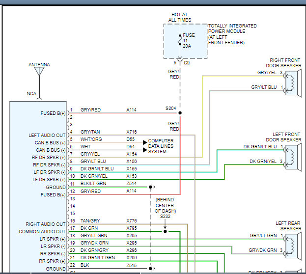
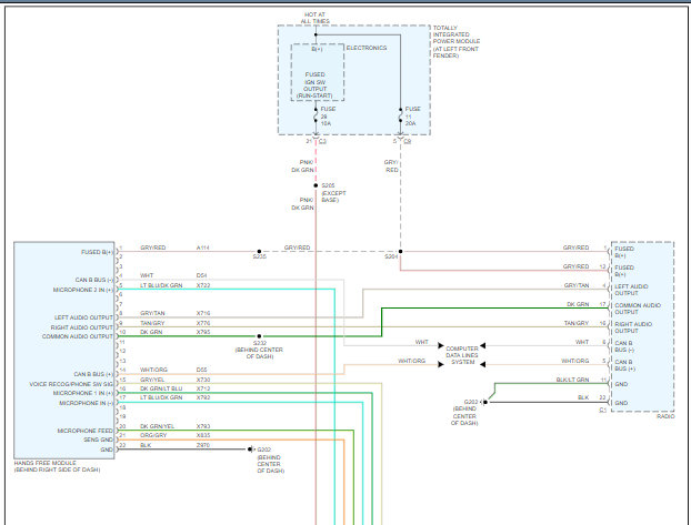
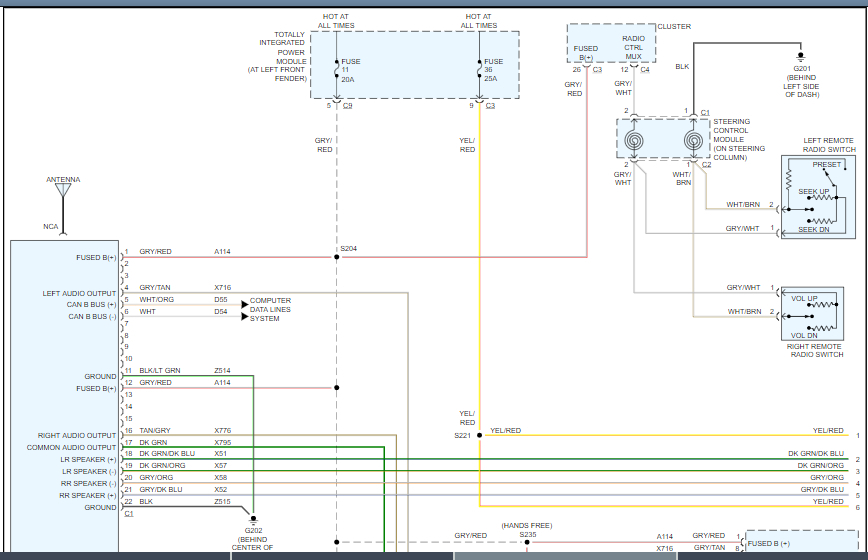
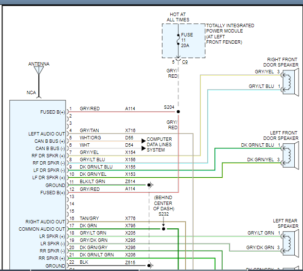
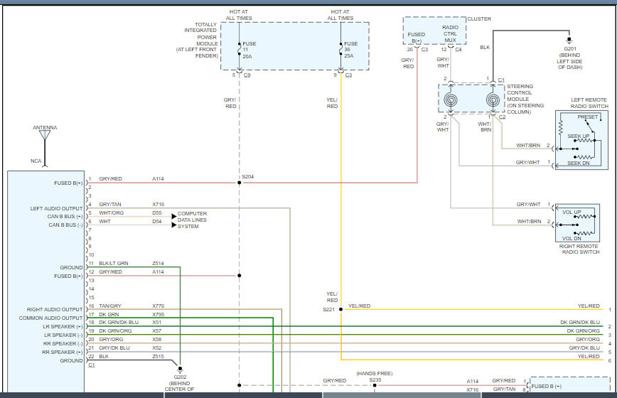
Here are the factory radio diagrams you requested. Since you didn't specify which audio package your truck has I added all 3. I've cut the diagrams in half so you can view larger. The first diagram is the base system, Second is premium system, and third is hands free system. Hope this helps and thanks for using 2CarPros.
Dec 20, 2020 at 1:06 PM