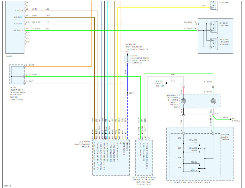
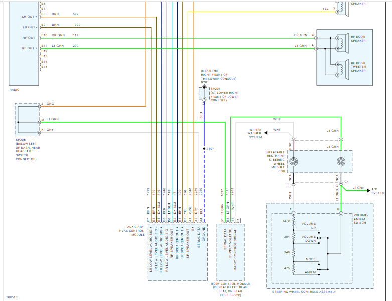
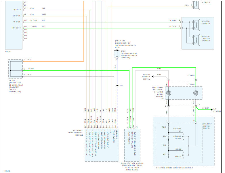
I am trying to put in a new head unit, but it has a Boss radio that has an amp i found out. i need a wiring diagram for that so that i can figure out how to wire it up.
Feb 11, 2024 at 4:05 PM






