Radio installation

2004 DODGE RAM
150,000 MILES • 5.7L • V8 • 2WD • AUTOMATIC
Avatar
WEBB12
  • MEMBER
  • 1 POST
I need to know which color is which wire so I can wire up to new radio.
Jun 2, 2018 at 11:15 AM
Advertisement
Avatar
CARADIODOC
  • CERTIFIED EXPERT
  • 34,308 POSTS
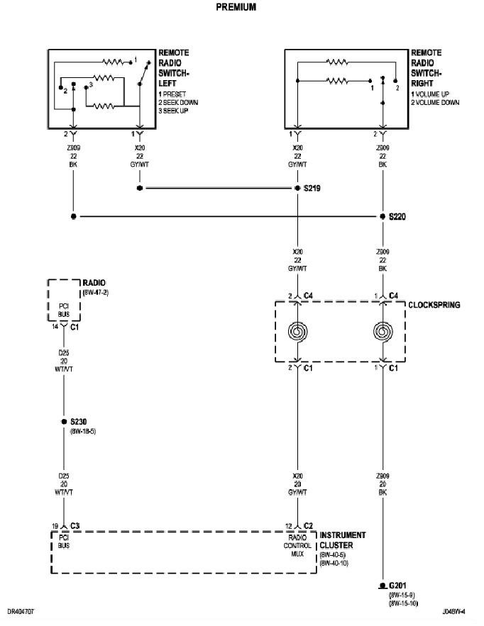
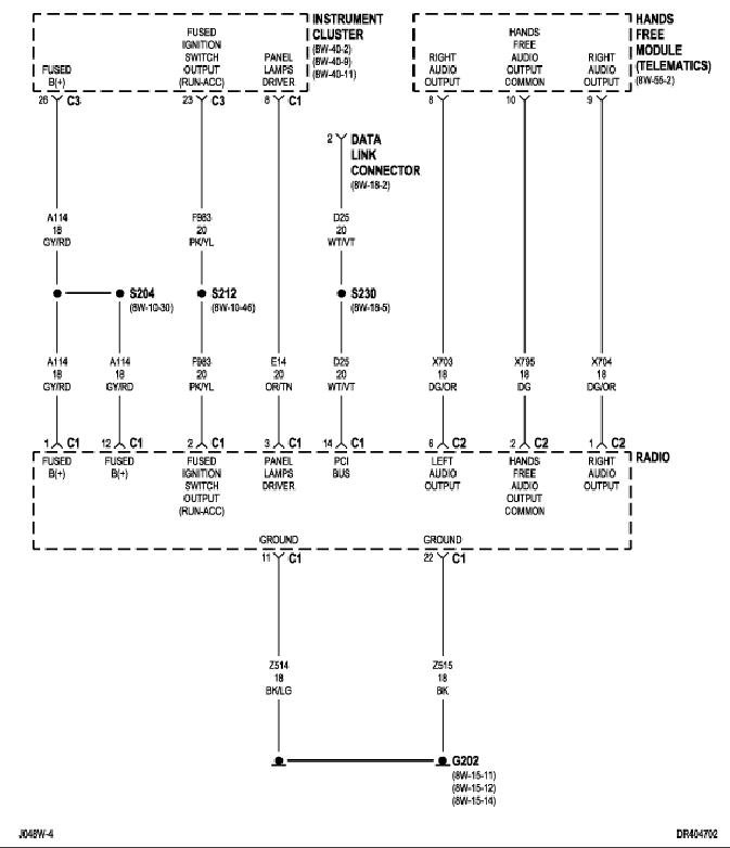
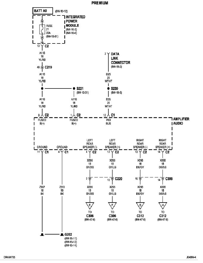
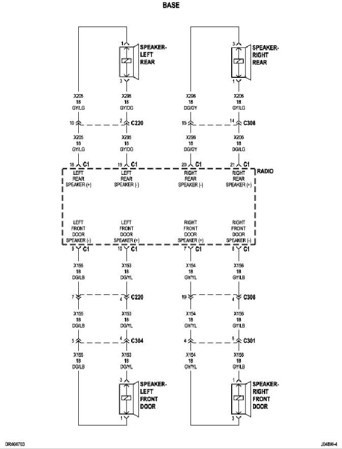
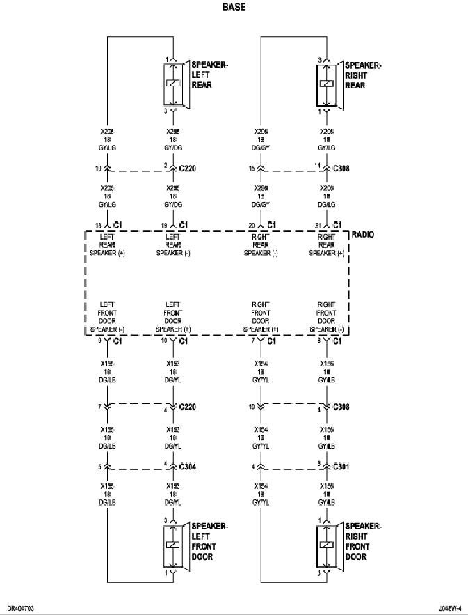
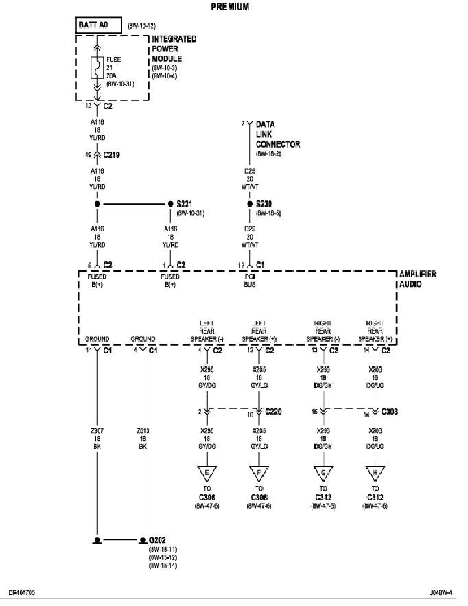
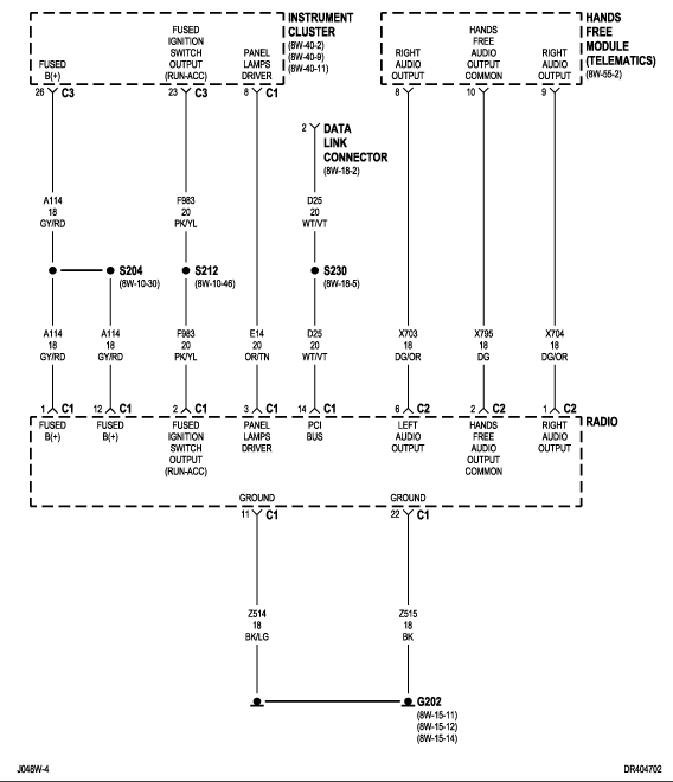
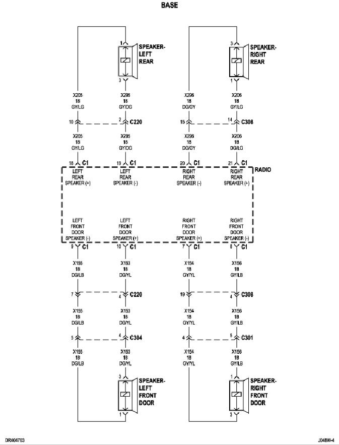
First you have to know if the truck has a remote amplifier. If it does, you will need to bypass it to downgrade to an aftermarket radio. These first two diagrams show the wires for the base radio system, but those were not used real often.

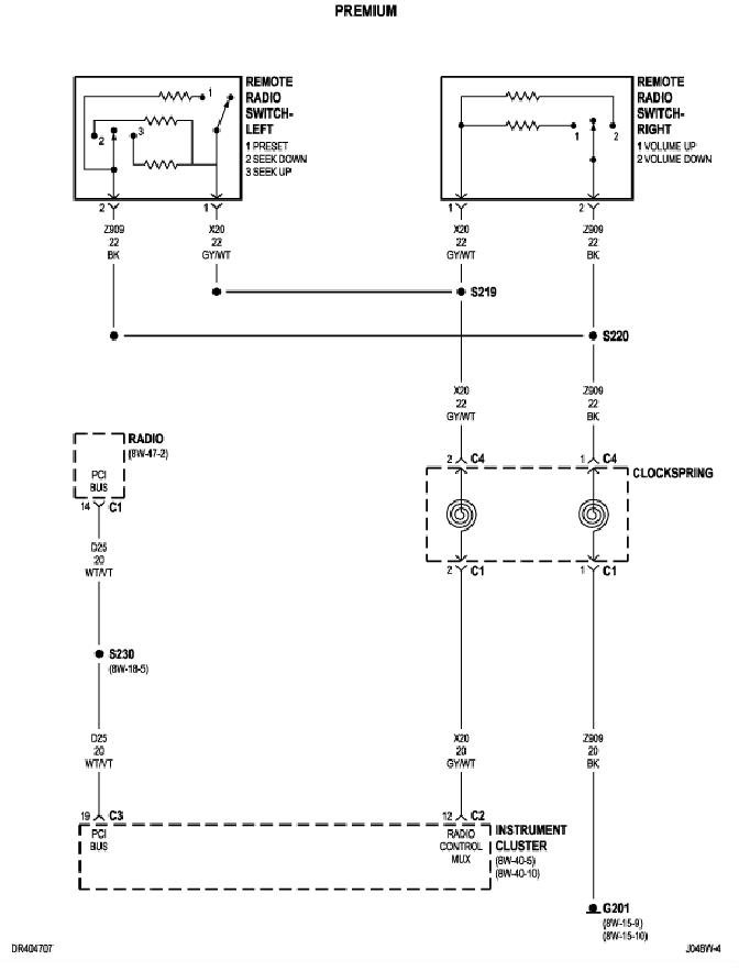
The last four diagrams are for the premium radio with the remote amp. If you look at places like Best Buy or Crutchfield, you might find a pre-wired connector to plug into the amp's connector to bypass it. That would be the easiest way to do it, but this system also uses a center speaker. I do not know if your new radio will be affected by that.

To read the wire colors, if you look at the wire for the right rear speaker (+), for example, it's listed as "X52 20GY/DB". That is circuit # 52 which does not mean anything to you. It is just to differentiate it from all the other circuits. The "20" means it is a 20-gauge wire, which is pretty small. You are interested in the "GY/DB". That stands for gray with a dark blue stripe, or "tracer".

If you find you cannot read any of the colors or you do not know what colors the letters stand for, I am here almost every night, and I can list the ones you need. If you have Microsoft Word typing program, you can copy and paste the diagrams into a document, then enlarge it for easier reading. That is where I add nifty arrows and notes when necessary.

Jun 2, 2018 at 8:42 PM