Radio wiring please?

2006 ACURA MDX
226,000 MILES • 3.5L • V6 • 4WD • AUTOMATIC
Avatar
RYDER20
  • MEMBER
  • 6 POSTS
Touch screen radio installed; the guy that installed it I guess they didn't do it right and one of the wiring harnesses ended up melting. so I rewired everything back same color to same color and went to plug into factory radio and it wouldn't work but it worked when it came out. I checked all the fuses are good.
Sep 27, 2020 at 5:37 PM
Advertisement
Avatar
DANNY L
  • CERTIFIED EXPERT
  • 5,648 POSTS
Hello, I'm Danny.

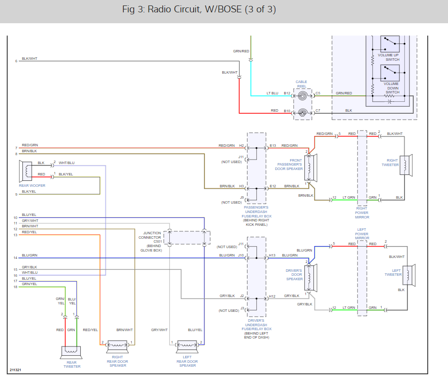
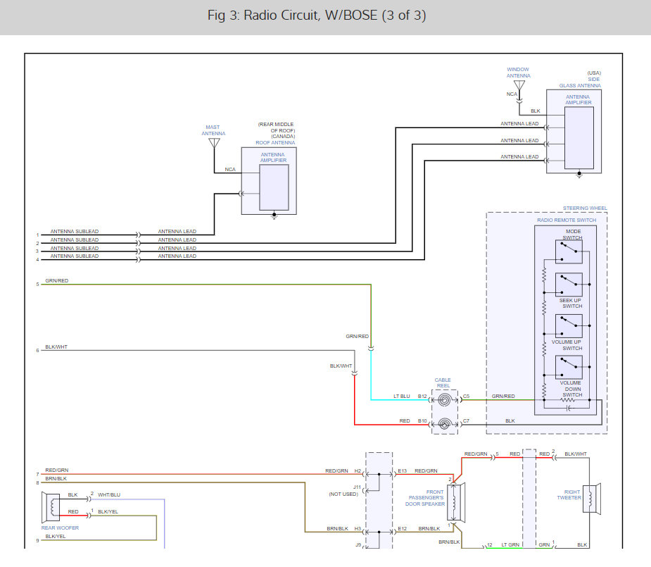
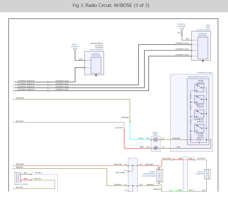
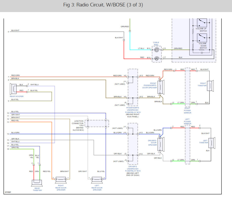
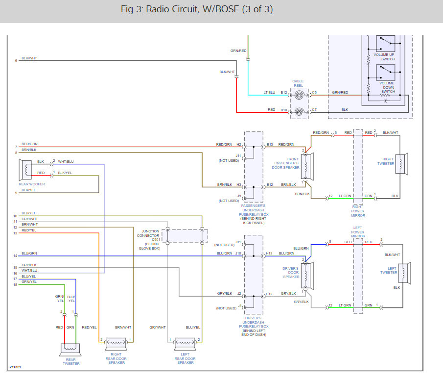
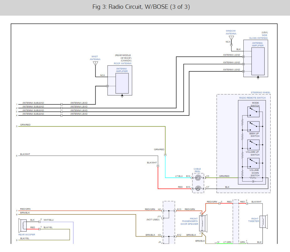
Just a quick question first. What is the brand and model touch screen radio you installed? Here is a wiring diagram to compare the wiring harnesses to make them compatible. Let us know and we'll go from there. Here are the radio wiring diagrams (below) and a guide to help test the system.

https://www.2carpros.com/articles/how-to-check-wiring

Check out the diagrams (Below). Please let us know what happens.
Sep 27, 2020 at 5:49 PM
Avatar
RYDER20
  • MEMBER
  • 6 POSTS
PODOFO 2 Din Car Stereo Radio 7'' TFT HD Touch Screen Car Multimedia Player with Bluetooth FM/AM Radio Receiver Support D-Play Function for Android and iPhone.
Sep 27, 2020 at 5:58 PM
Advertisement
Avatar
DANNY L
  • CERTIFIED EXPERT
  • 5,648 POSTS
Hello again.

Also, I've attached a picture below of the different stereo systems that were available in your Acura. Can you let me which one you have so I can attach a wiring diagram for you. Hope this helps and thanks again for using 2CarPros.

Danny-
Sep 27, 2020 at 7:37 PM
Avatar
RYDER20
  • MEMBER
  • 6 POSTS
Mine has XM satellite radio.
Sep 27, 2020 at 9:59 PM
Avatar
RYDER20
  • MEMBER
  • 6 POSTS
Never mind I found the problem. I was reading a story in one of the parts y'all were helping someone else and in there y'all had some diagrams to y'all sent to this person and I started looking at them and it showed other fuses and it happened to be one for the right rear system on one of my fuse box under the hood.
Sep 27, 2020 at 10:24 PM
Avatar
DANNY L
  • CERTIFIED EXPERT
  • 5,648 POSTS
Glad to hear you found the problem.

Thanks again for using 2CarPros and hope you use our site again in the future.

Danny-
Sep 28, 2020 at 11:10 AM
Avatar
STRAILER
  • CERTIFIED EXPERT
  • 53,854 POSTS
I have updated the post to include radio wiring (above).
Sep 28, 2020 at 12:13 PM