Stock radio not working after swapping out aftermarket radio

2001 CHEVROLET MONTE CARLO
100,000 MILES • 3.4L • V6 • 2WD • AUTOMATIC
Avatar
01MONTE_PROJECT
  • MEMBER
  • 3 POSTS
I have the car listed above LS model. I am swapping out the radio one and after I installed the aftermarket radio I decided to take it back and put the original radio back in. for some reason my radio won’t turn on. it lights up like the buttons light up but the radio has no display or anything. how can I fix this ?
May 13, 2019 at 8:53 AM
Advertisement
Avatar
STRAILER
  • CERTIFIED EXPERT
  • 53,854 POSTS
Hello,

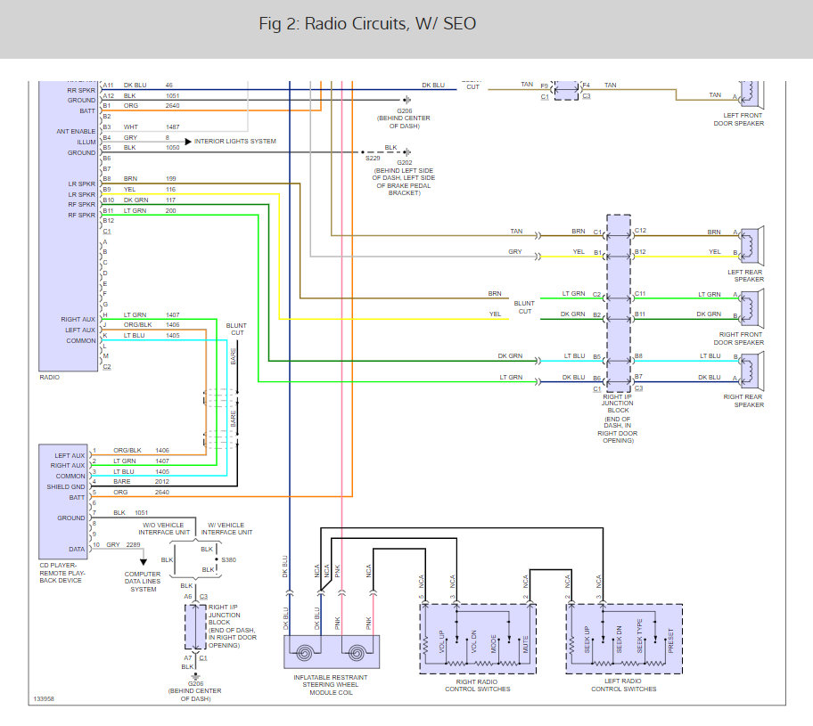
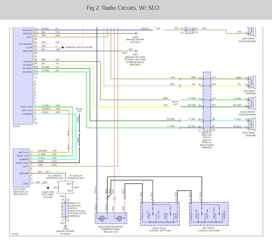
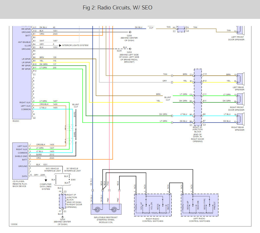
When installing the aftermarket radio did you cut any wires or change the harness? Here is a guide to help you check the wiring and the radio wiring diagrams below so you can see how the system works. Does this unit have an amplifier?

https://www.2carpros.com/articles/how-to-check-wiring

Check out the diagrams (below). Please let us know what happens.

May 14, 2019 at 11:29 AM
Avatar
01MONTE_PROJECT
  • MEMBER
  • 3 POSTS
Yes, it does have the factory amp.
May 14, 2019 at 9:09 PM
Advertisement
Avatar
01MONTE_PROJECT
  • MEMBER
  • 3 POSTS
But I did not cut any wires.
May 14, 2019 at 9:09 PM
Avatar
STRAILER
  • CERTIFIED EXPERT
  • 53,854 POSTS
It sounds like the head unit went bad if all wiring is good and working. Did the unit get dropped or water damage? Disconnect the wiring and reconnect to see if there is a ad connection also check to make sure one or more of the connector pins are not corroded or pulled back.
May 15, 2019 at 10:12 AM