The radio stopped working

2008 PONTIAC G6
250,000 MILES • 2.4L • 4 CYL • 2WD • AUTOMATIC
Avatar
AKOFI
  • MEMBER
  • 2 POSTS
I opened the doors to let in some fresh air for about 30 minutes. wiped down the Dash and the TC control light came on and off. After that I found that the Radio is not working. The Screen is Blank.
Apr 30, 2022 at 7:32 AM
Advertisement
Avatar
JACOBANDNICKOLAS
  • CERTIFIED EXPERT
  • 110,175 POSTS
Hi,

Have you checked to see if the fuse has failed? Also, are there any other electrical components that are not working?

The fuse for the radio is in the vehicle's instrument panel fuse block which is located on the passenger side of the vehicle, on the lower portion of the instrument panel center console near the floor.

I need you to check the fuse first to make sure it is good. If it is, check to make sure there is power to the fuse when the key is on.

Here is a link you may find helpful:

https://www.2carpros.com/articles/how-to-check-a-car-fuse

I attached a pic below indicating the fuse location in the fuel box.

Let me know what you find.

Take care,

Joe

See pic below.

Apr 30, 2022 at 9:14 PM
Avatar
AKOFI
  • MEMBER
  • 2 POSTS
I had someone check, there is power to the fuse.
May 1, 2022 at 5:52 AM
Advertisement
Avatar
JACOBANDNICKOLAS
  • CERTIFIED EXPERT
  • 110,175 POSTS
Hi,

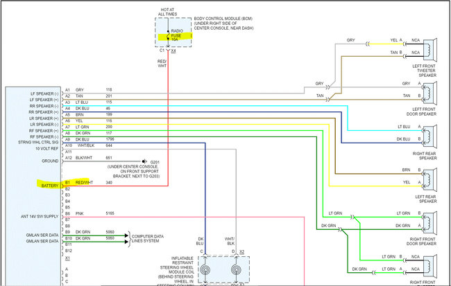
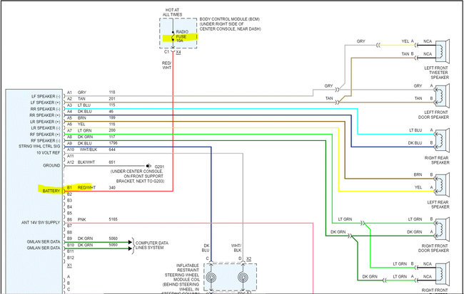
If the fuse is good and there is power to and from it, the next thing to check is for power at the radio itself.

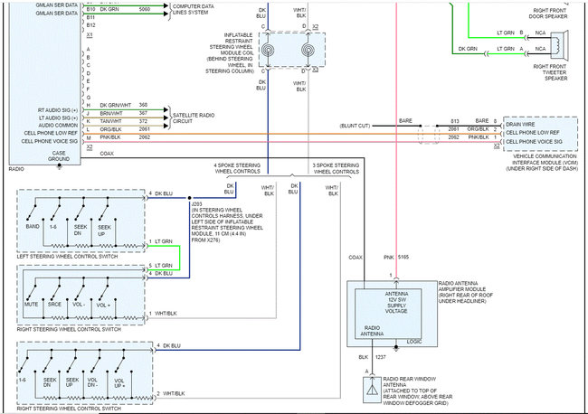
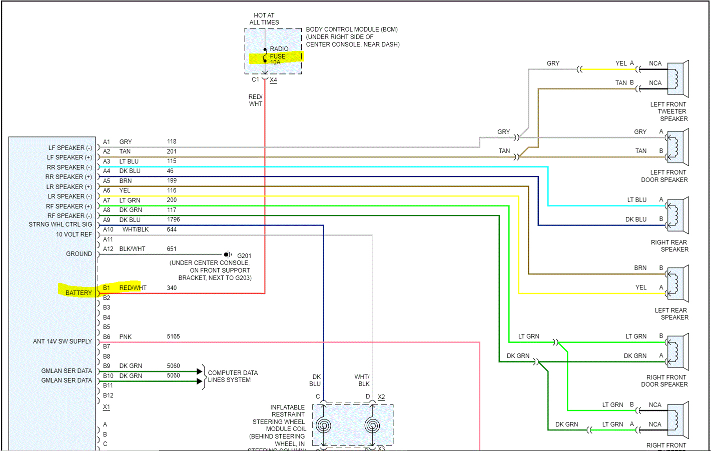
I attached the wiring schematic below for you to review. There will be a red wire from the fuse you checked powering the radio. Disconnect the connector and check if that wire has power where it plugs into the radio.

Here is a link you may find helpful:

https://www.2carpros.com/articles/how-to-check-wiring

Let me know what you find or if you have other questions.

Take care,

Joe

See pics below.
May 1, 2022 at 7:25 PM