Radio AM band reception is bad

2015 JEEP CHEROKEE
40,000 MILES • 3.2L • 6 CYL • 4WD • AUTOMATIC
Avatar
KEN SILVA
  • MEMBER
  • 1 POST
I have terrible AM band reception. My FM and XM are perfect.
Aug 10, 2018 at 9:38 AM
Advertisement
Avatar
STRAILER
  • CERTIFIED EXPERT
  • 53,854 POSTS
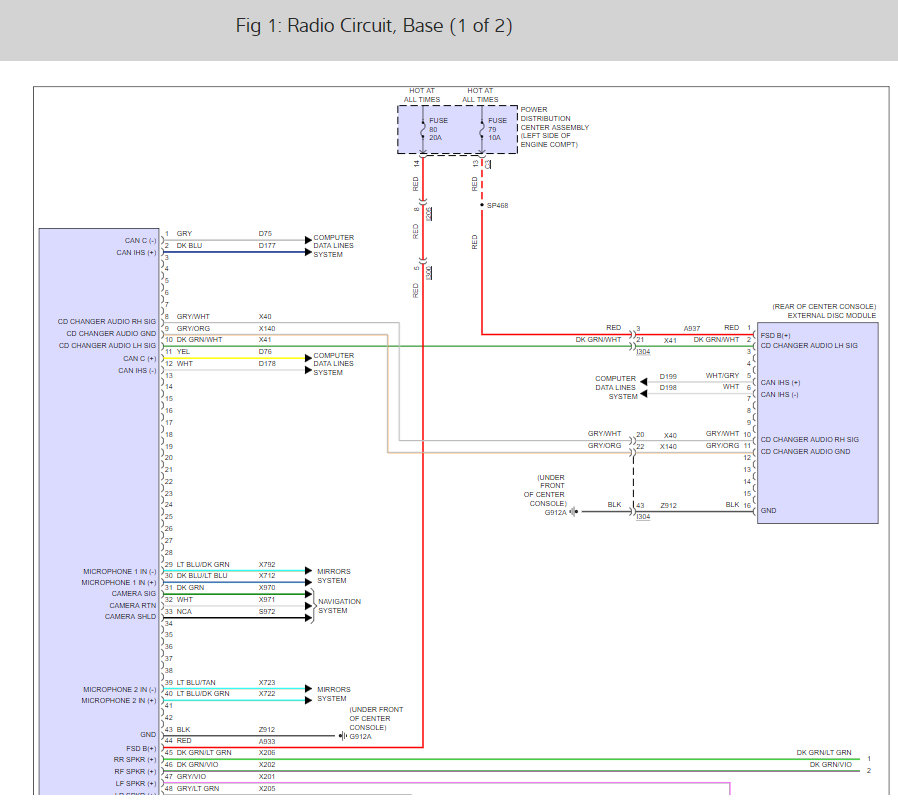
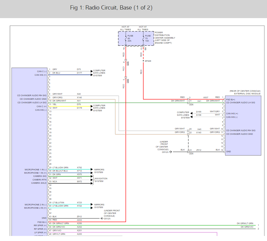
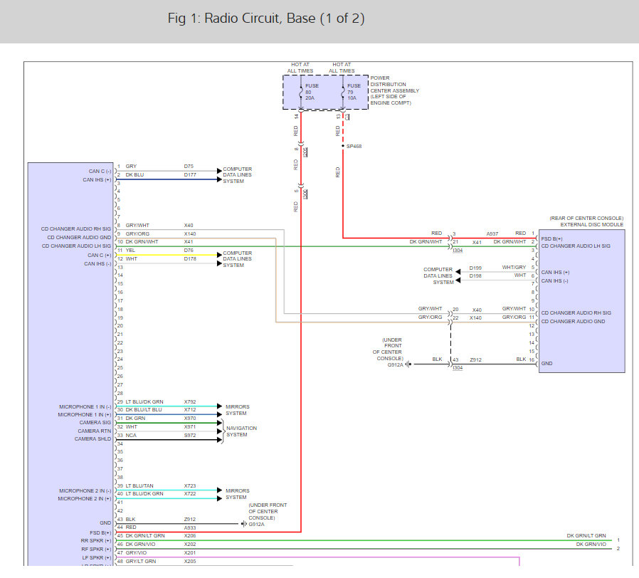
It sounds like you have a problem with the AM portion of the radio which with vary depending on which radio you have. Here are the radio wiring diagrams for both unit is case. Here is a guide to help you test the wiring to confirm the failure, check the black antenna wires:

https://www.2carpros.com/articles/how-to-check-wiring

Check out the diagrams (below). Let us know what happens and please upload pictures or videos of the problem.

Cheers, Ken
Aug 11, 2018 at 2:10 PM