Need the wiring diagram of the connectors that plug into the head unit. It has navigation and Bose system. Thanks
Jul 22, 2021 at 7:56 PM
Advertisement
DANNY L
CERTIFIED EXPERT
5,648 POSTS
Hello, I'm Danny.
I'd be happy to help but I need a little more information from you. Can you tell me which audio system is factory equipment in your truck? I've attached the audio system options below on your Tahoe. Let us know and we'll be happy to provide you with the proper diagrams. Hope this helps and thanks for using 2CarPros.
Image (Click to enlarge)
Jul 22, 2021 at 11:21 PM
DANNY L
CERTIFIED EXPERT
5,648 POSTS
Hello again.
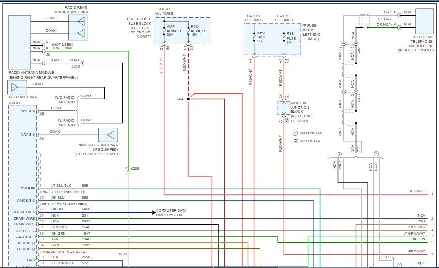
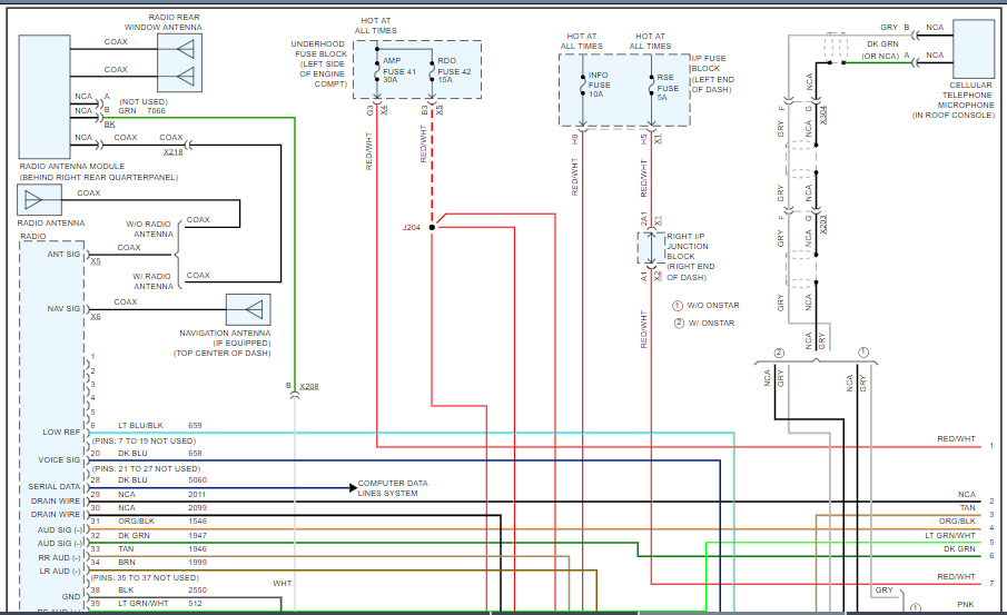
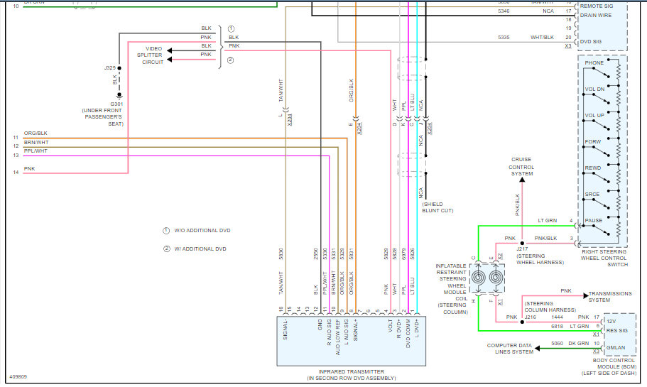
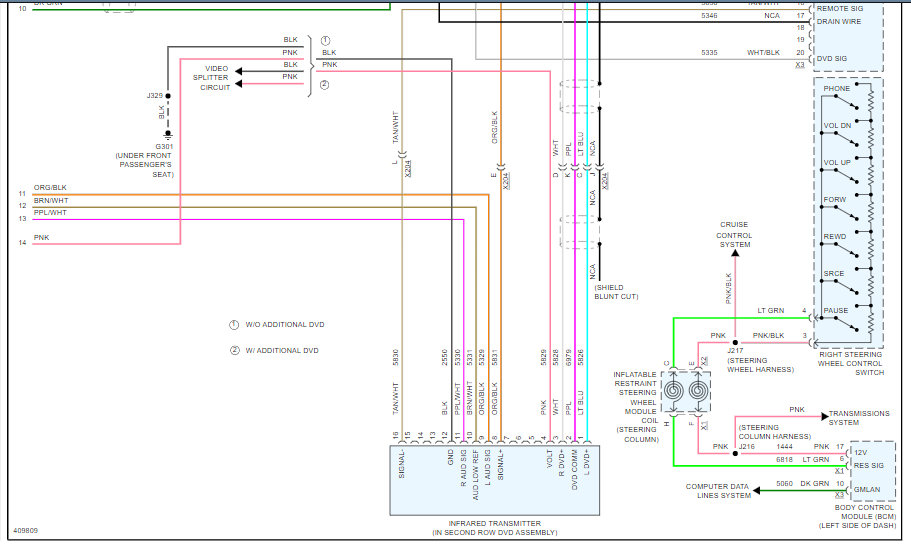
Here is the wiring diagram you requested. Here is a tutorial showing how to test wiring:
I've attached the wiring diagram below for your Tahoe. I've cut each picture into 3 pieces so you can view larger. Let us know if you have any further questions on this issue. Hope this helps and thanks again for using 2CarPros.