Radiator replacement?

2013 HYUNDAI ELANTRA
35,000 MILES • 1.8L • 2WD • AUTOMATIC
Avatar
BEACHLOVER32
  • MEMBER
  • 1 POST
Need change radiator due to small leak from parking curb over time. Can't find video how to ? I'm handy and looking to know if pretty easy ?
Jan 20, 2016 at 10:19 AM
Advertisement
Avatar
ASEMASTER6371
  • CERTIFIED EXPERT
  • 52,796 POSTS
Okay, I attached the procedure below for you for the replacement.

https://www.2carpros.com/articles/how-to-replace-a-car-radiator

https://www.2carpros.com/articles/coolant-flush-and-refill-all-cars

Roy

Removal and Installation

1. Disconnect the battery terminals.
2. Remove the air cleaner assembly.
3. Remove the battery and battery tray.
4. Disconnect the fan motor connector (A)


imageOpen In New TabZoom/Print

5. Loosen the filler neck assembly mounting bolts (A).


imageOpen In New TabZoom/Print

6. Remove the cooling fan assembly (A).

Tightening torque:
4.9 - 7.8 N.m (0.5 - 0.8 kgf.m, 3.6 - 5.8 lb-ft)


imageOpen In New TabZoom/Print

7. Remove the under cover.
8. Loosen the drain plug, and drain the engine coolant. Remove the radiator cap to help drain the coolant faster.
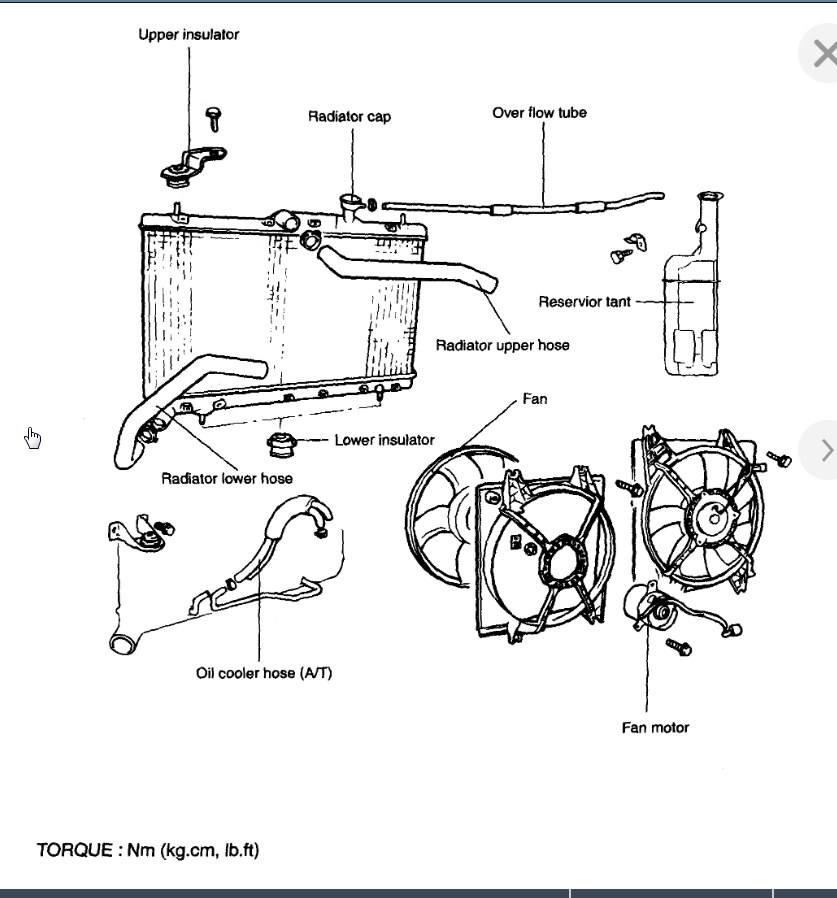
9. Disconnect the over flow hose (A) from the filler neck.


imageOpen In New TabZoom/Print

10. Disconnect the radiator upper hose (A).


imageOpen In New TabZoom/Print

11. Disconnect the radiator lower hose (A).


imageOpen In New TabZoom/Print


NOTE:
When installing radiator hoses, install as shown in illustrations.


imageOpen In New TabZoom/Print

12. Disconnect the ATF cooler hoses (A/T only).
13. Remove the head lamp.
14. Remove the front bumper.
15. Remove the radiator upper bracket (A).


imageOpen In New TabZoom/Print

16. Separate the condenser from the radiator and then remove the radiator assembly (A).


imageOpen In New TabZoom/Print

17. Installation is the reverse order of removal.
18. Fill the radiator with coolant and check for leaks.

NOTE:
- Bleed air from the cooling system.
- Start engine and let it run until it warms up (until the radiator fan operates 3 or 4 times).
- Turn off engine. Check the coolant level and add coolant if needed. This will allow trapped air to be removed from the cooling system.
- Put the radiator cap on tightly, then run engine again and check for leaks.
Feb 11, 2021 at 1:36 AM
Avatar
FLOOGLEMAN
  • MEMBER
  • 13 POSTS
So the radiator broke, and I replaced it myself. I've checked all the hoses and they're not leaking, it's not leaking anywhere. But it's still overheating when I rev it to 3,000 rpm's and keep it there. It wasn't doing this before the radiator broke. I used the right coolant and followed all the instructions to replace it, and it's not low on coolant. I don't know what's wrong.
Feb 12, 2021 at 9:50 AM (Merged)
Advertisement
Avatar
SCGRANTURISMO
  • CERTIFIED EXPERT
  • 4,897 POSTS
Hello,

You could have an air pocket in the cooling system that is not letting the coolant flow. To remedy this situation, get a large enough bucket to drain your cooling system. On the bottom of your radiator there should be a petcock to drain the coolant. Now take your top radiator hose off where it attaches to the engine. With the coolant recovered in the bucket, refill the coolant system through the top radiator hose until it runs out of where the hose attaches to the engine. Reattach the hose. Your cooling system should now be air pocket free. Get back to us with how it turns out, and if this is not the problem we have more instructions for you.

Thanks,
Alex
2CarPros
Feb 12, 2021 at 9:50 AM (Merged)
Avatar
FLOOGLEMAN
  • MEMBER
  • 13 POSTS
I don't understand. Sorry. Do you want me to only remove the top radiator hose and the drain on the bottom, and then pour coolant through the top hose into the radiator? Aren't you not supposed to do that? And when you said: "until it runs out of where the hose attaches to the engine" did you mean the drain at the bottom or the lower radiator hose? Because there is a large top one and bottom one, and then two small ones on bottom for the transmission fluid.
Feb 12, 2021 at 9:50 AM (Merged)
Avatar
FLOOGLEMAN
  • MEMBER
  • 13 POSTS
Actually, you were right. I forgot to even add fluid to my radiator, and I didn't bleed the system at all. It works great now! Thanks!
Feb 12, 2021 at 9:51 AM (Merged)
Avatar
SCGRANTURISMO
  • CERTIFIED EXPERT
  • 4,897 POSTS
Hello again,

That is great. Good job! If you have any other vehicle relaterd questions, please, feel free to ask. That is why we are here.

Thanks,
Alex
2CarPros.
Feb 12, 2021 at 9:51 AM (Merged)
Avatar
YORMAMA
  • MEMBER
  • 2 POSTS
Engine Cooling problem
2005 Hyundai Elantra Automatic 26800 miles

Driving on the hwy yesterday in my 2005 Hyundai Elantra (26.7k miles, second owner), when the a/c suddenly stopped blowing cool air. I instinctively looked at the temp gauge just as the needle was passing into the red marks. Began to pull over when I heard a "pop" and steam started coming out from under the hood. I stopped the car, turned it off, opened the hood, and saw the cap of the coolant reservoir (not the radiator cap) had popped off and the reservoir was empty. I waited about 15 minutes, started the car, temp gauge normal, drove about a quarter mile to a gas station, as I pull in temp gauge approaching red. Parked the car and had a friend drive me home.

Came back about 3 hours later and dove it home stopping every time the needle approached red marks - took about half an hour to go 2 miles.

This morning I opened the radiator cap, started topping off the coolant, and saw coolant leaking from an 8 inch crack running along the base of the inlet tank. Started the car, let it run for about 10 minutes, never got hot. I did hear a "clicking" noise coming from the engine itself that I have never heard before.

As the second owner, I was covered under the 5year/60,000 mile warranty until August 5th 2010 (24 days ago). On August 3rd, a local dealership replaced my cracked steering wheel under the warranty. At that time they did a "multi point inspection" with "checked and okay" marked for every inspection point, including "cooling system, a/c, and heating system," "radiator, heater, a/c hoses," and "accessory drive belts."

What is the best way to approach this issue with the dealership? Friends have told me about "goodwill" repairs being done when a car was just outside of the warranty period. Any advice you have would be greatly appreciated. Any ideas as to what the mechanism and sequence of this problem was would also be welcome.
Feb 12, 2021 at 9:51 AM (Merged)
Avatar
MHPAUTOS
  • CERTIFIED EXPERT
  • 31,937 POSTS
Hi t,

Thank you for the donation,

As the system appears to not have been leaking prior to the failure i would say that there would have been no physical evidence of the impending failure, these radiators do flex a fair amount and failures like this are not uncommon, they tend to fail first internally at the core support plate, and when this starts to move the tanks are the next thing to give way, with this in mind there is no way a general inspection and system pressure test can pick up internal structure failures like this, you can plead your case with the dealer, be civil, do not get over heated (sorry about the pun) and they may come to some agreement on a compromise with costs and repairs, i feel that this is your best option.

mark (mhpautos)
Feb 12, 2021 at 9:51 AM (Merged)
Avatar
YORMAMA
  • MEMBER
  • 2 POSTS
[quote:b96c4b37f3="mhpautos"]Hi t,

Thank you for the donation,

As the system appears to not have been leaking prior to the failure i would say that there would have been no physical evidence of the impending failure, these radiators do flex a fair amount and failures like this are not uncommon, they tend to fail first internally at the core support plate, and when this starts to move the tanks are the next thing to give way, with this in mind there is no way a general inspection and system pressure test can pick up internal structure failures like this, you can plead your case with the dealer, be civil, do not get over heated (sorry about the pun) and they may come to some agreement on a compromise with costs and repairs, i feel that this is your best option.

mark (mhpautos)[/quote:b96c4b37f3]

Thanks for the quick reply!
So any ideas on the clicking noise? Seems ominous to me. Just wondering if it means something else was damaged by the surge in temperature.
Also, I was just wondering if any American technicians have any input about how dealerships in the U.S.A. normally respond to situations like this.
Feb 12, 2021 at 9:51 AM (Merged)
Avatar
MHPAUTOS
  • CERTIFIED EXPERT
  • 31,937 POSTS
The clicking may be a lash adjuster, but this is a bit hard to say with out hearing the noise, if it sounds high in the engine then i would be fairly confident that a lash adjuster may have some carbon fouling a oil bleed hole, maybe a flush and fresh oil & filter will help, i will send the question re the dealer on to my associates in the States,

mark (mhpautos)
Feb 12, 2021 at 9:51 AM (Merged)
Avatar
NIKIII
  • MEMBER
  • 1 POST
2005 Hyundai Elantra 4 cyl 62000 miles

i have replaced the upper radiator tube due to 1 leak: now there is a radiator leak also for it is smoking from the bottom left of the car if you are facing it head on. Does this sound familiar to anyone??
Feb 12, 2021 at 9:52 AM (Merged)
Avatar
JACOBANDNICKOLAS
  • CERTIFIED EXPERT
  • 110,175 POSTS
Is it steam or smoke from something burning? If it is steam, check to see if the water pump is leaking. There is a small weap hole under it that will leak if the bearing or seal goes bad.
Feb 12, 2021 at 9:52 AM (Merged)
Avatar
SHARON ROSE
  • MEMBER
  • 1 POST
I'm a newbie and made a newbie mistake replacing the radiator on my car listed above. I didn't take close enough notice when I took off the transmission cooler hoses and now can't tell which is which to attach to the right fittings on the new radiator. Can a pro please tell me from where they attach to the transmission down to the cooler which is which? Like, does the right from the trans attach to the right on the cooler or do they cross over? Really don't want to mess up my transmission by attaching outflow to inflow and vice versa.
Feb 12, 2021 at 9:52 AM (Merged)
Avatar
KASEKENNY
  • CERTIFIED EXPERT
  • 18,907 POSTS
I attached the illustration and instructions but they are not extremely detailed. The lines should "fall" into the location that they belong. Basically they should not fit in either location because they are molded/hard lines correct?

Get a couple pictures of what you are dealing with and we can figure it out.

Worse case, get everything hooked up except for these two lines. Run both of them into separate buckets and start the engine for a couple seconds. This will cause the transmission oil from the supply line to shot into the bucket. Clearly nothing will come out of the return line from the cooler.

Let me know and we can go from there. Thanks
Feb 12, 2021 at 9:52 AM (Merged)
Avatar
RICKYNLIZ
  • MEMBER
  • 2 POSTS
Can the radiator be repaired if it is leaking from the seam at the top of the radiator where the tank meets with the core?
Feb 12, 2021 at 9:52 AM (Merged)
Avatar
MHPAUTOS
  • CERTIFIED EXPERT
  • 31,937 POSTS
Hi there,

When the radiator is removed & the tank is removed, the radiator repairer will be able to see if the top core plate is cracked, this is not normally repaired as its a fatigue fracture and repairing wont hold.

Mark (mhpautos)
Feb 12, 2021 at 9:52 AM (Merged)
Avatar
RICKYNLIZ
  • MEMBER
  • 2 POSTS
Thank you first of all for answering my question. The leak I'm reffering to is right at the seam up top where the plastic meets the aluminum. It seems to have seperated itself. I got a price on a brand new one with a 1 yr. warranty for 135.00. that's with overnight shipping included. So I guess its a no brainer. Do you think I can get away with driving it to and from work for the next six days if I put water in it each time. It seems to leak only after I shut the car down and the pressure builds.
Feb 12, 2021 at 9:52 AM (Merged)
Avatar
MHPAUTOS
  • CERTIFIED EXPERT
  • 31,937 POSTS
Hi there,

if you keep a close eye on the coolant it should not be a huge problem, just remember that the temp sender wont register a high reading if the coolant level gets to low.

Mark (mhpautos)
Feb 12, 2021 at 9:52 AM (Merged)
Avatar
MARTSEM
  • MEMBER
  • 1 POST
Engine overheated without warning, and seam where top of radiator meets cooling fins developed an approximate 1/2" long leak. Is this a repairable leak or would it be more effective to replace the radiator with a new one with a lifetime warranty? Wonder if overheating may have been caused perhaps by thermostat that didn't open, causing engine to overheat and perhaps build pressure in cooling system that may have burst the seam. Your thoughts on these questions would be greatly appreciated so that I may understand the problem and what may be the root cause.

Martin Semien
Feb 12, 2021 at 9:52 AM (Merged)
Avatar
IMPALASS
  • CERTIFIED EXPERT
  • 3,112 POSTS
Hello –

It is hard to say if the overheating was caused because the radiator failed and released pressure or something caused it without a pressure test.

My suggestion is to replace the radiator, cap and thermostat after a good flush of the system and then check to verify it cools fine.

AutoZone has a lifetime one for about $199.
Feb 12, 2021 at 9:52 AM (Merged)
Avatar
ANGIE1754
  • MEMBER
  • 2 POSTS
Hi Guys,

On each side of the radiator at top tank are 2- 10 mm head machine screws holding the "condensor coil" for the A/c.

Am I correct that these 2 connections are not ALL that is holding the coil, just added as supports from the radiator?

Once I remove the top hose, bottom hose and remove the 2 shrouds then I will gain access to the auto trans hose connections, and removal of the screws atop the tank for the "Coil as previously mentioned I will be able to pull the radiator up and out. Another words no screws at the bottom out of sight connect to the radiator to the coil.

Please advise
Thank you
Feb 12, 2021 at 9:53 AM (Merged)
Avatar
JACOBANDNICKOLAS
  • CERTIFIED EXPERT
  • 110,175 POSTS
It sounds like you have removed everything needed. Won't it come out?
Feb 12, 2021 at 9:53 AM (Merged)
Avatar
ANGIE1754
  • MEMBER
  • 2 POSTS
Dear jacob and Nick,

I was writing first about the details because I noticed the 2 straps on top for the coil asking if there were any oter coil attachments that would prevent easy removal.

So do you agree that I have the steps correct.

Thank you
Feb 12, 2021 at 9:53 AM (Merged)
Avatar
JACOBANDNICKOLAS
  • CERTIFIED EXPERT
  • 110,175 POSTS
Hi:
Without being there I can't be 100%, but from what you described, it sounds correct.
Feb 12, 2021 at 9:53 AM (Merged)
Avatar
LUCKYME0428
  • MEMBER
  • 3 POSTS
Engine Cooling problem
2001 Hyundai Elantra Automatic

My radiator blew out and I decided to change it myself with the help of my brother. We chaged it and thought everything was fine but then the car started overheating very quickly, blowing cold air out of the heater settings, and revving up the engine in two seconds cycles (that is it revs it up it comes down it revs it up down up down u get the picture). I came back to your site did some research and thought that maybe there was air in the line, we followed your instructions to get the air out but the car is still doing the same things. Please Help.
Feb 12, 2021 at 9:53 AM (Merged)
Avatar
KHLOW2008
  • CERTIFIED EXPERT
  • 41,814 POSTS
Hi luckyme0428,

Thank you for the donation.

When engine is cold, did you check the radiator coolant level at the cap?

If level is full and overheating occurs, did the fans start working?

Did you test if the radiator fans are working?

When the radiator blew up, the engine could have overheated and damagd the thermostat.

Do initial check first before going to thermostat test which would require removal of it.

Let me know what you find out.
Feb 12, 2021 at 9:53 AM (Merged)
Avatar
LUCKYME0428
  • MEMBER
  • 3 POSTS
i did check the radiator coolant levels at the cap.
the fans did start working.
and since my first post i changed the thermostat.
but the car is still overheating.
Feb 12, 2021 at 9:53 AM (Merged)
Avatar
KHLOW2008
  • CERTIFIED EXPERT
  • 41,814 POSTS
When fans are workings, do they stop intermittently when temp gauge shows high?
Is air blown through the radiator very hot?
Do you need to top up coolant after running engine?
Is coolant being forced out to the reserve tank?
Feb 12, 2021 at 9:53 AM (Merged)
Avatar
LUCKYME0428
  • MEMBER
  • 3 POSTS
no the fans do not stop intermittently.
i dont know about the air being blown hot. (I'm afraid to let the car get hot again).
I do need to top off the coolant after runing the engine.
coolant is being forced out the overflow tank.
Feb 12, 2021 at 9:53 AM (Merged)
Avatar
KHLOW2008
  • CERTIFIED EXPERT
  • 41,814 POSTS
Situation don't seem optimistic.

Engine is overheating and pressure buildup in cooling system.
If the radiator cap had not been replaced, then it could be bad. Check the seals for wear or tears.

If the radiator cap is not the problem, you have blown the head gasket caused when the radiator blew.

Check for water contamination in the engine oil and get a test done for hydrocarbon leakage into cooling system. Ther should be a kit available at your local parts store.
Feb 12, 2021 at 9:53 AM (Merged)