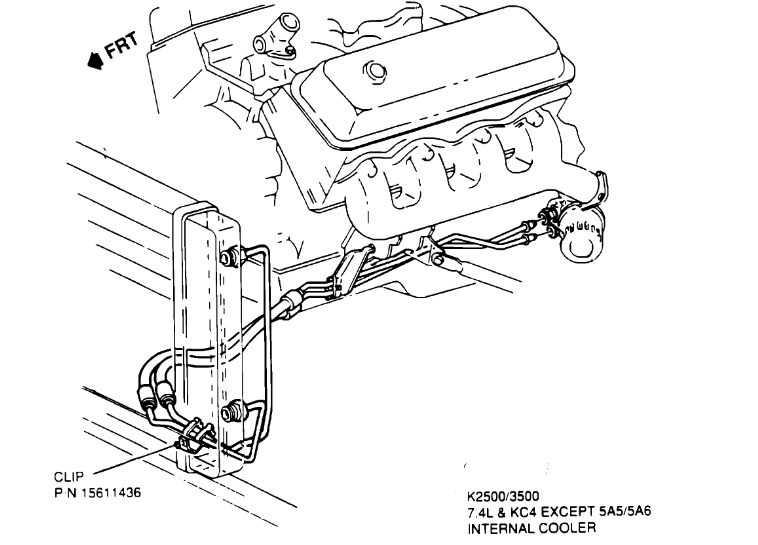
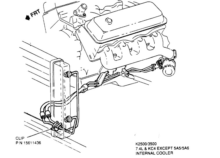
Okay so I have the truck listed above 3500 four-wheel drive and it has the 454 Big block in it, and I was just wondering what lines came off of the radiator because I know you got a two main water lines an inlet and your outlet and then you got your four metal lines two on either side. I was just wondering what they are called because I'm trying to change my transmission cooler lines and I was sent the two lines that are on the left side of the radiator if you're facing the truck, but I need the two lines that are on the right hand side of the radiator if you're facing the truck. I was wondering what those are called. thank you
Aug 2, 2023 at 11:44 AM
