Radiator hoses

2007 FORD TAURUS
168,234 MILES • V6 • 4WD • AUTOMATIC
Avatar
KIERANM
  • MEMBER
  • 3 POSTS
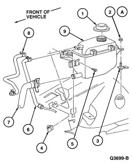
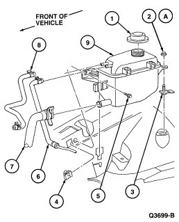
Was changing my serpentine belt and had to take my coolant reservoir out to get to it properly. The bottom radiator hose has come off somewhere and is missing. I can't see if it has fallen down or if it came off completely. I'm now looking for a replacement hose but I can't for the life of me find that exact hose on any diagram in my book or online. Please help a girl who is trying her best! Update: found this diagram it's number 7, but can't find a label with the name or part #
Apr 10, 2020 at 8:59 AM
Advertisement
Avatar
KASEKENNY
  • CERTIFIED EXPERT
  • 18,907 POSTS
I attached the diagram for this. Looks like it is number 3 in this picture. The complete part number appears to be YF12-8W005-AA.

Let me know if this is not correct and we can dig further but that appears to be what you need. Thanks
Apr 10, 2020 at 10:25 AM
Avatar
KASEKENNY
  • CERTIFIED EXPERT
  • 18,907 POSTS
Hi again. Nothing was posted on your response. I just want to make sure you didn't want to ask a follow up but didn't get it posted. If not, have a great weekend. Thanks
Apr 10, 2020 at 7:43 PM
Advertisement
Avatar
KIERANM
  • MEMBER
  • 3 POSTS
Nope. All good to go! Thank you so much for your help!
Apr 11, 2020 at 7:22 PM
Avatar
KASEKENNY
  • CERTIFIED EXPERT
  • 18,907 POSTS
Okay. Great. Thanks for letting us know. Come back and use 2CarPros in the future. Thanks
Apr 11, 2020 at 7:46 PM