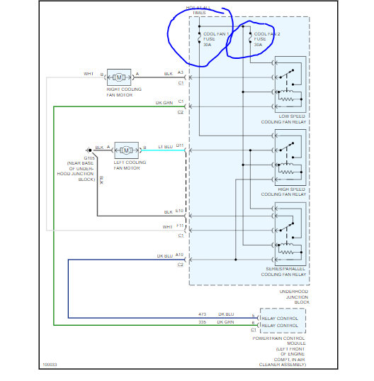
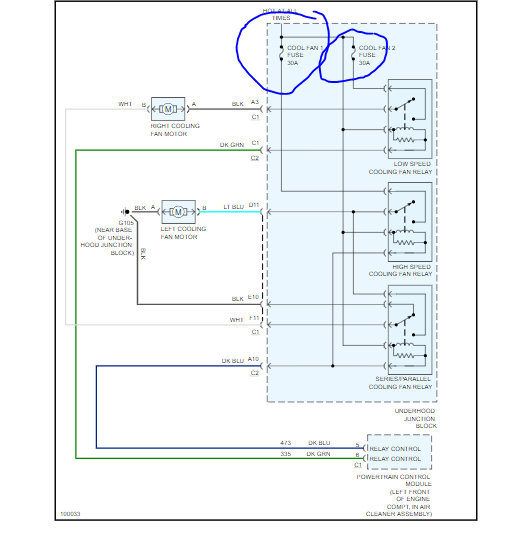
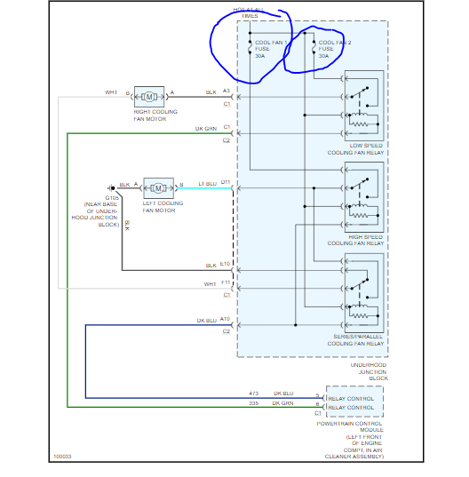
Well my fans won't come on. I've done a few different things to try to correct it but no luck. My A/C doesn't blow on high or low. And when I put in Freon my fans turn just a little. I have gone to get the diagnostics done and got back a map sensor problem and a O2 sensor 1 problem. What am I missing?
Jul 4, 2019 at 2:28 AM

