Radiator fans not working?

2015 GMC ACADIA
117,000 MILES • 3.6L • V6 • 2WD • AUTOMATIC
Avatar
JESSIE ADAMS
  • MEMBER
  • 2 POSTS
Was in traffic at a redlight, the A/C went to blowing warm air, then temperature gauge started going up and down. Replaced fan assembly, thermostat, and temperature sensor, checked all relays and fuses i can find associated. Still can't find the problem and fans are still not working.
Jun 7, 2025 at 9:00 AM
Advertisement
Avatar
STRAILER
  • CERTIFIED EXPERT
  • 53,854 POSTS
Hello,

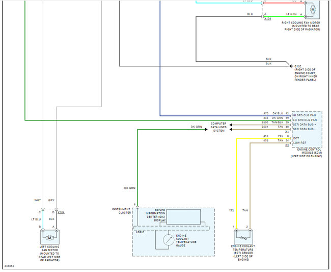
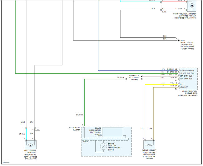
The system is not too complicated; I would check the g102 ground for the system which is located at the right side of the engine compartment on the right inner fender panel. Make sure the FAN1 and FAN2 fuses have power when the truck is running.

https://www.2carpros.com/articles/how-to-check-a-car-fuse

When you say fan assembly, do you mean both fans correct? If so, make sure to unplug the cooling fan speed control relay and the right cooling fan, (or just unplug the fans) to check the ground, this guide can help. Connect the test light to power to check the ground.

https://www.2carpros.com/articles/how-to-use-a-test-light-circuit-tester

Here are the wiring diagrams for the fan system so you can see how it works. Check out the images (below). Please upload pictures or videos in your response of any problems.
Jun 8, 2025 at 12:00 PM
Avatar
JESSIE ADAMS
  • MEMBER
  • 2 POSTS
So after all this, I unplugged the temperature sensor, and the fans work, and i also checked the fuses and plugs with test light, they all work and have power. I was told my a friend that does mechanic work that the ground wire inside the computer is most likely broken and will need to be replaced. What are your thoughts before i spend another couple hundred to have the computer module replaced, thanks.
Jun 9, 2025 at 2:33 PM
Advertisement
Avatar
STRAILER
  • CERTIFIED EXPERT
  • 53,854 POSTS
He is correct, the PCM fan control driver goes bad and will not turn the fans on, you can get a preprogrammed unit by searching Google or Ebay. Here is the location of the PCM so you can change it out. Check out the images (below). Let us know how it goes.
Jun 10, 2025 at 11:33 AM