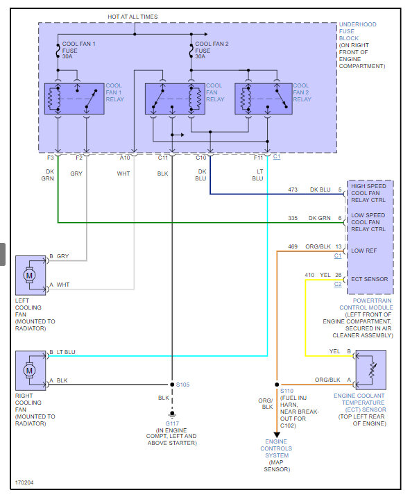
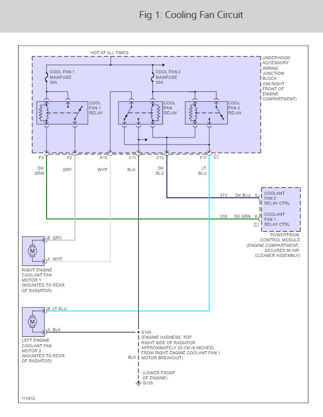
The fans do not come on. I have installed new sensor and all relays the fans are not locked up. The fans will operate when using a jump wire. This caused the overheated engine to blow a head gasket I have replaced the gaskets recommended and reassembled the motor. Vehicle is running as it did prior to the blown gasket. I fear it will blow the gasket again. Diagnostics has been done and each time I replace the parts it indicates is the problem, retesting gives a new different result. I have done everything but still the fans do not come on. What else could be the problem? How do I fix it?
Apr 25, 2017 at 10:31 AM
















