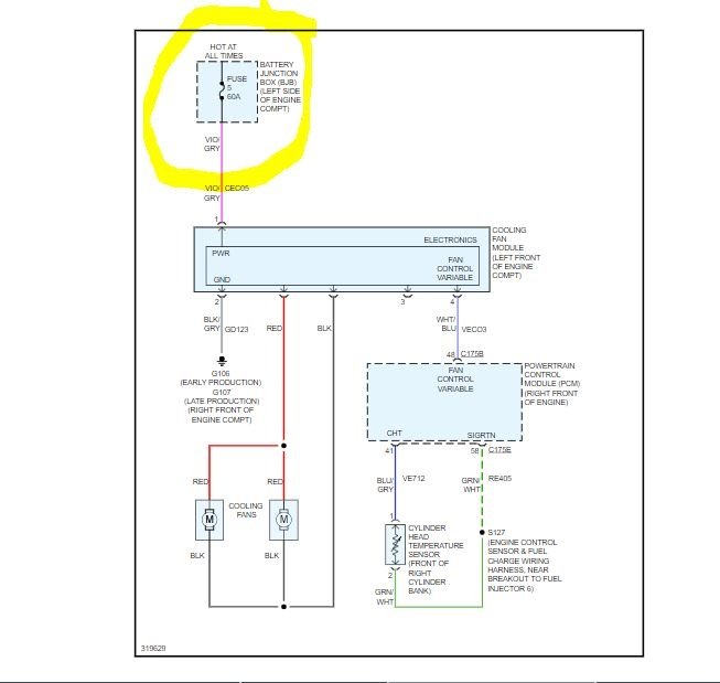
A couple of days ago, my engine overheated in stand still traffic. I’ve been having issues with the air conditioning not functioning when I’m not moving, but when I’m going forward it’s not a problem. My father in law checked it out and found that neither fan on my radiator unit would turn on.
Things we have done:
- Confirmed all fuses and electrical connections are good
- Replaced the relay/fan unit
Things we know:
-Temperature gauge appears to be functioning correctly (showing rising temperatures, etc.)
We don’t know where to go from here.
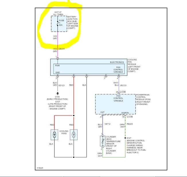
Things we have done:
- Confirmed all fuses and electrical connections are good
- Replaced the relay/fan unit
Things we know:
-Temperature gauge appears to be functioning correctly (showing rising temperatures, etc.)
We don’t know where to go from here.
Jun 19, 2019 at 6:06 AM
