Radiator fan not turning on?

2014 RAM 1500
148,000 MILES • 3.6L • V6 • 4WD • AUTOMATIC
Avatar
JTANK43
  • MEMBER
  • 2 POSTS
New fan. Will come on with A/C turned on. But it will not turn on when the truck is at running temperature. The fuse box only has a 80-amp fuse. No relay in the box. Where would the relay be located at?
Aug 24, 2023 at 12:36 PM
Advertisement
Avatar
STRAILER
  • CERTIFIED EXPERT
  • 53,854 POSTS
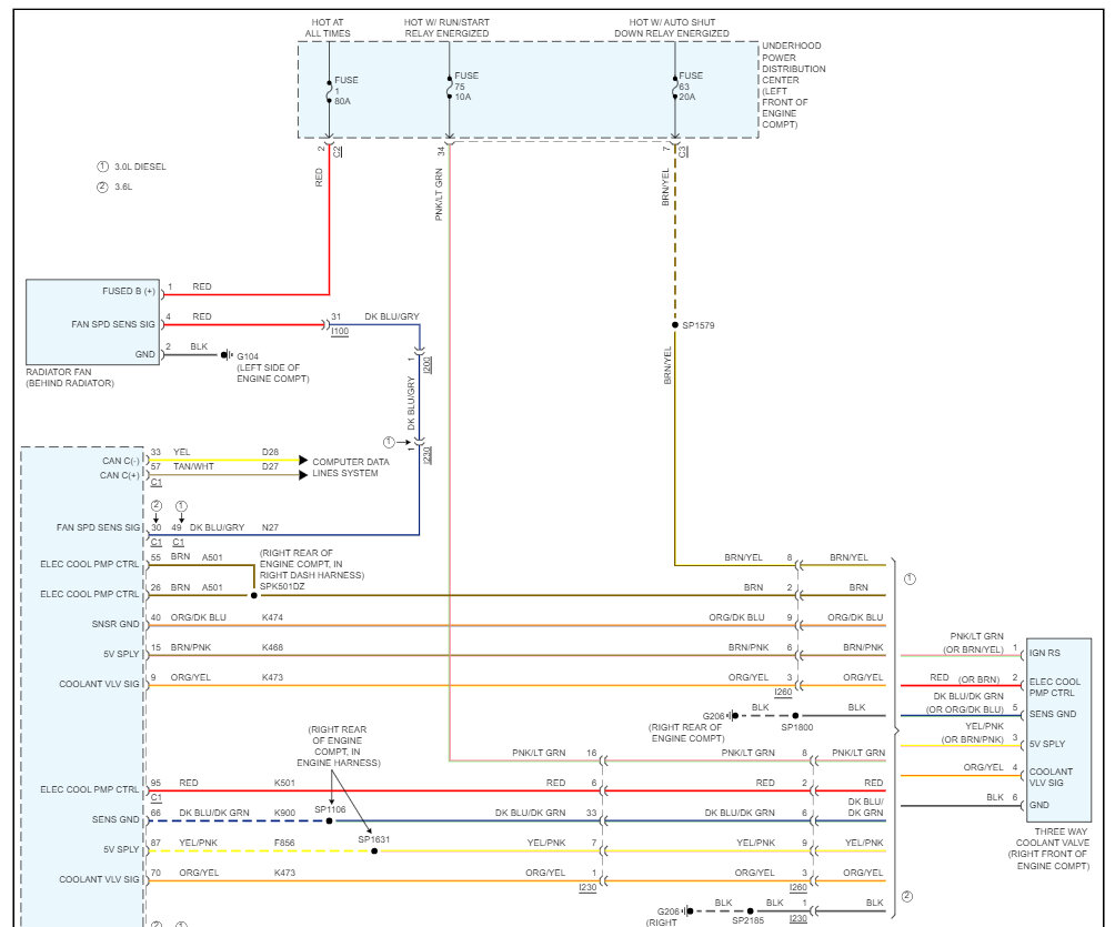
The fan is controlled by the PCM there is no relay so you may have a coolant temperature sensor that is off not telling the PCM the engine's correct temperature. Here are the wiring diagrams for the radiator fan so you can see how the system works, and I have included the coolant sensor location as well. Replace the sensor when the engine is cold only. Check out the images (below). Please let us know how it goes.




Aug 24, 2023 at 5:59 PM
Avatar
JTANK43
  • MEMBER
  • 2 POSTS
Changed the ECT. Fan turns on at 230 degrees and turns off at 215 degrees. Is this normal?
Aug 26, 2023 at 1:23 PM
Advertisement
Avatar
STRAILER
  • CERTIFIED EXPERT
  • 53,854 POSTS
Yep, sure is, thanks for letting us know, we are here to help, please use 2CarPros anytime.
Aug 27, 2023 at 9:48 AM