Radiator fan not working?

2005 TOYOTA CAMRY
234,178 MILES • 4 CYL • 2WD • AUTOMATIC
Avatar
BLESSING EWOBOR
  • MEMBER
  • 754 POSTS
Good morning, the vehicle radiator fan stop functioning. I have tested the fan it is okay, I thought the problem was the thermostat initially, I have replaced it but there's no effect. I have tested the fuse and relay, they are okay.
What could be the fault?
Please help me with the complete circuit diagram or wire diagram.
Sep 28, 2020 at 6:49 PM
Advertisement
Avatar
JACOBANDNICKOLAS
  • CERTIFIED EXPERT
  • 110,175 POSTS
Hi,

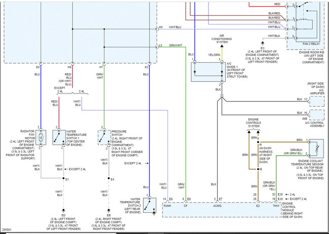
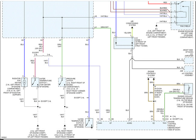
There are three different fan relays. I attached the schematic you requested. Take a look through it and let me know if you have questions. Note: I had to cut the pic in half to make it readable. I did, however, overlap it so you can easily follow it.

Take care,
Joe
Sep 28, 2020 at 7:00 PM
Avatar
BLESSING EWOBOR
  • MEMBER
  • 754 POSTS
Thank you very much.
Sep 28, 2020 at 7:10 PM
Advertisement
Avatar
BANDIANDLAYTON1
  • MEMBER
  • 1 POST
My husband was changing my oil and filter yesterday and noticed my left side fan on my radiator not working or coming on at all. I immediately called and ordered a fan motor for that side and done some research waiting on the part to come in. Neither my husband or I have checked the relay, that I just read and realized even had a relay for the fan motor, the fuse, or hooked up any wires to see if the fan is getting power or not before we start out changing the fan motor itself. I'm just needing to know exactly what steps need to be taken first to ensure we are changing the correct item and doing it as guidelines suggest. I greatly appreciate your help.
Look forward to hearing from someone soon.
Jan 25, 2021 at 12:39 PM (Merged)
Avatar
KHLOW2008
  • CERTIFIED EXPERT
  • 41,814 POSTS
When fan is supposed to work, use something to knock lightly at the motor and if it starts working, that would mean it is failing and should be repaired.

If you have a test light or DVOM, disconnect the fan wire connector and test for battery voltage at one of the terminals of the wireharness.

You can apply battery voltage to one terminal of the fan motor and ground the other terminal. If the fan works, it is not a motor fault.
Jan 25, 2021 at 12:39 PM (Merged)
Avatar
ALEXFBI77
  • MEMBER
  • 7 POSTS
it was the cooling fan motor was bad again
Jan 25, 2021 at 12:39 PM (Merged)
Avatar
KHLOW2008
  • CERTIFIED EXPERT
  • 41,814 POSTS
nice work
Jan 25, 2021 at 12:39 PM (Merged)
Avatar
OVO70
  • MEMBER
  • 4 POSTS
cooling fan not working but both fans run when A/C is on
Jan 25, 2021 at 12:39 PM (Merged)
Avatar
SATURNTECH9
  • CERTIFIED EXPERT
  • 30,869 POSTS
Have you checked the coolant temp sensor yet?
Jan 25, 2021 at 12:39 PM (Merged)
Avatar
OVO70
  • MEMBER
  • 4 POSTS
not sure which one is temperature sensor and should it be open or closed circuit when cold?
thanks
Jan 25, 2021 at 12:39 PM (Merged)
Avatar
SATURNTECH9
  • CERTIFIED EXPERT
  • 30,869 POSTS
Some are like that but most read the temperature back to the computer and the computer turns the fan on. So they change resistance based on temperature and that tells the computer what temperature the engine is. What size engine do you have?
Jan 25, 2021 at 12:39 PM (Merged)
Avatar
OVO70
  • MEMBER
  • 4 POSTS
It was a faulty relay . thanks for your help.
Jan 25, 2021 at 12:39 PM (Merged)
Avatar
SATURNTECH9
  • CERTIFIED EXPERT
  • 30,869 POSTS
That's crazy it was the relay when both fans run with the a.c. on it uses the same relay.
Jan 25, 2021 at 12:39 PM (Merged)
Avatar
THEOLDMAN
  • MEMBER
  • 2 POSTS
changed the thermostat and radiator when this problem surfaced. car still overheats and fans do not come on when temp goes above normal
Jan 25, 2021 at 12:39 PM (Merged)
Avatar
HMAC300
  • CERTIFIED EXPERT
  • 48,601 POSTS
check your coolant temp sensor may be bad then check fuse and relays under hood. see pics
Jan 25, 2021 at 12:39 PM (Merged)
Avatar
OVO70
  • MEMBER
  • 4 POSTS
replaced relay everything ok now
Jan 25, 2021 at 12:39 PM (Merged)
Avatar
SATURNTECH9
  • CERTIFIED EXPERT
  • 30,869 POSTS
Does not make sense but glad you got it fixed.
Jan 25, 2021 at 12:39 PM (Merged)
Avatar
DONEDEAL10
  • MEMBER
  • 1 POST
My radiator fan quit working what do i do?
Jan 25, 2021 at 12:39 PM (Merged)
Avatar
RASMATAZ
  • CERTIFIED EXPERT
  • 75,992 POSTS
Power the fan motor direct from the battery and see what happens.
Jan 25, 2021 at 12:39 PM (Merged)
Avatar
THEOLDMAN
  • MEMBER
  • 2 POSTS
fans work when connected direct to the batt
Jan 25, 2021 at 12:39 PM (Merged)
Avatar
STRAILER
  • CERTIFIED EXPERT
  • 53,854 POSTS
Okay, than it is probably the relay, here is a wiring diagram and guide to help you test the system to figure out what is wrong.

https://www.2carpros.com/articles/how-to-check-an-electrical-relay-and-wiring-control-circuit

and

https://www.2carpros.com/articles/how-to-use-a-test-light-circuit-tester

Please run some tests and get back to us so we can continue helping you.

Best, Ken
Jan 25, 2021 at 12:39 PM (Merged)
Avatar
HOLLOWAY57
  • MEMBER
  • 6 POSTS
little history on this car, I bought the car with a broken timing chain from a mechanic. They had stripped out the inside of the cylinder head bolts, where they try to remove them. The threads on the bolts were ok. I removed the head and had it machined and the bent valves replaced. I put in the steel inserts after reading about the problems the 2.4 has with head bolts stripping out. (you know a oz of prevention, since I had the head off) Got a gasket set and put the timing chain on, making sure I had all the correct marks lined up. I believe this is where the mechanic made their mistake, lining up the chain on the wrong mark of the cam, because their are two marks on it.

This is what is happening, cooling fans will not come on except when the AC is turned on and they will go off when the AC is turned off, otherwise the car acts like it will over heat. The temp gauge inside the dash shows the hand about half way to hot. When this happens the engine runs very rough and sounds badly. When first starting up the motor sounds great and quiet, but in a minute or two the engine starts making a loud clacking sound from the head. The head does not have the hydraulic lifters but the fixed ones.

When I first start it up it runs good, three different times I test drove it about a mile down the road, the engine started running rough as the temperature gauge on the dash was reaching mid-way. I turned the car around and started back home. As I am driving back into the garage, the motor was sounding badly and the gauge was mid way now. After cooling down, I check fluids to make sure the head did not warp. When the motor is running, taking the oil filler cap off, there is a lot of blow-by coming out. I am not sure if this is normal for Camry's.

This is what I have done...Replaced the fans (because the radiator fan was bad, after hooking them up to directly to the battery). I checked all the grounds, including the one under the intake, checked the fuses, checked relays when 12vots to the relay and used a ohm meter to see if it made contact when activated. on the three fan relays. Replaced and tested the new radiator sensor with a pot of water on the cooking stove and temp gauge and ohm meter. Unplug the radiator sensor while the car is running, the fans will come on, but go off as soon as it is plug back in. Replaced the thermostat. Did a block test, was ok...the compression is as follows, the motor would start each time
no1-125

no2-135

no.3-125

no.4-125

what can I do next, before I burn the motor up trying to fix it?
Jan 25, 2021 at 12:46 PM (Merged)
Avatar
KHLOW2008
  • CERTIFIED EXPERT
  • 41,814 POSTS
Did you check the water pump? A weak water pump would result in poor coolant flow.
Jan 25, 2021 at 12:46 PM (Merged)
Avatar
HOLLOWAY57
  • MEMBER
  • 6 POSTS
Yes I replaced the water pump
the variable timing solenoid was apart when I got the car. I put the solenoid back on the body what has the rod part that goes into the engine. The end was ground off little, I guess the mechanic had a hard time getting it out. Maybe this is the problem
Jan 25, 2021 at 12:46 PM (Merged)
Avatar
KHLOW2008
  • CERTIFIED EXPERT
  • 41,814 POSTS
The solenoid would affect the driveability and engine performance but not the overheating issue.

You ought to have the VVT solenoid replaced as it commonly fails and since it was rejoined, it most probably won't work well.
Jan 25, 2021 at 12:46 PM (Merged)
Avatar
HOLLOWAY57
  • MEMBER
  • 6 POSTS
Replaced the vvt solenoid, it started and ran perfectly for fifteen minutes while driving, then it started running very rough and sounding like a diesel motor, if I turned the motor off and restarted it, it sounded normal.
Jan 25, 2021 at 12:46 PM (Merged)
Avatar
KHLOW2008
  • CERTIFIED EXPERT
  • 41,814 POSTS
Are you getting any codes now?
When VVT solenoid was removed, was there any signs of sludge?
Jan 25, 2021 at 12:46 PM (Merged)
Avatar
HOLLOWAY57
  • MEMBER
  • 6 POSTS
No sludge...was getting a code 301, replaced the spark plug and swap out the no 1 and no 3 coil pack. Just checked the codes, NONE. The car may not be over heating, the temp gets to half way on the dash gauge and the cooling fans do not come on, but the car starts running rough when the temp gets that high. I was thinking about taking the oil pan off to look at the oil pump. What about the exhaust catalytic converter being stopped up?
Jan 25, 2021 at 12:46 PM (Merged)
Avatar
KHLOW2008
  • CERTIFIED EXPERT
  • 41,814 POSTS
What is the idling speed at this time?
Jan 25, 2021 at 12:46 PM (Merged)
Avatar
HOLLOWAY57
  • MEMBER
  • 6 POSTS
don't know, but it does slows down
Jan 25, 2021 at 12:46 PM (Merged)
Avatar
HOLLOWAY57
  • MEMBER
  • 6 POSTS
Problem solved!! I had said a little prayer to the Lord to help me fix this car, I had done all I could do, I finally listen to HIM, to take the oil pan off. What I found was a oil pump screen totally stopped up, from pieces of the inside edge of the oil pan gasket that had gotten brittle and broken off and also oil sludge. Now the motor runs just fine. The motor had many problems, this was the biggest one. Thank you Jesus! lol
Jan 25, 2021 at 12:46 PM (Merged)
Avatar
KHLOW2008
  • CERTIFIED EXPERT
  • 41,814 POSTS
Well done.
Jan 25, 2021 at 12:46 PM (Merged)