Radiator fan loud and does not shut off with engine off

2009 DODGE JOURNEY
90,000 MILES • 3.5L • V6 • 4WD • AUTOMATIC
Avatar
LOAKOAN
  • MEMBER
  • 1 POST
Radiator fan sounds like a jet engine, out of the blue, and stays on after ignition is off. Have to pull fuse to make it stop. Replace fuse after a cool down and fan is off. Does not come back on until engine temperature warms up.
Tried two new relays, disconnected negative battery cable. Still occurring. Ordered a resistor, will change that tomorrow, then possibly a coolant sensor? I do not understand the correlation between super loud and not shutting off? seems like two different issues to me. Any help would be appreciated.
Jan 22, 2018 at 5:30 PM
Advertisement
Avatar
STRAILER
  • CERTIFIED EXPERT
  • 53,855 POSTS
Hello,

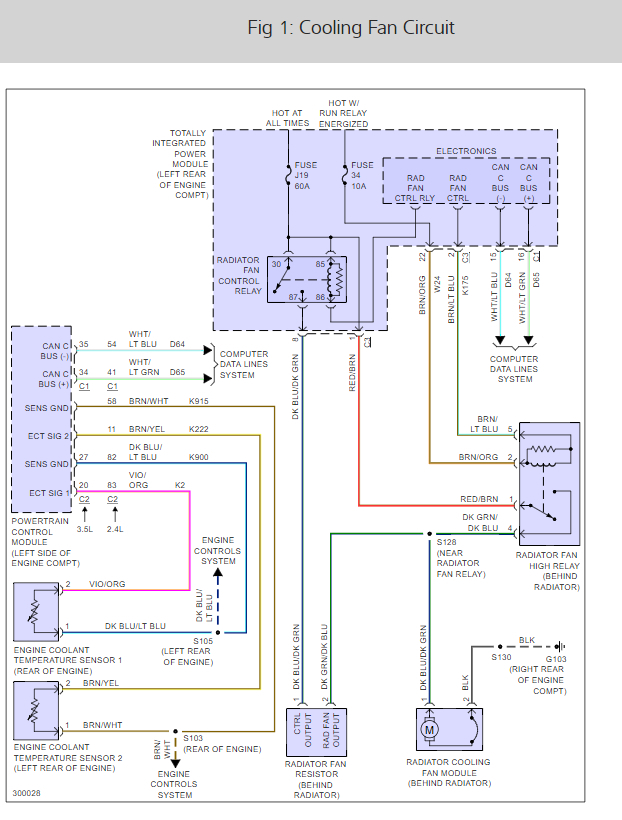
This car has two engine coolant sensors which it sounds like one has shorted out. Here is a wiring diagram for the radiator cooling fans so you can see how there work. Here is a guide to help you see what you are in for when changing the coolant sensor.

https://www.2carpros.com/articles/coolant-temperature-sensor-cts-replacement

Here are the engine coolant sensor locations (below)

I would run the codes as well to see what comes up.

https://www.2carpros.com/articles/checking-a-service-engine-soon-or-check-engine-light-on-or-flashing

Check out the diagrams (Below)

Please let us know what you find. We are interested to see what it is.

Cheers, Ken
Jan 24, 2018 at 12:50 PM