Radiator fan just works when temperature sensor is unplugged?

2009 DODGE CHARGER
150,000 MILES • 2.7L • 4 CYL • 2WD • AUTOMATIC
Avatar
RAF352
  • MEMBER
  • 3 POSTS
Good evening, everyone,

The radiator fan does not turn on when the heat gauge reaches halfway. However, when I unplug the temperature sensor the fan starts working. When I turn the A/C on the radiator fan doesn’t work either.
This is what I already did:

- Check the radiator fan wires (okay )
- Relays - swapped (okay)
- Temperature sensor (replaced)

I am not sure what are the next steps.
Dec 26, 2022 at 8:53 PM
Advertisement
Avatar
JACOBANDNICKOLAS
  • CERTIFIED EXPERT
  • 110,175 POSTS
Hi,

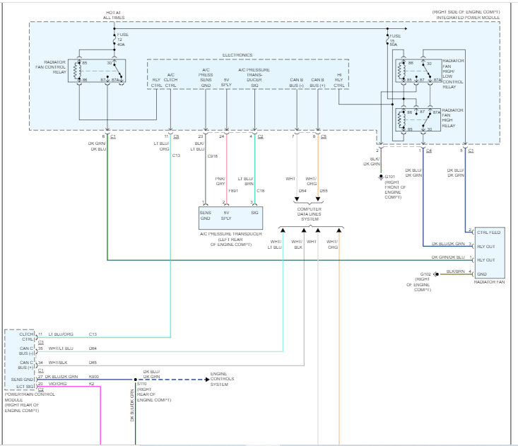
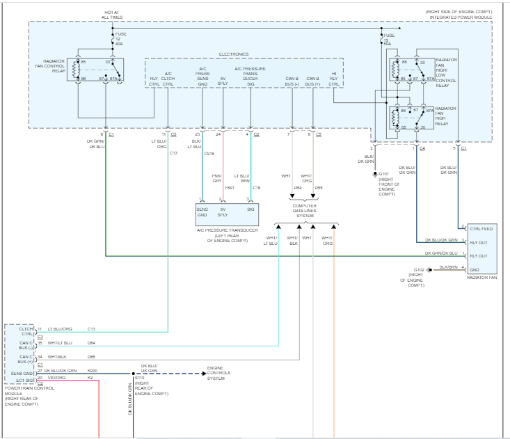
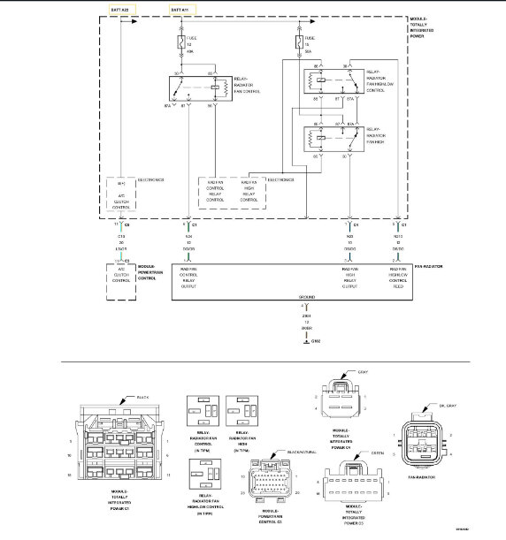
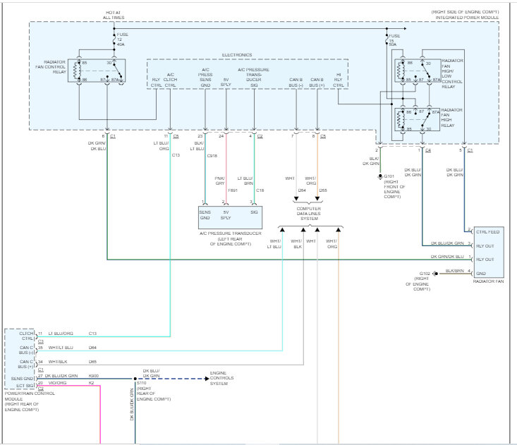
I attached the wiring schematic below, so you have a reference.

I realize you have checked the relays. Did you check all three? Also, when you checked the fuses that power the relay (fuses 12 and 15) and if they were good, did you confirm there is power to and from them?

Next, have you checked the blower motor itself for power? It is a dark blue wire with a dark green tracer.

Have you tried running power directly to the blower motor to see if it will run?

Okay, I have too many questions and not enough answers for you. LOL, I ask because the totally integrated power module (TIPM) has a history of failure. They placed too many small connector pins in each connector. As a result, they often corrode and break.

Before we jump into that as a possibility, I want to make sure we covered the easy possibilities.

Let me know.

Joe

See pic below. Note: I cut the schematic into two parts and overlapped them to make them readable for you.
Dec 26, 2022 at 10:29 PM
Avatar
RAF352
  • MEMBER
  • 3 POSTS
Hi Jacob,

Thanks for your reply, and as recommended I checked the following:

- Relays 18,19,20 were validated again being swapped with relay 21 which is same part number, but no improvement was seen. Please see attached picture for reference.

- Fuses 12,15 were checked for continuity and they were OK. There was power in their terminals as well (OK). Please see attached picture for reference.

- Checked the cooling fan motor with direct power (OK).

The only thing I noticed today was when Turning On the AC the Radiator Cooling Fan Turned On for about 5 seconds and then Turned Off.

Please let me know if you have additional checks that would recommend.

Thanks
Dec 27, 2022 at 4:18 PM
Advertisement
Avatar
JACOBANDNICKOLAS
  • CERTIFIED EXPERT
  • 110,175 POSTS
Hi,

I was hoping it was something simple. Here is what needs to be done. For some of the tests, we need a scan tool that can communicate with and actuate different relays. I don't know if you have access to one or not.

Other tests will require a test lamp or a voltmeter/multimeter.

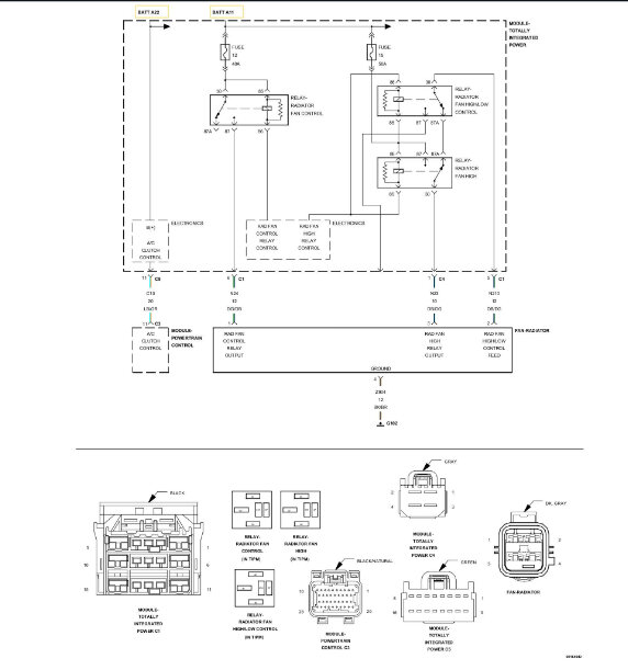
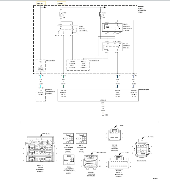
I attached the diagnostics below for testing the fan operation. Take a look through them and let me know if you feel comfortable performing them and if you have a scan tool that will work for this procedure.

Here is something I have to suggest: The diagnostics are extensive. If I had this vehicle in my shop, I would start with the very last test listed (number 18) The TIPM connectors are known for issues.

Let me know.

Take care,

Joe

See pics below.
Dec 27, 2022 at 6:37 PM
Avatar
RAF352
  • MEMBER
  • 3 POSTS
Hi Jacob,

I can do the testing and I have the multimeter but not the scanner. I can get a Scanner I just need to know if you have a recommendation of any specific scanner model because I couldn’t find any Scanner with the capability to actuate relays.

Thank you
Dec 28, 2022 at 3:52 PM
Avatar
JACOBANDNICKOLAS
  • CERTIFIED EXPERT
  • 110,175 POSTS
Hi,

To actuate relays, you need what is called a bi-directional scanner. They are not cheap. I did some quick research and found one on Amazon that will do the job. See pic below.

Again, it is a bi-directional scan tool that is needed. I was hoping you may be able to find someone to let you borrow theirs. LOL

Regardless, let me know if I can help in any way.

Take care,

Joe

See pic below.
Dec 28, 2022 at 8:33 PM