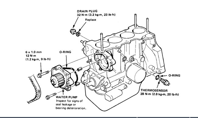
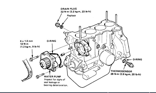
Already checked radiator fan relay, okay, replaced thermosensor above oil filter, okay, noticed when i ground blue wire from relay, radiator fan turns on. any idea? There is a sensor on the bottom of the radiator is that part of the radiator fan system? Please advice. Thank you.
Apr 28, 2019 at 6:22 PM













