Radiator fan and air conditioning not working properly?

2012 LANCIA VOYAGER
150,000 MILES • 2.8L • 4 CYL • TURBO • 2WD • AUTOMATIC
Avatar
ROBERT BLOM
  • MEMBER
  • 2 POSTS
I have a problem with my vehicle listed above 2.8crd MultiJet diesel van. The first problem is that the radiator fan is running at high speed continuously when the engine is running. Even with the 60A fuse disconnected it will run.
Second is the power to the A/C compressor clutch. I have replaced compressor, condenser, filter-drier and pressure transducer switch. Also, the system is flushed and refilled with r-134a. There is no power to the compressor when the A/C switch is selected on the Climate control unit.
Checked the TIPM but no visible problems.
I have tried to find electrical diagrams of the TIPM, PCM etc., but with no result.
I hope someone can supply those diagrams to start further electrical investigations.

Regards,

Robert Blom
The Netherlands
Aug 10, 2022 at 5:08 AM
Advertisement
Avatar
BORIS K
  • CERTIFIED EXPERT
  • 836 POSTS
Hello,

Your vehicle is a rebadged Chrysler Voyager in Europe or Town and Country in USA.

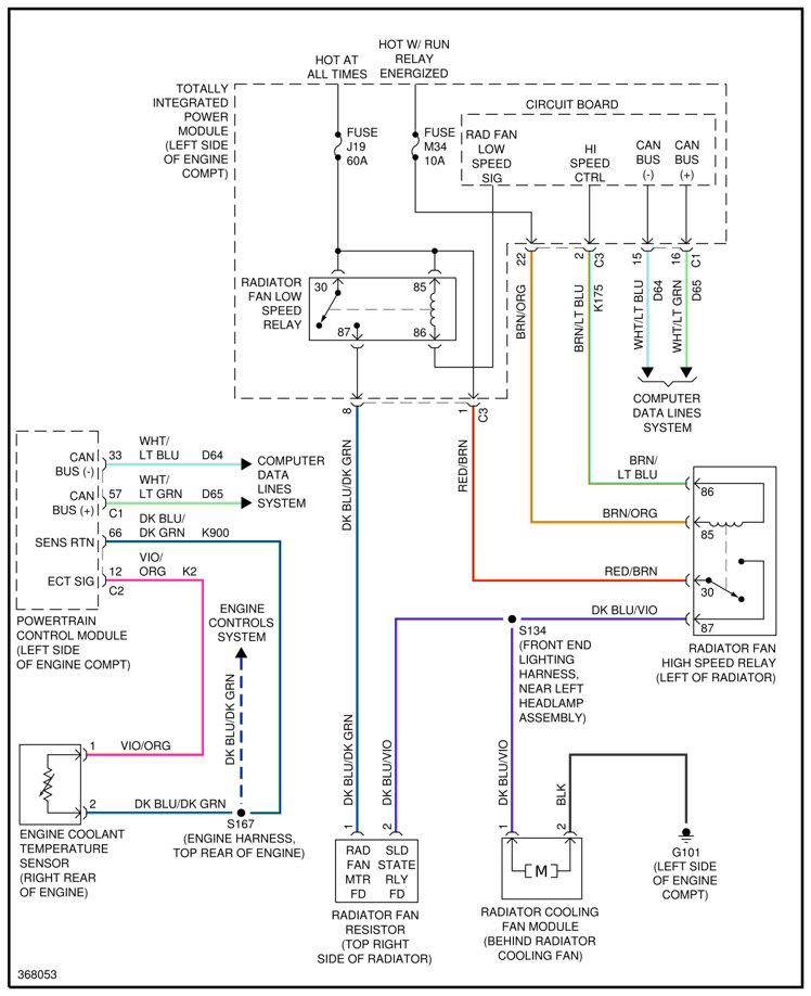
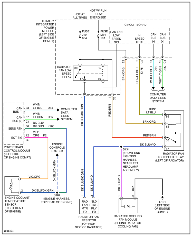
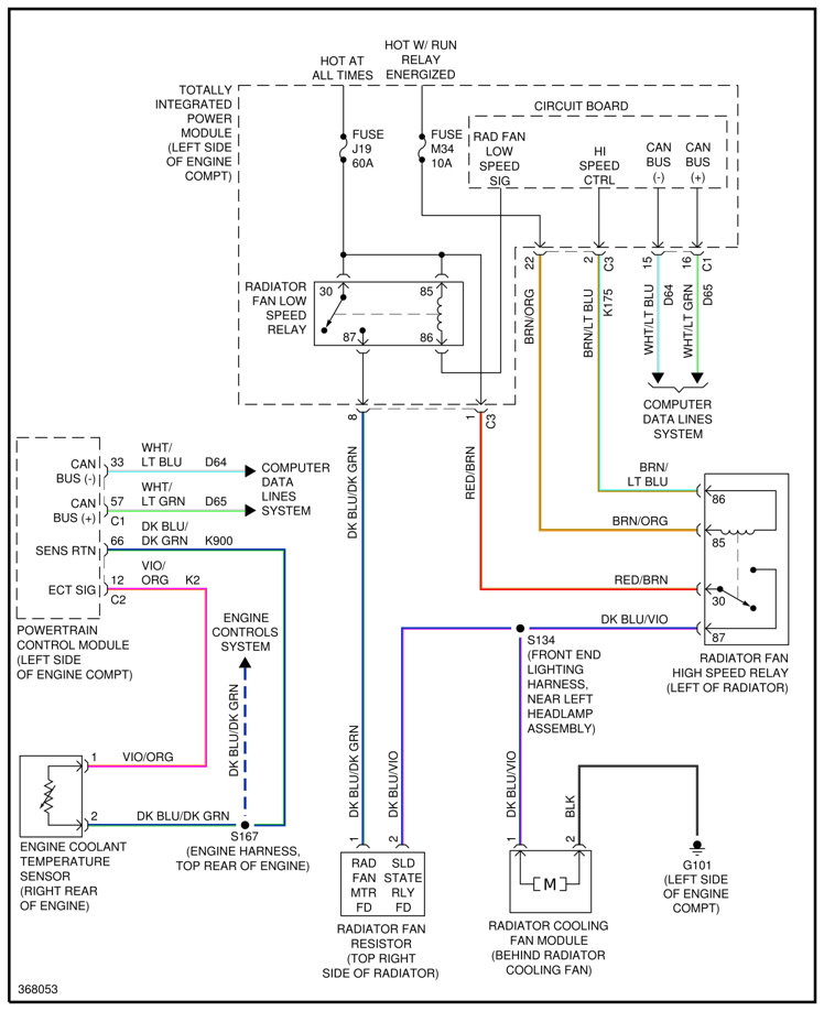
Below please find relevant wiring diagrams for the 2.8 diesel.

At PCM connector C1 is black, 96 pin, see image 3
Image 4 is the TIPM layout
Connector C1 at TIPM is black, 50 pin, see image 5
Connector C3 at TIPM is green, 26 pin, see image 6

Hope this helps.

Cheers, Boris
Aug 10, 2022 at 8:15 AM
Avatar
ROBERT BLOM
  • MEMBER
  • 2 POSTS
Thank you so much Boris! This is very helpful.
Aug 10, 2022 at 11:20 PM
Advertisement
Avatar
STRAILER
  • CERTIFIED EXPERT
  • 53,854 POSTS
BORIS K is one of our best! Use 2CarPros anytime, we are here to help. Please tell a friend.
Aug 12, 2022 at 9:36 AM