Does the radiator fan stay on constantly, or does it turn on and off?

2005 NISSAN PULSAR
176,500 MILES • 1.8L • 4 CYL • 2WD • AUTOMATIC
Avatar
DHWANIL123
  • MEMBER
  • 21 POSTS
1) Since it's going on and off when the engine temperature is between hot and cold.

2) While driving sometimes the temperature goes up and down continuously, the coolant is low probably, which coolant do you suggest for this car? Or can there be any other fault?
Jul 6, 2022 at 1:42 AM
Advertisement
Avatar
STRAILER
  • CERTIFIED EXPERT
  • 53,854 POSTS
Yes, the radiator cooling fan should turn on and off with the engine temperature, here is a guide on how to check the coolant level:

https://www.2carpros.com/articles/how-to-check-engine-and-battery-pack-antifreeze-levels

Coolant Type

Use Genuine Nissan Long Life Anti-freeze coolant or equivalent with the mixture ratio of 50% anti-freeze and 50% demineralized or distilled water when adding or replacing coolant.

Capacities


Cooling System Capacity (Approximate)

M/T Models With reservoir .................... 1 3/4 gal. (1 1/2 Imp gal, 6.8 L)

A/T Models With reservoir .................... 1 3/4 gal. (1 1/2 Imp gal, 6.7 L)

Please let us know what happens.

Jul 6, 2022 at 7:45 PM
Avatar
DHWANIL123
  • MEMBER
  • 21 POSTS
Well, even after adding the coolant, the engine temperature fluctuates between the middle and hot. I have shown a mechanic, he says there is a problem in the radiator fan, and it needs to be replaced. According to him, the fan turns on and off only when a/c is turned on, otherwise it does not work. Is it a wiring problem or does the fan need to be replaced?
Jul 7, 2022 at 7:00 PM
Advertisement
Avatar
STRAILER
  • CERTIFIED EXPERT
  • 53,854 POSTS
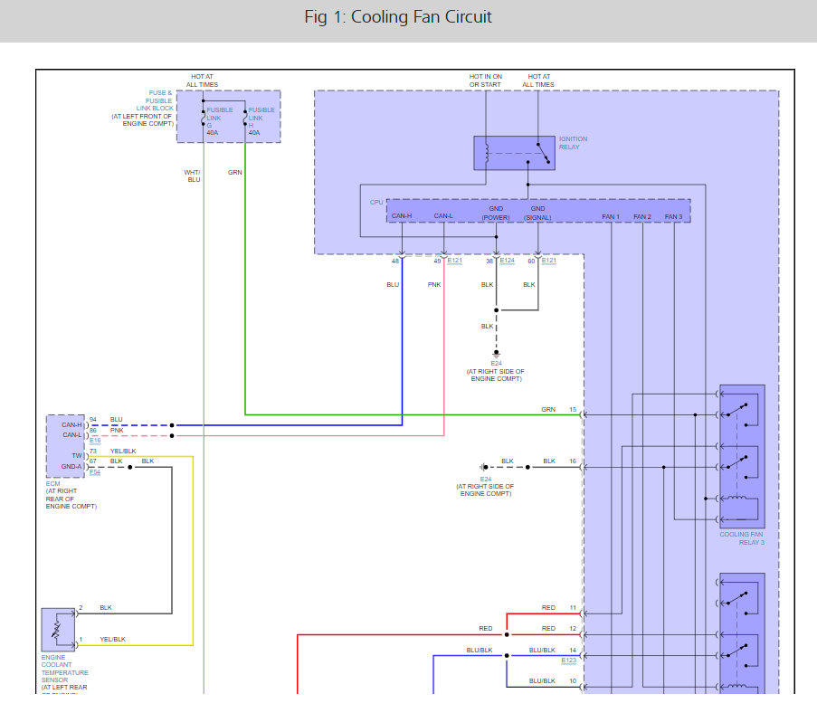
Is there more than one fan motor? Here is a wiring diagram I found for the cooling fans and it shows two fan motors?
Jul 9, 2022 at 9:49 AM