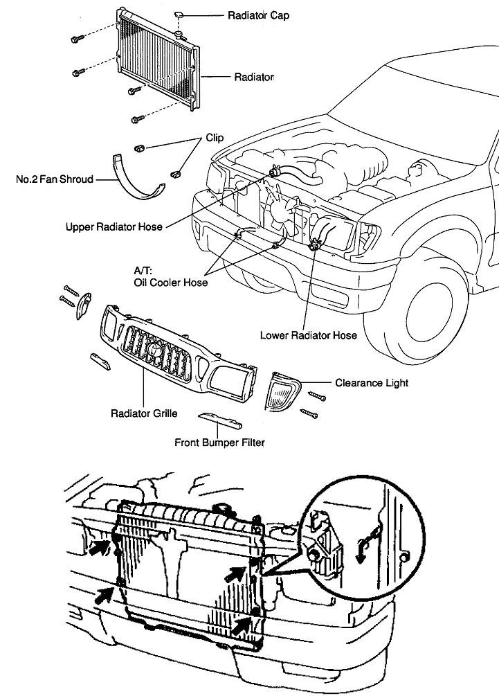
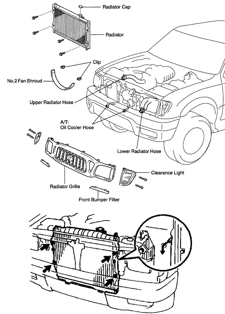
I'm trying to replace my radiator but don't want to shell out $275.00 for a Toyota Part Replacement (part #164100C032).
I've been looking online but there seems to be different core dimensions that aren't mentioned on the Toyota Part description.
18 5/8 Core
20 3/4 Core
22 5/8 Core
etc, etc,.
So how does one figure out what they need?
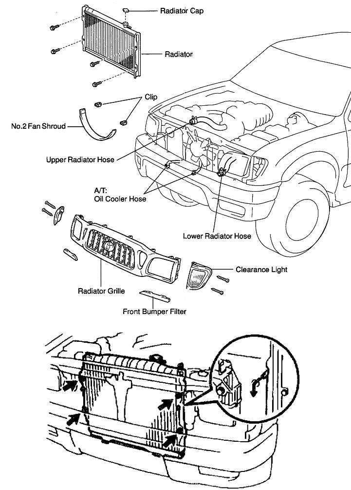
I've been looking online but there seems to be different core dimensions that aren't mentioned on the Toyota Part description.
18 5/8 Core
20 3/4 Core
22 5/8 Core
etc, etc,.
So how does one figure out what they need?
Feb 27, 2022 at 12:26 PM


