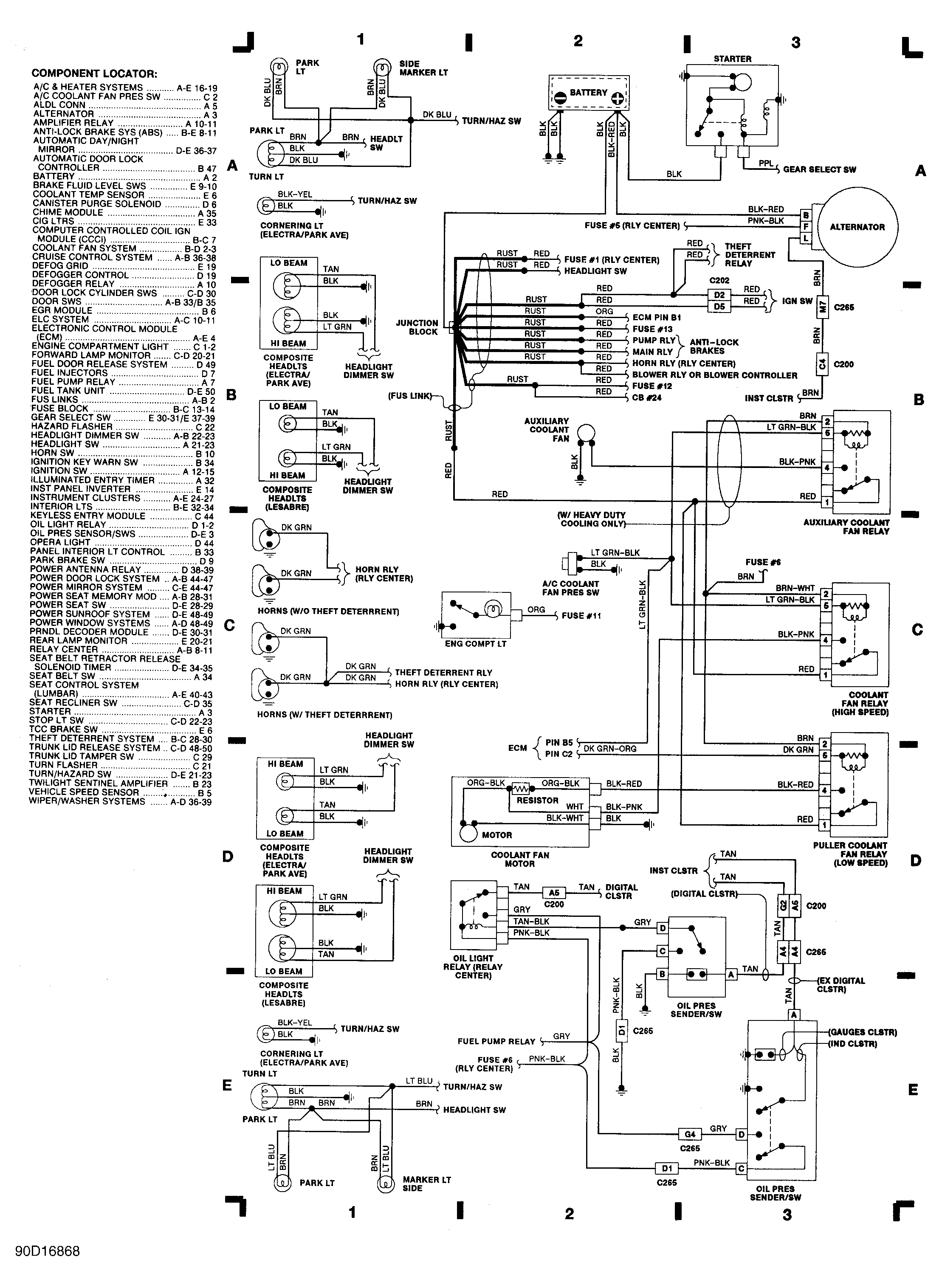
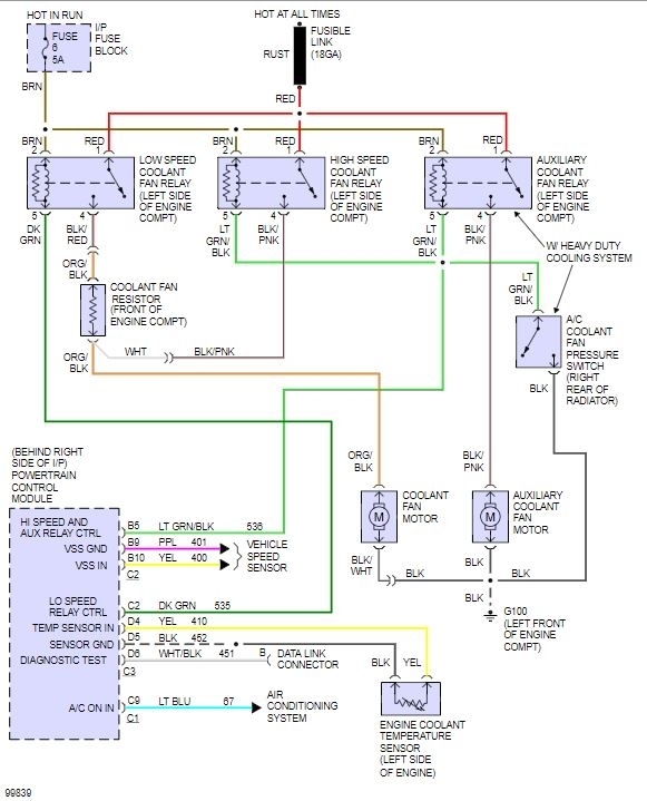
Lets start by seeing now if voltage is leaving the relays. The relays would have to both have voltage to it and there are two spots on the relays that have to have voltage. The voltage that comes from the fusible link and eventually straight from the battery and the other spot that fuse, that actually activates the relay, but keep in mind the ECM (engine control module) has to allow that voltage go to ground in order to complete that circuit and activate that particular relay. The ECM relies on the coolant temperature sensor for that signal to tell it when to close that ground, but also the ECM has to have voltage to it as well, so that itself is in fact powered up and able to allow these relay grounds to occur.
So the best way to find out what is going on is use the voltmeter or twelve volt test light and test where the voltage is present, then getting lost when it should be there. So, with the key on run/engine off just for now, let's take a look at the fuse number six that feeds both the high and low speed relays, so make sure twelve volts is at both of them wires. They are the wires that are to activate them relays. Then test if them other two wires at each relay has twelve volts from the fusible link, so they should have twelve volts even with the key off, because they come right from the battery. The wires are the brown/white wire at the high speed relay and the brown wire at the low speed that should be hot with twelve volts when the key is on run, even checking with the engine off for now. Those other wires from the fusible link are the red wire at each of them relays. Once you confirm all four of those wires have voltage with the key on run/engine off, then you have to determine why the relays are not activating. The high speed relay should activate as soon as the air conditioning is turned on, but also there is a splice with the same light green/black wire that goes to pin B5 of the ECM. So you can put your finger tips on that relay and feel if it does in fact click once the AC is turned on, then also if grounding that light green/black wire with the twelve volt test light, and the key on run/engine off will allow that relay to activate and the cooling fan run. If it does then everything is okay right up to and including that relay, then the problem has to be with the ECM grounding that relay so then you would have to make sure first of all that the ECM fuse is okay, that the ECM is powering up, most of the time just the fact that the check engine light comes on when you first turn the key to run, before you turn the key to start may tell you whether or not the ECM is powering up or not. Then if it is and it is grounded properly, than you would have to suspect perhaps the coolant sensor and/or that sensor wiring is at fault, so then make sure you have voltage on the yellow wire at the coolant sensor, with the key on run, and if so, check the black wire disconnected with an ohmmeter and make sure that wire is not shorted or grounded. It should read around five ohms. If it does and everything else checked out okay, the problem might be the ECM itself but before condemning it make sure you retrieve any trouble codes from it and on a 1990 Buick you just need a paper clip, with key off stick the paper clip into the diagnostic link connector (DLC) at the top row, the last two to the right end, then turn the key to run/engine off and count the check engine flashes. It will flash twelve three times to let you know it is working, then flash any codes three times, then return to flash twelve when it is done. For instance a twelve is a flash of the check engine light, then a pause then a flash, flash one right after another to represent a two, meaning a one and then a two or a twelve. If you find any codes referring to the ECM itself, the cooling fans or coolant sensor, let me know but here they are. Code 14 coolant temperature sensor signal voltage low
Code 15 CTS signal voltage high. Code 51 Faulty PROM, MEM-CAL or ECM. Code 55 Faulty ECM. Code 66 A/C pressure sensor voltage out of specification.
Feb 21, 2018 at 5:12 PM