Radiator Cooling fan not functioning?

2007 KIA MAGENTIS
134,654 MILES • 4 CYL • 2WD • AUTOMATIC
Avatar
BLESSING EWOBOR
  • MEMBER
  • 754 POSTS
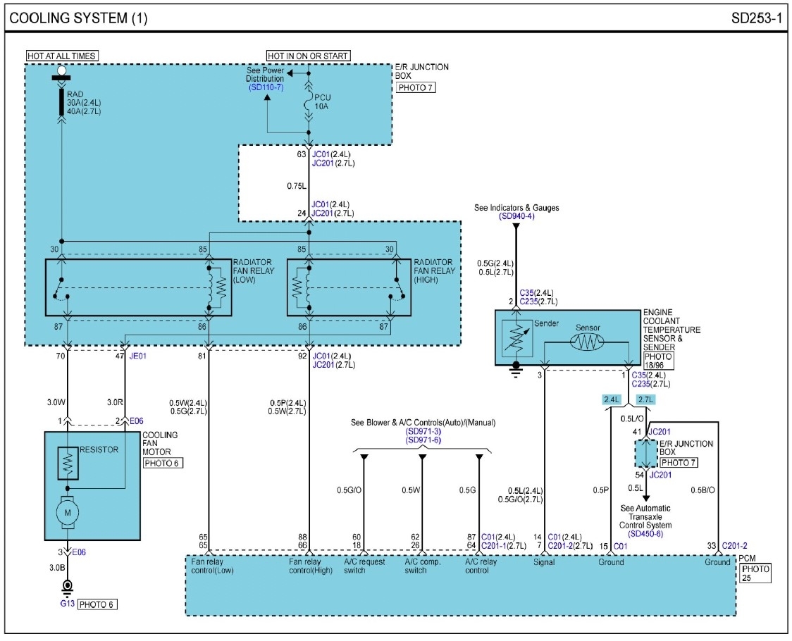
The cooling fan of the vehicle is not functioning. Could I have the wire diagram of the cooling system?
Apr 10, 2025 at 9:09 PM
Advertisement
Avatar
STEVE W.
  • CERTIFIED EXPERT
  • 15,113 POSTS
Looks like the typical Kia system. High and low relay controlled by the PCM. Low turns on a 202F high at 220F. Quick test, unplug the coolant sensor, fan should come on.
Apr 10, 2025 at 11:49 PM
Avatar
BLESSING EWOBOR
  • MEMBER
  • 754 POSTS
Thank you very much.

There is voltage at the fuse (10A) but there is no voltage at the control circuit of the relays (terminal 85 of the relay).
Apr 13, 2025 at 4:45 AM
Advertisement
Avatar
STEVE W.
  • CERTIFIED EXPERT
  • 15,113 POSTS
Sounds like the transfer wire under the box has a problem. Kia didn't run an internal power feed, instead it comes out of the fuse through terminal 63 and through a jumper wire and back into the box at terminal 24 to feed the relays. Probably corrosion or rodent damage to the connector harness under the fuse-relay box.
Apr 13, 2025 at 1:58 PM
Avatar
BLESSING EWOBOR
  • MEMBER
  • 754 POSTS
Thank you sir,
I think replacing the relay box could solve the problem.
Apr 13, 2025 at 4:19 PM
Avatar
STEVE W.
  • CERTIFIED EXPERT
  • 15,113 POSTS
Probably not, it could be a bad connection at the large contact cluster but I suspect the problem is actually in the connector block that the relay box plugs into that I circled in red. There is a short wire under it that connects the relays to power, from the description that is the failure item, not the box itself. I would disconnect the battery, pull the box out then inspect the connectors, it's possible it's just corroded, a simple continuity test would tell you if it's the wire or something else, if not unbolt that large connection assembly and flip it over, then look for the lavender wire between 63 and 24. Is it intact? There is a lot of wiring stuffed under there, very easy for it to chafe through or be a snack.
Apr 14, 2025 at 10:35 AM
Avatar
BLESSING EWOBOR
  • MEMBER
  • 754 POSTS
Thank you, sir.
Apr 14, 2025 at 6:44 PM
Avatar
STEVE W.
  • CERTIFIED EXPERT
  • 15,113 POSTS
You're welcome.
Apr 14, 2025 at 10:22 PM