has two radiator cooling fans but none is working while the engine is running

2003 TOYOTA RAV4
196,457 MILES • 4 CYL • 2WD • AUTOMATIC
Avatar
BLESSING EWOBOR
  • MEMBER
  • 754 POSTS
Hello, I am working on a vehicle, it has two radiator cooling fans but none is working while the engine is running. The two fans only operate when the air-conditioning is engaged. I thought it is the thermostat initially, I started the engine and allowed it to run for some times, the engine almost overheat but the fans could not run. What could be the cause and how can it be fixed?
Sep 23, 2020 at 12:37 PM
Advertisement
Avatar
ASEMASTER6371
  • CERTIFIED EXPERT
  • 52,796 POSTS
Good afternoon,

The first thing I would do is remove the coolant sensor connector and with the key on, see if the radiator fans come on.

If they do not, try jumping the 2 wires together and recheck.

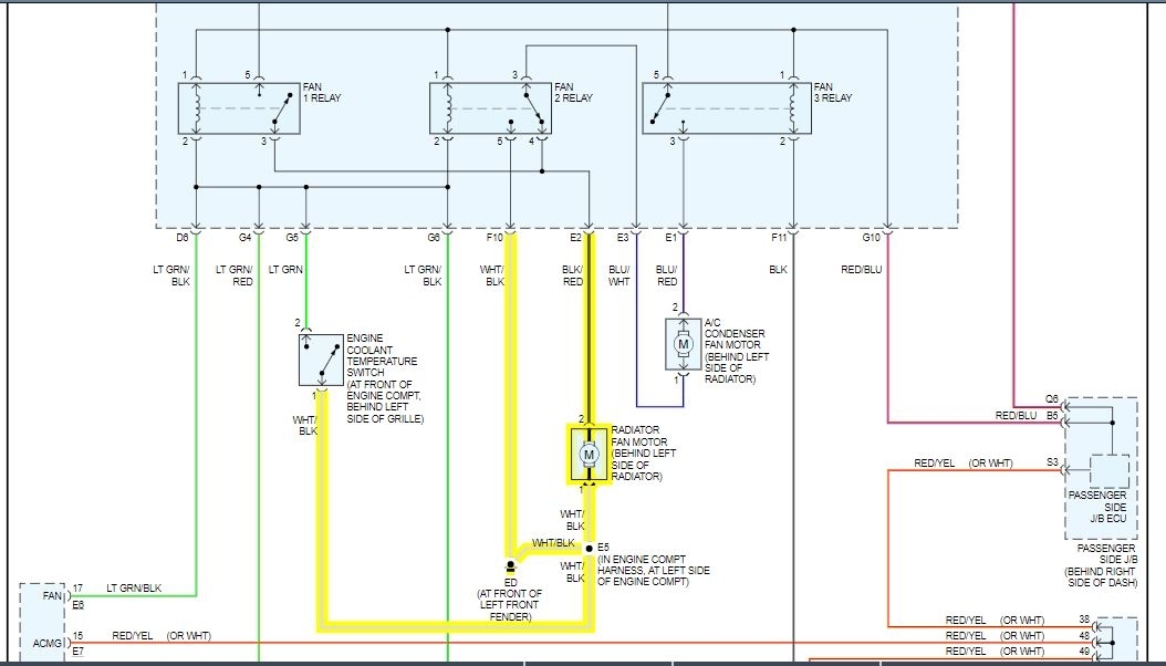
I attached a wiring diagram for the system for you.

Let me know when you want to do some voltage testing.

https://www.2carpros.com/articles/how-to-check-wiring

https://www.2carpros.com/articles/how-to-check-an-electrical-relay-and-wiring-control-circuit

https://www.2carpros.com/articles/how-to-check-a-car-fuse

Roy
Sep 23, 2020 at 1:59 PM
Avatar
BLESSING EWOBOR
  • MEMBER
  • 754 POSTS
Good morning, disconnecting the connector from the sensor or jumping the wires together, if the fans picked up, does it mean that the sensor is faulty or what?
What if the fans does not picked up, what is the next step to take?
The owner of the vehicle is currently using his vehicle, so I want to tell him exactly what is wrong with his vehicle whenever I call him.
Sep 25, 2020 at 12:42 AM
Advertisement
Avatar
ASEMASTER6371
  • CERTIFIED EXPERT
  • 52,796 POSTS
If the fans come on then yes, the sensor is the issue.

If they do not then we will need to do some electrical testing to determine the failure. At this point it is too early to be able to say the issue until diagnostics are done.

Roy
Sep 25, 2020 at 2:02 AM
Avatar
BLESSING EWOBOR
  • MEMBER
  • 754 POSTS
Good morning,

From the circuit diagram you sent. Is there any difference between the engine coolant temperature sensor and the engine coolant temperature switch?
Sep 27, 2020 at 2:42 AM
Avatar
ASEMASTER6371
  • CERTIFIED EXPERT
  • 52,796 POSTS
Yes, the sensor is measuring the temperature of the coolant in the engine.

The switch is measuring the temperature at the radiator itself.

I attached a picture of the location for you to view.

Roy
Sep 27, 2020 at 4:21 AM
Avatar
BLESSING EWOBOR
  • MEMBER
  • 754 POSTS
Thank you, but is it all vehicles that have it or just Toyota? I mean the coolant temperature switch.
Sep 27, 2020 at 6:14 AM
Avatar
ASEMASTER6371
  • CERTIFIED EXPERT
  • 52,796 POSTS
Depends on the manufacturer. There are several that incorporate this.

Roy
Sep 27, 2020 at 6:15 AM
Avatar
BLESSING EWOBOR
  • MEMBER
  • 754 POSTS
Good evening, I have removed the connector from the sensor, the fans didn't function and I jumped the two wires together yet it didn't work. I tested for voltage at the connector terminals it was 5 volts.
What is next step?
Sep 27, 2020 at 11:30 AM
Avatar
ASEMASTER6371
  • CERTIFIED EXPERT
  • 52,796 POSTS
Which sensor? The one on the engine or the one in front of the car?

Roy
Sep 27, 2020 at 11:46 AM
Avatar
BLESSING EWOBOR
  • MEMBER
  • 754 POSTS
Hello, the one on the engine.
Sep 27, 2020 at 6:54 PM
Avatar
ASEMASTER6371
  • CERTIFIED EXPERT
  • 52,796 POSTS
Go to the one under the hood and jump the 2 terminals and see if the fans come on.

Roy
Sep 28, 2020 at 1:38 AM
Avatar
BLESSING EWOBOR
  • MEMBER
  • 754 POSTS
That's what I have already done in my previous post. it didn't come on.
Sep 28, 2020 at 6:25 PM
Avatar
ASEMASTER6371
  • CERTIFIED EXPERT
  • 52,796 POSTS
Go to the one behind the grille and see if it comes on.

That one will stop the fans from coming on if it is not closing.

Roy
Sep 29, 2020 at 1:07 AM
Avatar
BLESSING EWOBOR
  • MEMBER
  • 754 POSTS
You mean the switch, how does it looks like?
Sep 29, 2020 at 6:50 PM
Avatar
JACOBANDNICKOLAS
  • CERTIFIED EXPERT
  • 110,175 POSTS
Hi,

The coolant temperature switch is located at the bottom of the radiator. See the attached pic. I believe that is the one that Roy is referring to.

Let us know if you find it.

Joe
Sep 30, 2020 at 7:04 PM
Avatar
BLESSING EWOBOR
  • MEMBER
  • 754 POSTS
Thank you.
Sep 30, 2020 at 7:51 PM
Avatar
ASEMASTER6371
  • CERTIFIED EXPERT
  • 52,796 POSTS
Let us know if connecting the 2 wires together makes the fan come on.

You are welcome.

Roy
Oct 1, 2020 at 1:22 AM
Avatar
BLESSING EWOBOR
  • MEMBER
  • 754 POSTS
Good morning, the fans are now functioning without AC engaged.
The engine coolant temperature switch was disconnected before now. Jumping the wires together with the engine running, the fans picked up.
Oct 12, 2020 at 5:09 PM
Avatar
ASEMASTER6371
  • CERTIFIED EXPERT
  • 52,796 POSTS
Okay, that indicates the coolant switch is bad, replace that switch.

Roy
Oct 12, 2020 at 5:11 PM
Avatar
BLESSING EWOBOR
  • MEMBER
  • 754 POSTS
Since, the engine coolant switch, A/C single pressure switch and the engine coolant temperature sensor (from the circuit diagram) can complete the circuit for both fans to function. What is the function of fan relay 2?
Where is engine coolant temperature sensor grounded?
At what condition will the A/C condenser fan motor and radiator Fan motor connected in series (from the circuit diagram)?
Oct 12, 2020 at 5:23 PM
Avatar
BLESSING EWOBOR
  • MEMBER
  • 754 POSTS
I don't know if I could have circuit diagram showing the relationship between the A/C single pressure switch and the compressor on these vehicle (I mean for the compressor to cut off from power when the pressure is low).
Oct 12, 2020 at 5:34 PM
Avatar
ASEMASTER6371
  • CERTIFIED EXPERT
  • 52,796 POSTS
Okay, since we are not working with the cooling fans anymore, please start a new question concerning the A/C system.

Once you start a new question, I will be glad to assist with that issue.

Roy
Oct 13, 2020 at 5:47 AM
Avatar
BLESSING EWOBOR
  • MEMBER
  • 754 POSTS
Okay, thank you.
Oct 14, 2020 at 7:32 PM
Avatar
ASEMASTER6371
  • CERTIFIED EXPERT
  • 52,796 POSTS
You are welcome.

Always glad to help.

Roy
Oct 15, 2020 at 12:57 AM