Do neither cooling fan come on? If they both are not coming on then we may have a different issue as the 2nd fan should be on when the A/C is on.
https://www.2carpros.com/articles/how-an-electric-cooling-fan-works
Have you turned the A/C on and checked to see if both are on?
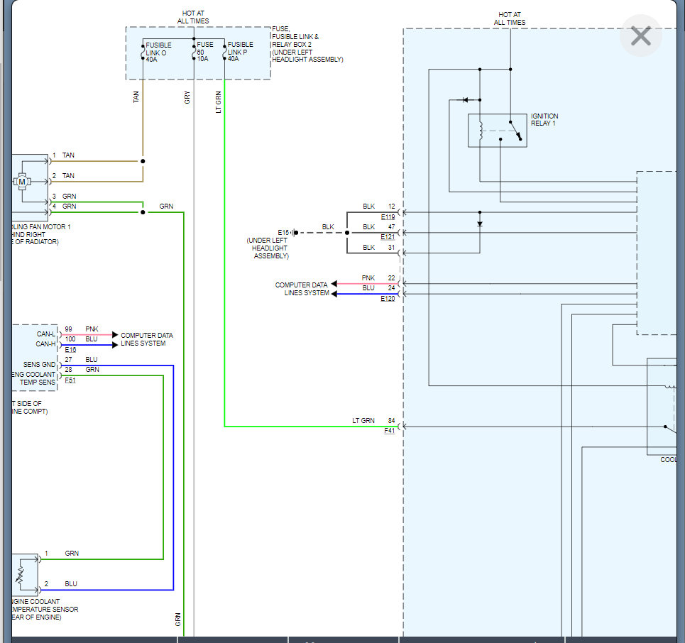
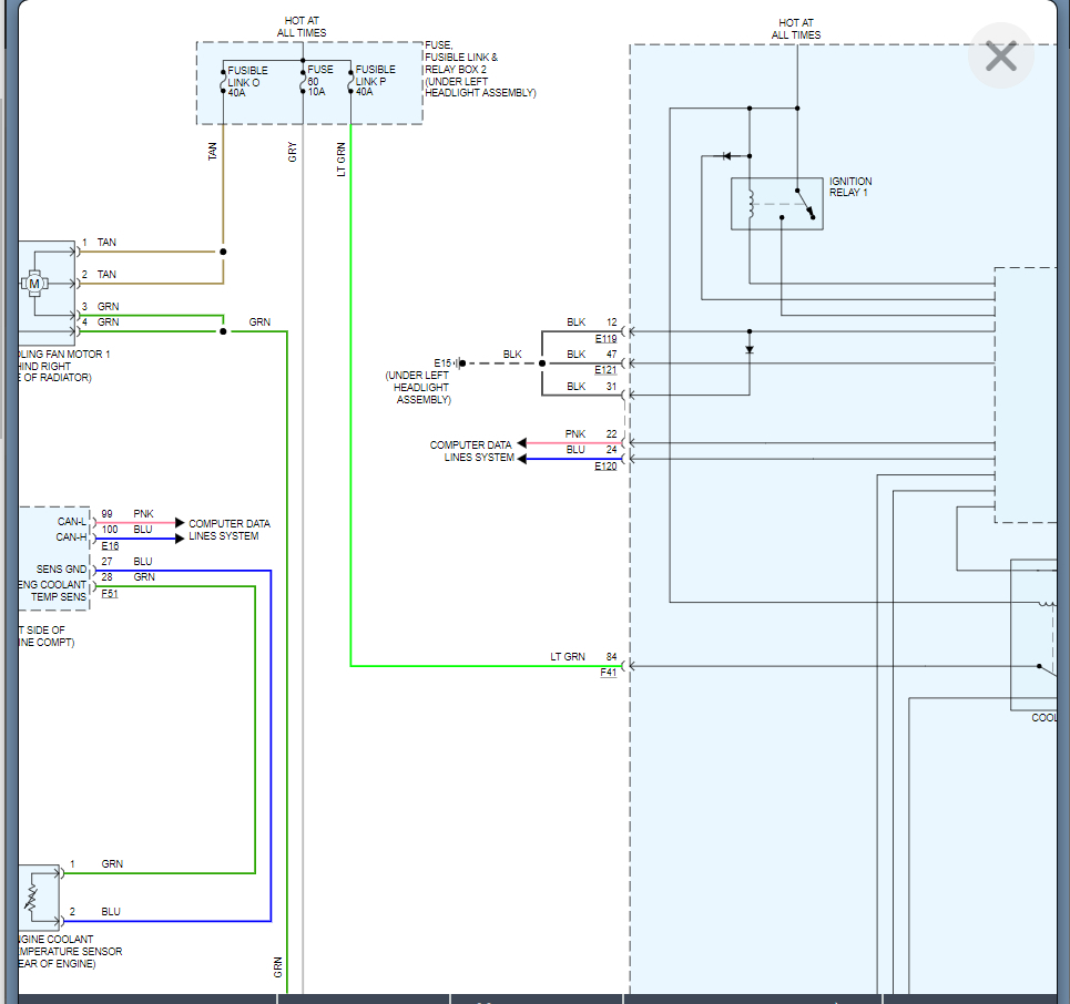
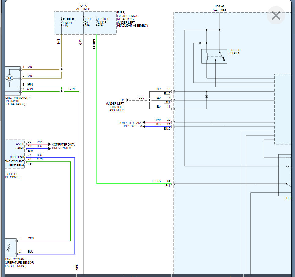
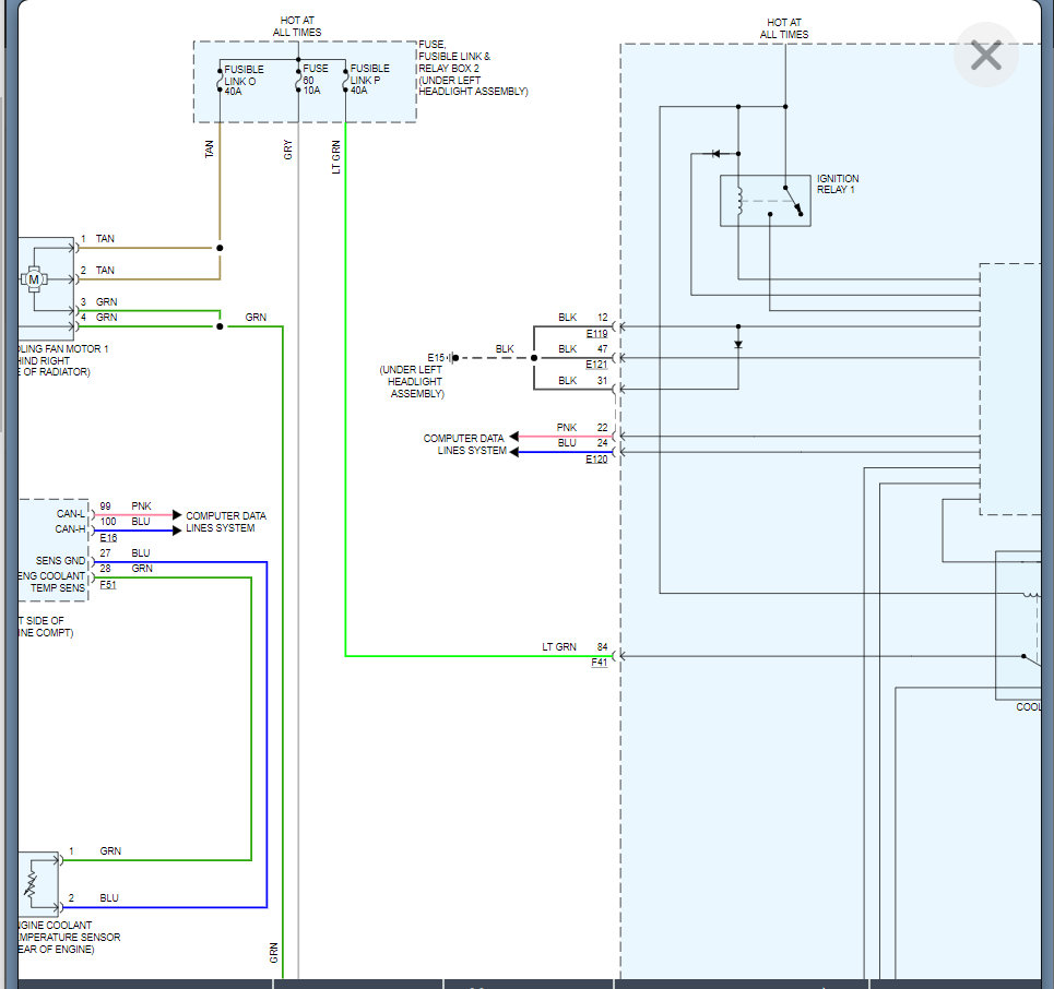
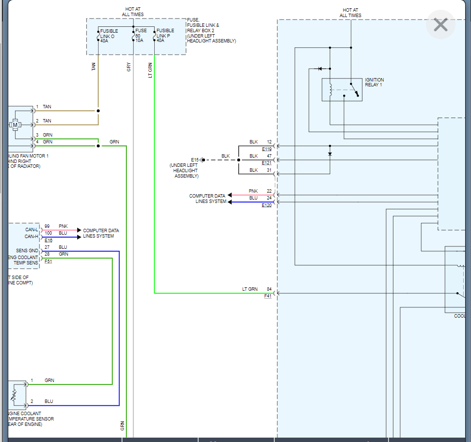
The ECT sensor is on the rear of the engine. I attached the wiring diagram of this system and we are going to need to check for voltage at the fans and then track it back through the system. This could be a relay issue as well, so here are some guides that will help with all of this:
https://www.2carpros.com/articles/how-to-check-wiring
https://www.2carpros.com/articles/how-to-check-an-electrical-relay-and-wiring-control-circuit
Below you will find the info from the manual. Please let us know what questions you have and what you find. Thanks
Images (Click to enlarge)
Jun 20, 2021 at 5:12 PM