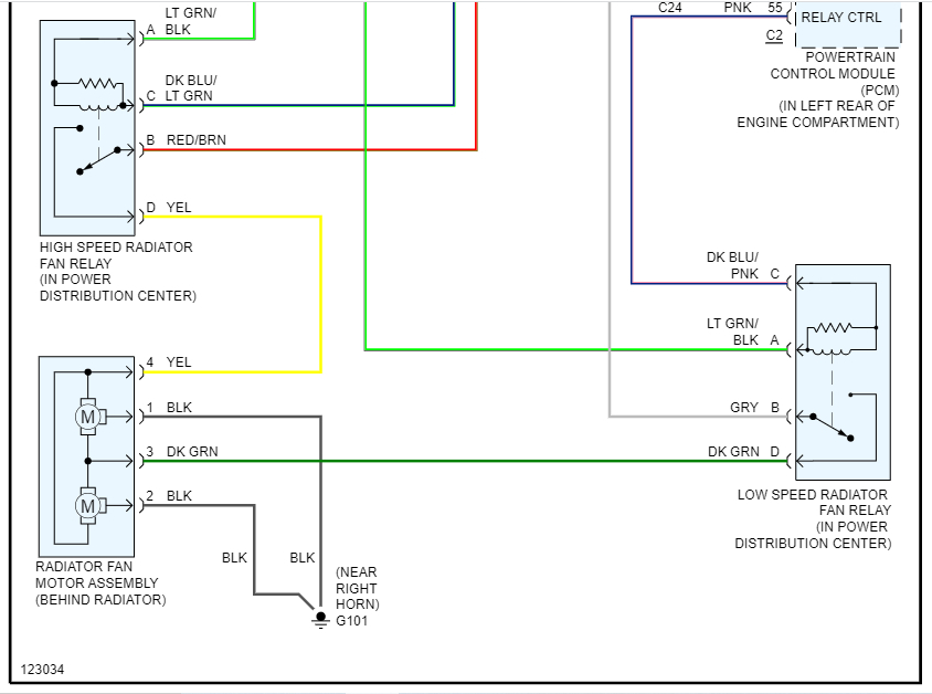
I had my radiator replaced and the person did not fix the fan shroud back to the radiator and my fan shroud fell backwards, I believe it was backwards. anyway, it fell into my pulley system or however it goes and rubbed off all the wires to my fan which cause of course my fan stopped working, then overheated my car almost. so, now a friend of mine had redid All the wiring on the fan in my car and I'm wondering if when the wires did that will it is there a safety switch in the relays like it'll like something of pop a fuse you know as if false safety mechanism but would something like that happen in the relays. I'm not sure. should I check my relays before I go ahead and order fan assembly. I should probably buy a whole new fan for my car because I'm not sure about the fixed wires if that should be safe and I should probably check the relays but I'm not sure how to do that my fuses are fine and the relay under the hood is when I'm wondering if that's where I should start.
Jun 2, 2023 at 7:28 PM


