Radiator cooling fan?

2000 DODGE INTREPID
110,000 MILES • 3.5L • 6 CYL • 2WD • AUTOMATIC
Avatar
ANITA TROY
  • MEMBER
  • 38 POSTS
I had someone replace my radiator for me and they did not fix it to the fan shroud and the fan shroud fell forward or backwards. I mean into the pulley system and rubbed all the wires off of my fan shop to wear my fan was not working anymore. I was being helped the beginning of this month from two car pros and I ordered a new fan shroud from online and I got the exact fit kind, but the one I took out of my car listed above RT has two sensors on the fan the one I got that they have said it was a guaranteed fit does not have the two sensors on it. so I'm trying to figure out what those two sensors are on the fan.
Jun 18, 2023 at 11:03 AM
Advertisement
Avatar
STRAILER
  • CERTIFIED EXPERT
  • 53,855 POSTS
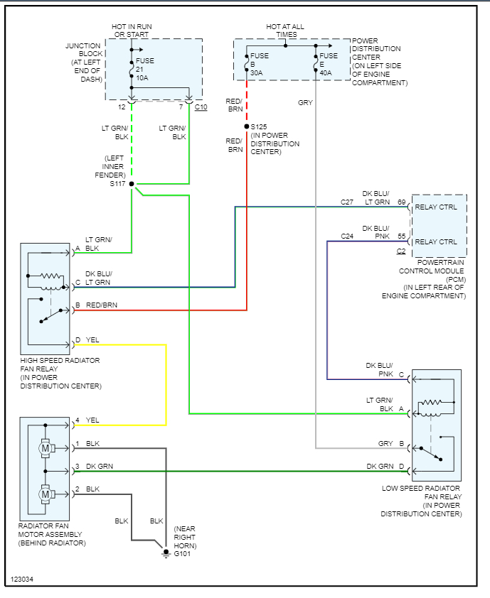
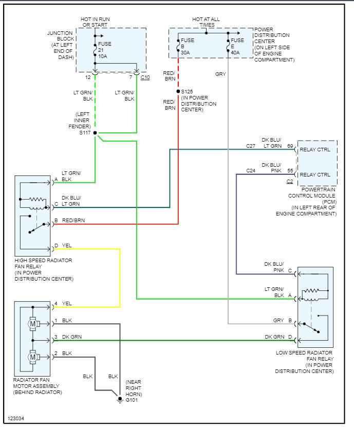
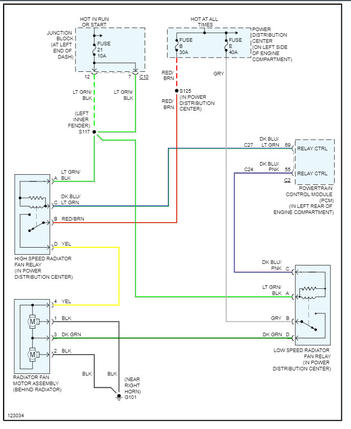
Those look like control relays, but I see they are not plugged in completely. Here is a guide that should help, and I have included the cooling fan wiring diagrams in the images below.

https://www.2carpros.com/articles/comprehensive-guide-diagnosing-and-fixing-automotive-radiator-cooling-fans

Check out the images (below). Please let us know how it goes
Jun 19, 2023 at 12:03 PM
Avatar
ANITA TROY
  • MEMBER
  • 38 POSTS
Thank you. I appreciate your response I know that they're not plugged in all the way because I just taken it out of my car and I and did those thinking I had to read put them in my new fan shroud that I just got and I took out the box which did not have those on it so that's my dilemma I need a new fan assembly that has those on them so I can put it back in my car. I'm not having a very easy time on finding the correct fan assembly. Thank you for the wiring diagram. I appreciate that but I'm looking to replace the whole thing. I just slide it in back in my car, so I had to put everything back together I'm going to have to ship back the fan assembly I got from car parts. And try to find the correct one.
Jun 19, 2023 at 2:30 PM
Advertisement
Avatar
ANITA TROY
  • MEMBER
  • 38 POSTS
I probably could have slid the one in that I just got from car parts but I want to have it exactly like I just took out obviously those two relays are on there for a reason and I'm not wanting to put in a toggle switch because that's not the way it should be and so that's where I'm at. And I do think you would have time for any effort that you put into any of my wondering, I guess.
Jun 19, 2023 at 2:32 PM
Avatar
STRAILER
  • CERTIFIED EXPERT
  • 53,855 POSTS
I am not sure what you are saying, can you clarify? Here is the fan part number:

Fan Module - 4596402AA $554.00

The fan does not have any sensors on it. Please check out the wiring diagrams above so you can see how the system works.
Jun 20, 2023 at 3:34 PM
Avatar
ANITA TROY
  • MEMBER
  • 38 POSTS
I understand that now because you said they look like control relays and that's what I was trying to find out what basically they were. And what I was trying to say was that I thank you for putting your time and effort into my wanting to know what those were on the fan shroud. Where is that fan part number from who has that?
Jun 20, 2023 at 6:25 PM
Avatar
STRAILER
  • CERTIFIED EXPERT
  • 53,855 POSTS
That is an OEM part number from the dealer but you should be able to cross reference it to find the part, I have had good luck using Rockauto.com
Jun 21, 2023 at 10:07 AM
Avatar
ANITA TROY
  • MEMBER
  • 38 POSTS
Okay, thank you. Now I have a different question, same car. 2000 Dodge intrepid rt 3.5L. Can I hook up a battery charger to my car without removing the battery?
Jun 28, 2023 at 11:22 PM
Avatar
STRAILER
  • CERTIFIED EXPERT
  • 53,855 POSTS
Please post your new question here, you must be logged in.

https://www.2carpros.com/questions/new

Cheers, Ken
Jun 29, 2023 at 11:24 AM