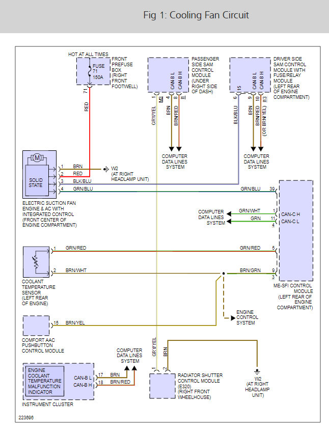
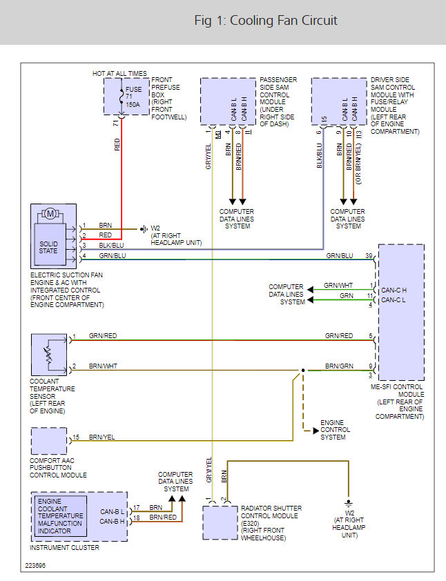
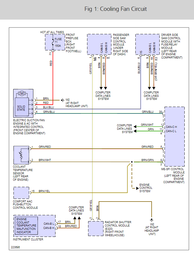
My car is overheating at idle and slow drive but as long as I am driving on high way temperature stay at normal. things which I have checked myself are, radiator upper and lower hose are in pressure at normal operating temperature and the radiator cap can be open easily. all coolant does not spray out even after driving for long. just confused as to why it is like this? Even after changing the radiator cap it is the same.
Water pump and thermostat is checked by mechanic, it is okay. And there is no leakage. oil is okay and coolant also in radiator up to level.
Water pump and thermostat is checked by mechanic, it is okay. And there is no leakage. oil is okay and coolant also in radiator up to level.
Nov 25, 2017 at 10:44 PM






















