radiator and radiator fan replacement instructions needed

2006 ACURA RL
250,000 MILES • 6 CYL • AUTOMATIC
Avatar
05ACURATL
  • MEMBER
  • 37 POSTS
Need instructions for radiator and radiator fan replacement for the above mentioned car.
Apr 5, 2021 at 1:09 AM
Advertisement
Avatar
ASEMASTER6371
  • CERTIFIED EXPERT
  • 52,796 POSTS
Good morning,

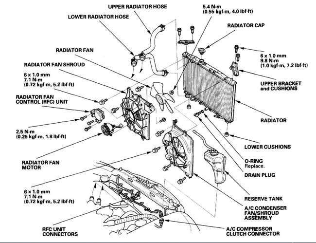
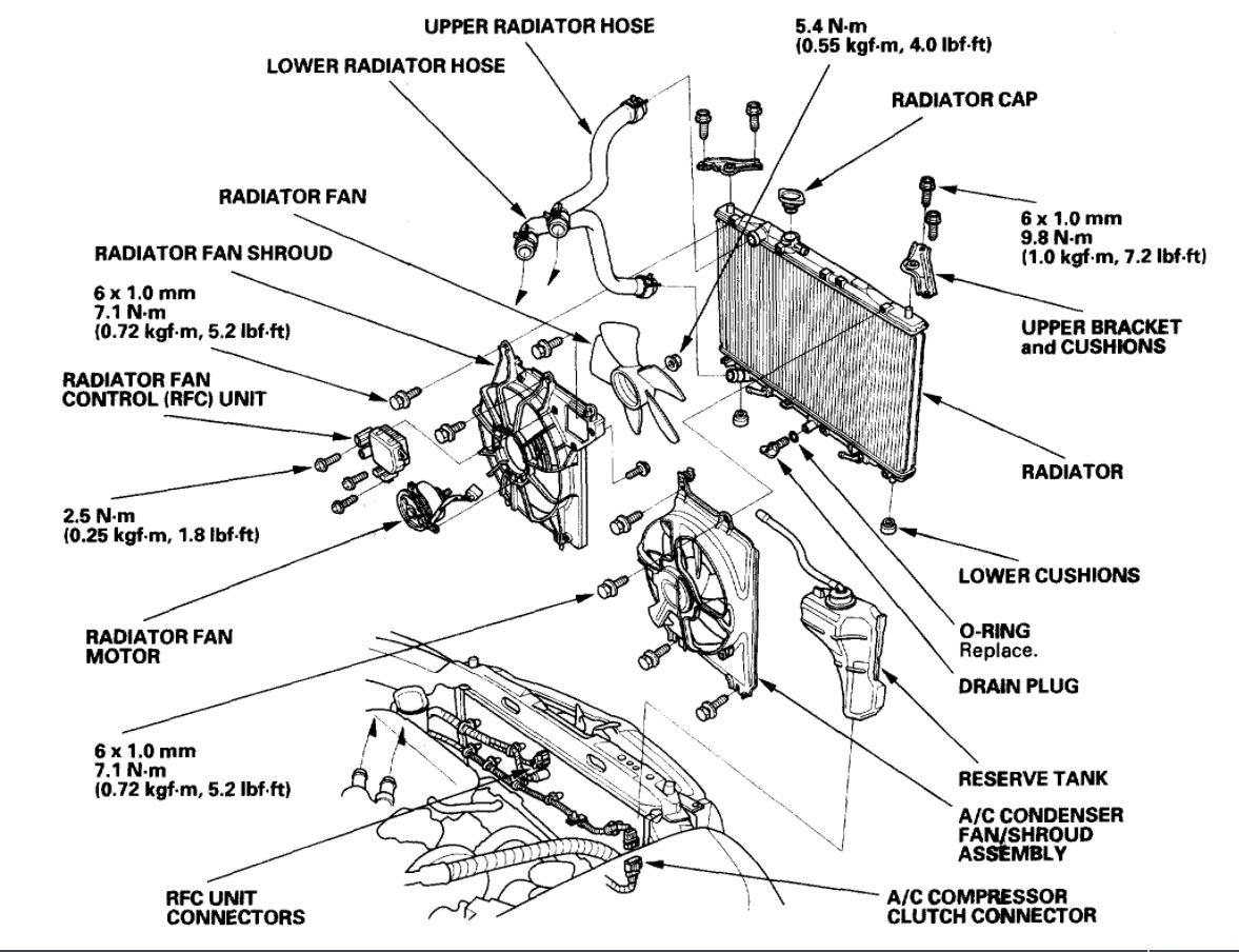
I attached the procedure and a picture below for you of the repair.

https://www.2carpros.com/articles/how-to-replace-a-car-radiator

https://www.2carpros.com/articles/replace-electric-fan-motor

https://www.2carpros.com/articles/coolant-flush-and-refill-all-cars

I would also suggest changing the thermostat since you have the system open.

https://www.2carpros.com/articles/replace-thermostat

Let us know if you have any other questions.

Roy
Apr 5, 2021 at 4:07 AM
Avatar
05ACURATL
  • MEMBER
  • 37 POSTS
thank you very much. Very quick question.. If i'm replacing the radiator fan only (not the radiator) do i still have to drain the coolant and ATF fluid? or do i only remove the 4 bolts that hold the fan shroud?
Apr 5, 2021 at 3:53 PM
Advertisement
Avatar
ASEMASTER6371
  • CERTIFIED EXPERT
  • 52,796 POSTS
Just the 4 bolts for the fan. No fluids involved here at all.

Roy
Apr 5, 2021 at 4:01 PM