Radiator swap

2006 KIA OPTIMA
140,000 MILES • 2.4L • 4 CYL • 2WD • MANUAL
Avatar
  • MEMBER
  • 34 POSTS
Crack in front of plastic radiator. Can I use another radiator from any car?
Jul 9, 2022 at 10:52 PM
Advertisement
Avatar
STRAILER
  • CERTIFIED EXPERT
  • 53,854 POSTS
Nope, you must use a radiator for this car, you can get a cheap one from amazon for $76.00.

https://amzn.to/3RoiZDu

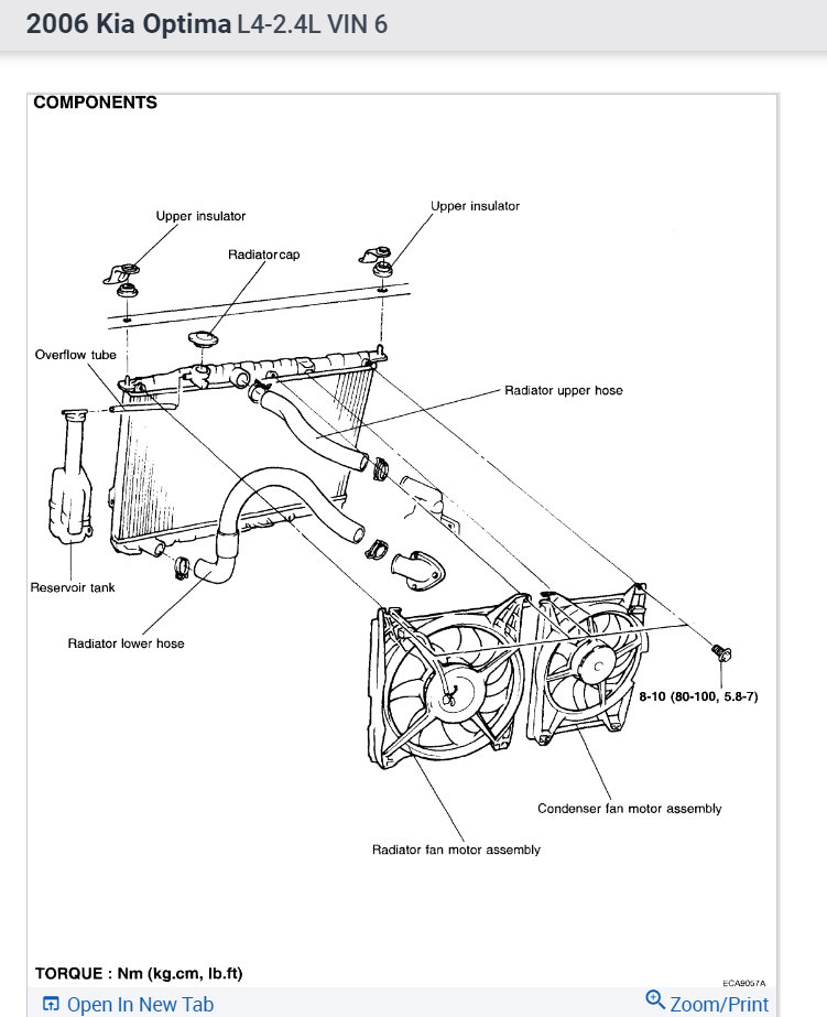
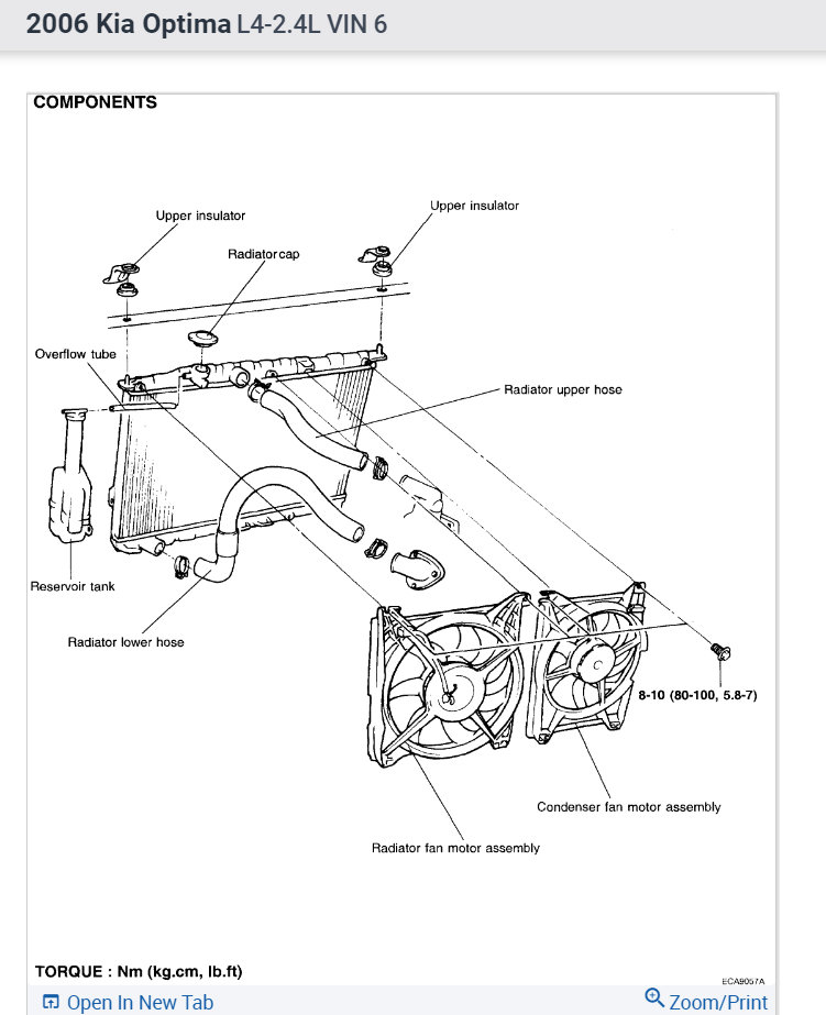
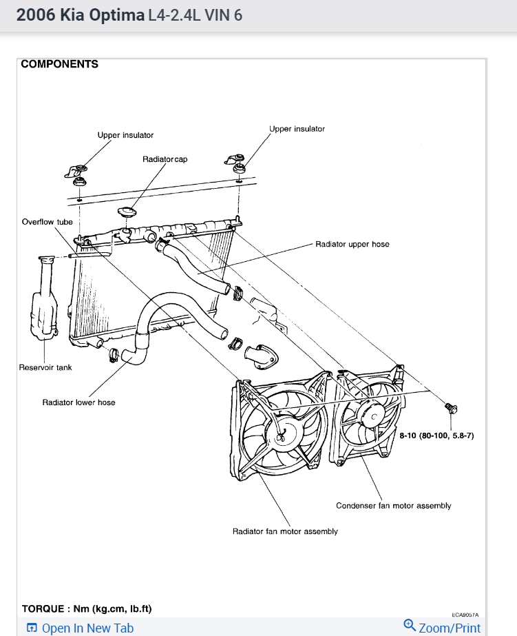
Here is a generic guide on how to replace it with diagrams below to show you how on your car:

https://www.2carpros.com/articles/how-to-replace-a-car-radiator

Check out the diagrams (below). Please let us know if you need anything else to get the problem fixed.
Jul 10, 2022 at 3:55 PM