Good afternoon,
I would not as the 4 cylinder is too small for the V6.
https://www.2carpros.com/articles/how-a-radiator-works
I would replace it with a new radiator.
https://www.2carpros.com/articles/how-to-replace-a-car-radiator
https://www.2carpros.com/articles/coolant-flush-and-refill-all-cars
Roy
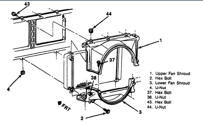
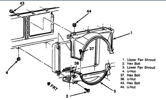
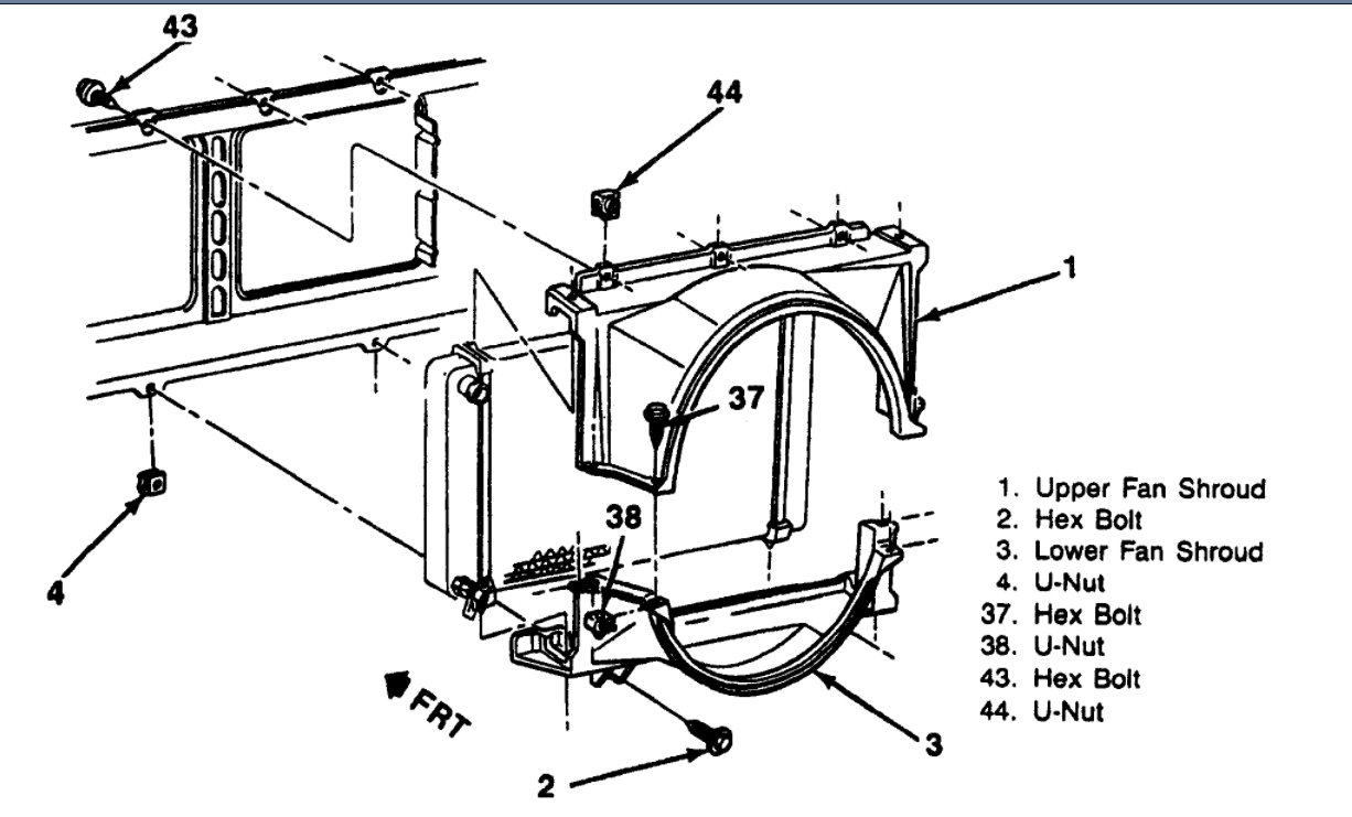
Install or Connect
1. Radiator.
2. Engine oil cooler line fittings.
Tighten
Fittings to 35 N.m (25 ft. lbs.).
3. Transmission fluid cooler line fittings.
Tighten
Fittings to 27 N.m (20 ft. lbs.).
4. Hoses.
5. Upper fan shroud.
6. Coolant reservoir hose.
7. Coolant to the radiator.
Images (Click to enlarge)
Dec 8, 2020 at 10:50 AM