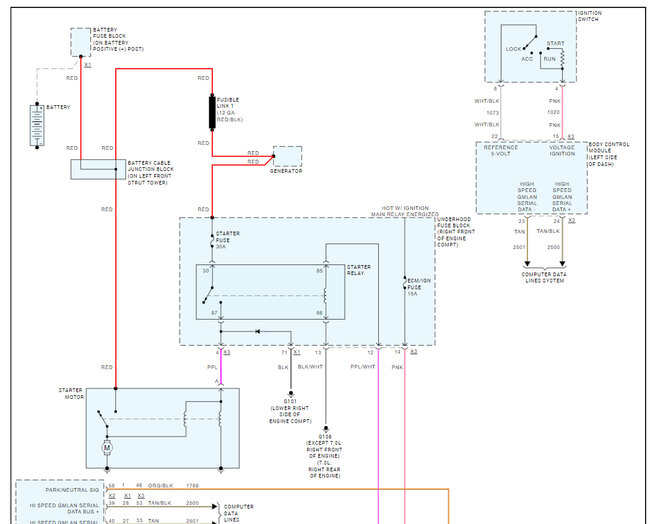
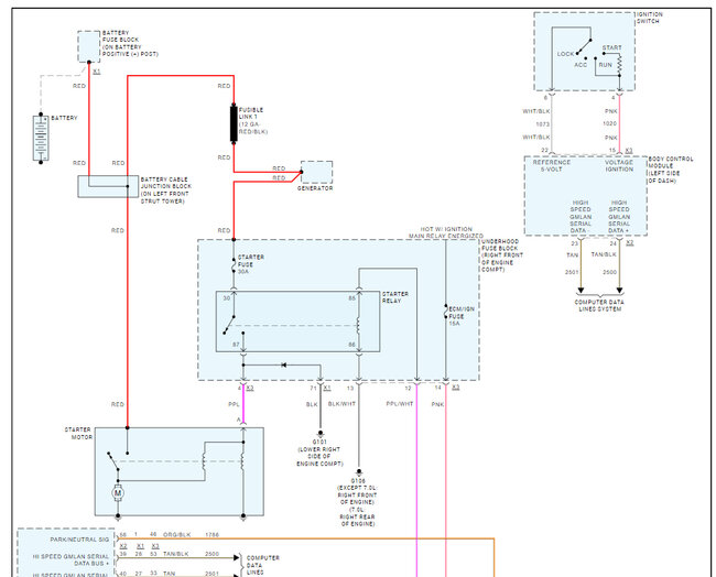
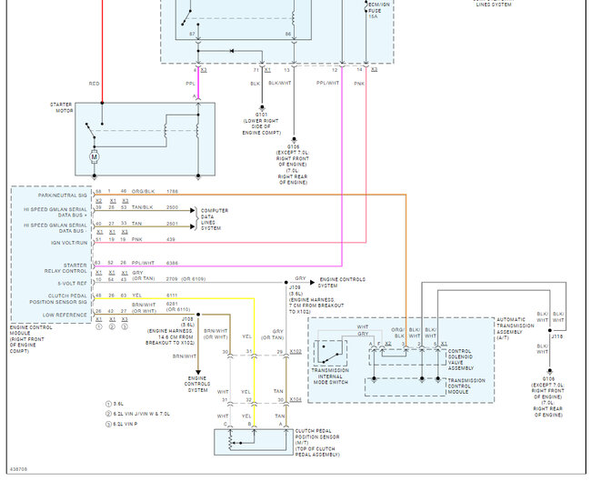
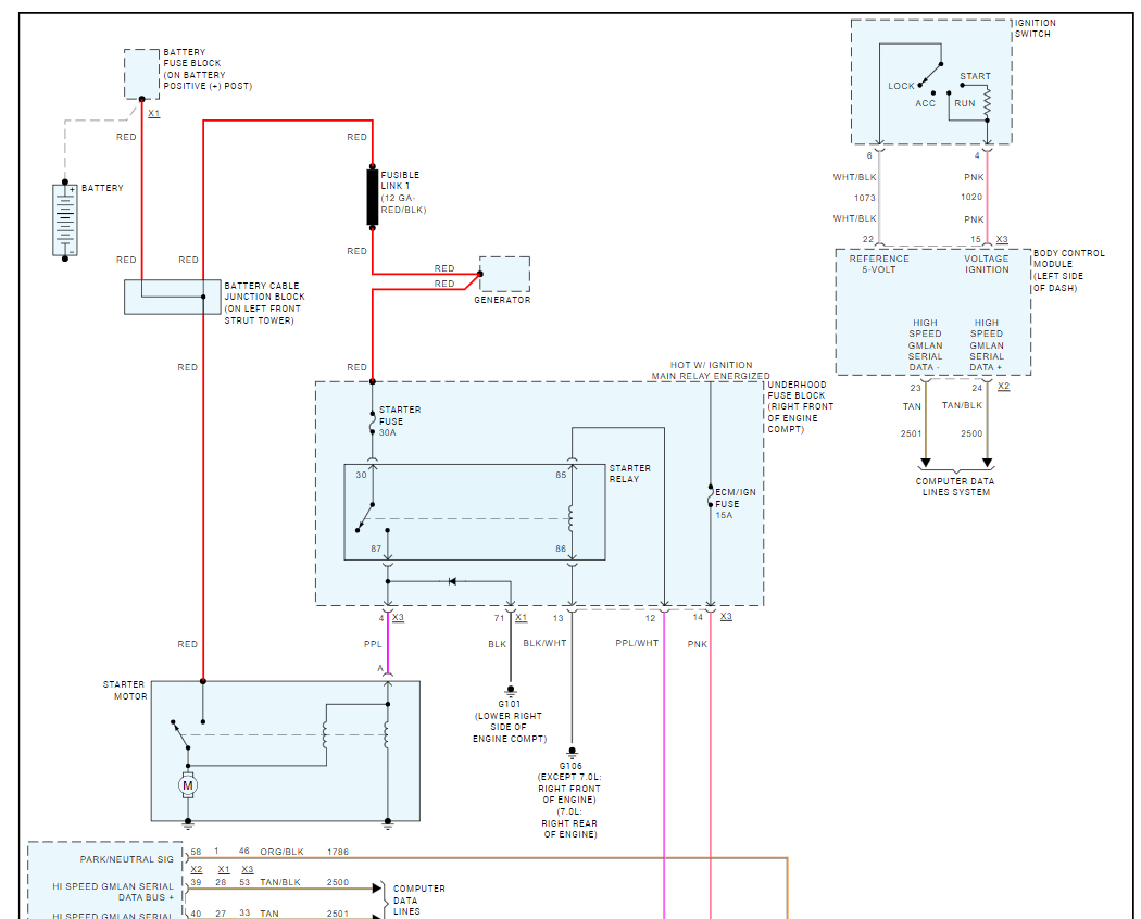
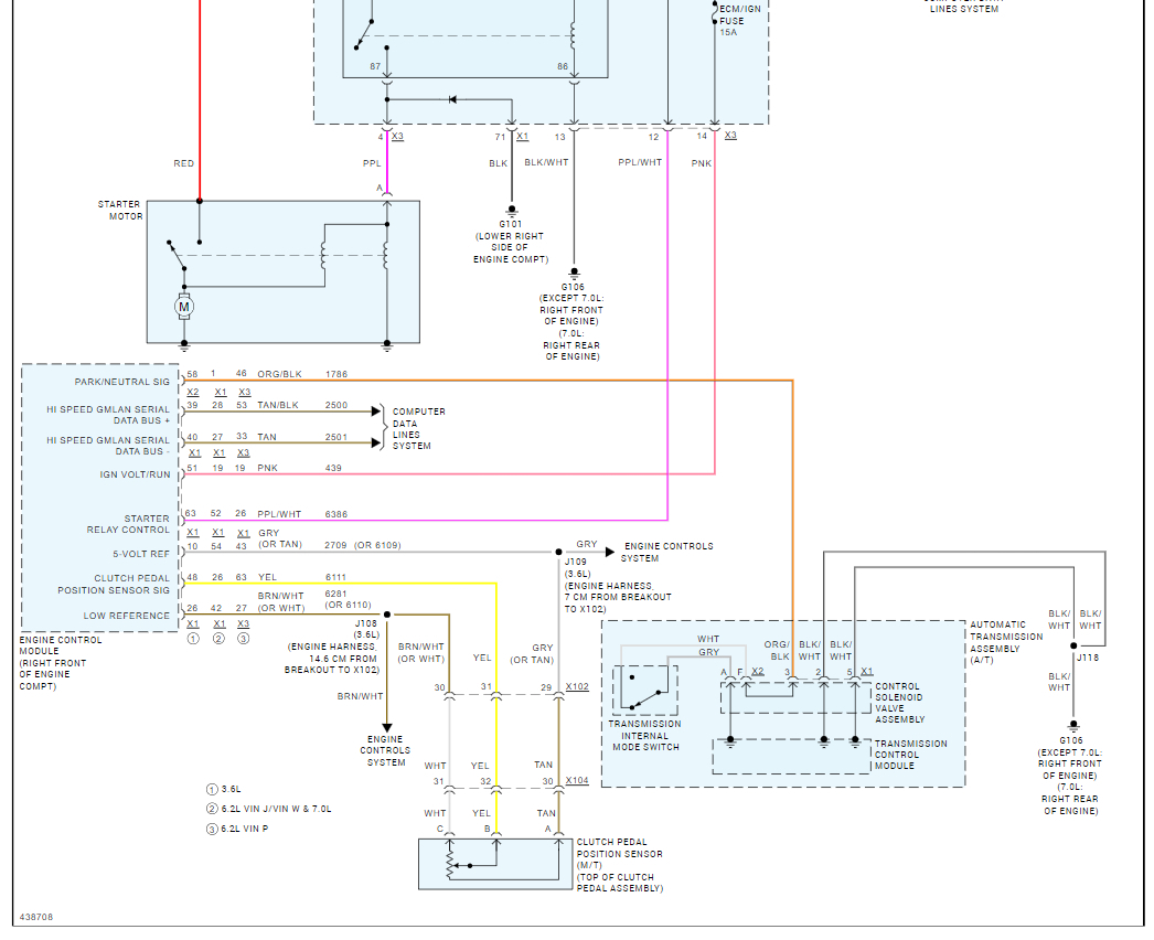
The jack slipped and broke the rack and pinion, and the car couldn’t start anymore making a clicking sound like the starter is bad. The starter still looks good. I replaced the rack and pinion but still had the same problem.
Sep 9, 2024 at 3:00 PM








